ЗУБР Т-77, 3 т, 192 - 533 мм, подкатной домкрат с высоким подъемом в кейсе, Профессионал (43055-3-K)
Домкрат отлично подходит как для легковых автомобилей так и для внедорожников и кроссоверов, благодаря высокой грузоподъемности и дополнительной проставки для работ с высокими и тяжелыми автомобилями.
Преимущества
- Универсальный домкрат для легковых автомобилей, внедорожников и кроссоверов
- Широкий диапазон высот
- Компактные размеры
- Небольшой вес
Использование
Для подъема автомобилей при проведении ремонтных или регламентных работ
| Гарантия | 12 |
| Тип упаковки | коробка картонная |
| Грузоподъемность, т | 3 |
| Минимальная высота подхвата, мм | 192 |
| Максимальная высота подъема, мм | 533 |
| Вес домкрата, кг | 19.3 |
| Упаковка | Пластиковый кейс |
| Внешний диаметр площадки под резиновую накладку, мм | 59 |
| Внутренний диаметр площадки под резиновую накладку, мм | 37 |
| Ход поршня, мм | 291 |
| Ход регулируемого винта, мм | 50 |
| Подходящая резиновая накладка | 43005-35, 43005-45, 43007-37 |
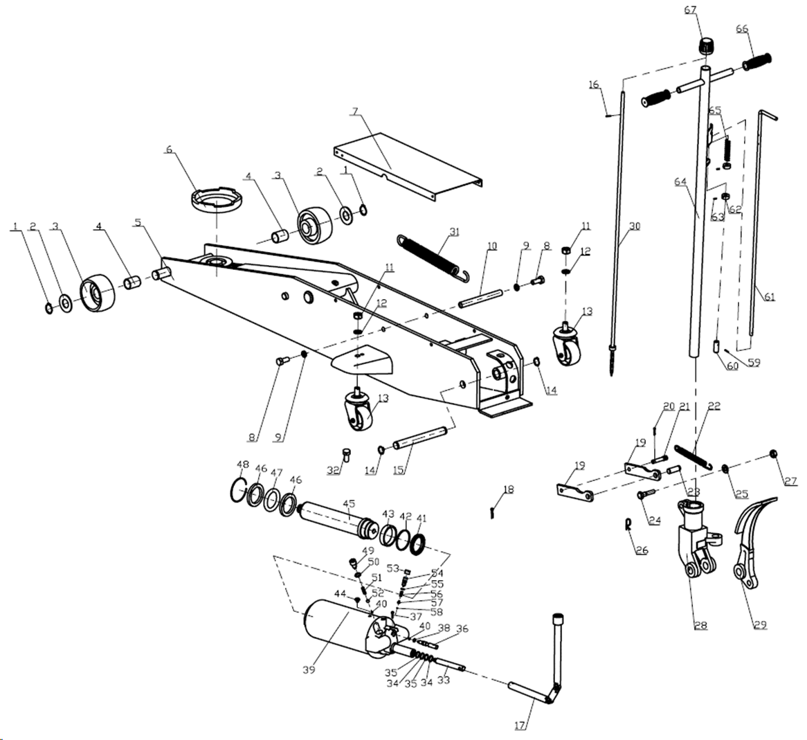
Схема сборки и запчасти ЗУБР Т-77, 3 т, 192 - 533 мм, подкатной домкрат с высоким подъемом в кейсе, Профессионал (43055-3-K)
| № | Наименование | Артикул | Цена | |
|---|---|---|---|---|
| 1 | Ремкомплект для домкрата 43055-3 | N000-028-970 | 721.36 | |
