STAYER R-22 RED FORCE, 2 т, 125 - 320 мм, подкатной домкрат для легковых а/м, Professional (43152-2)
Эта модель домкрата одна из самых компактных подкатных домкратов на рынке. Небольшой вес и высокая грузоподъемность делают его удобным в использовании, хранении и транспортировке.
Преимущества
- Легкий, устойчивый, подходит для всех типов легковых автомобилей
Использование
Для подъема транспортных средств при замене колес или проведении ремонтных работ
| Гарантия | 12 |
| Грузоподъемность, т | 2 |
| Минимальная высота подхвата, мм | 125 |
| Максимальная высота подъема, мм | 320 |
| Вес домкрата, кг | 6.5 |
| Упаковка | Картонная коробка |
| Внешний диаметр площадки под резиновую накладку, мм | 45 |
| Внутренний диаметр площадки под резиновую накладку, мм | 40 |
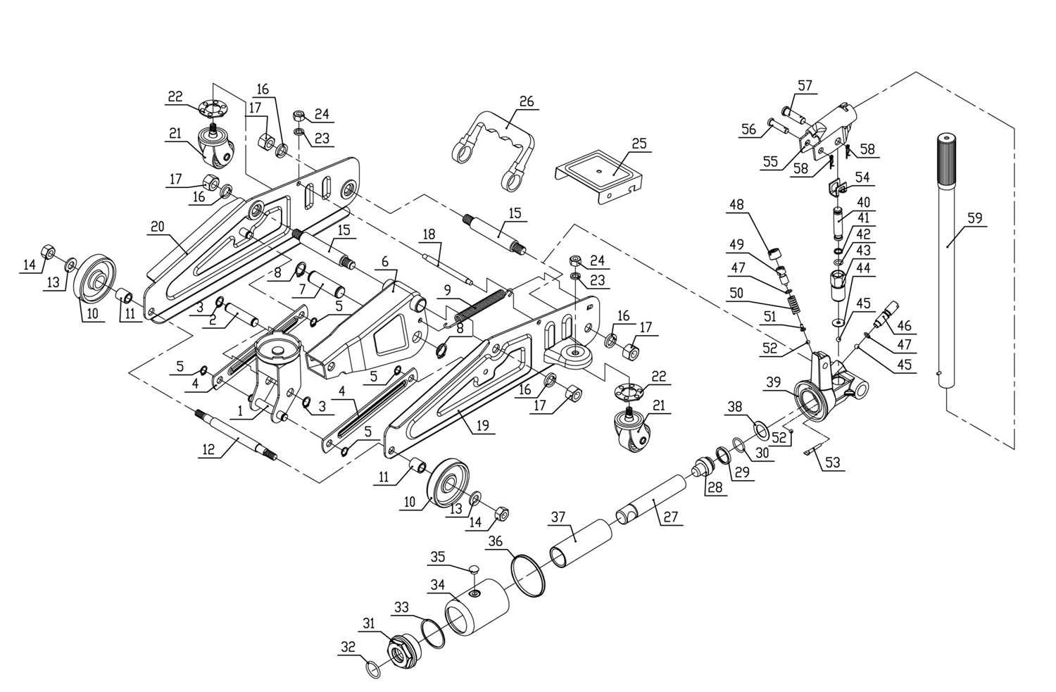
Схема сборки и запчасти STAYER R-22 RED FORCE, 2 т, 125 - 320 мм, подкатной домкрат для легковых а/м, Professional (43152-2)
| № | Наименование | Артикул | Цена | |
|---|---|---|---|---|
| 10 | Колесо переднее | N000-014-748 | - | |
| 19.C | Корпус домкрата | N000-014-767 | - | |
| 21 | Колесо заднее в сборе | N000-014-753 | - | |
| 34.C | Гидроцилиндр в сборе | N000-014-721 | 2 680.67 | |
| 60 | Ремкомплект для домкрата 43152-2 | N000-024-725 | - | |

