ЗУБР d 200 мм, 1000 Вт, настольный электрический плиткорез (ЭП-200-1000Н)
Производительный настольный плиткорез для любых видов (прямой, косой, под углом, комбинированной) резки плитки. Идеально подходит для работ с напольной, настенной, тротуарной и облицовочной плитками. Имеет большой рабочий стол с удлинителем. Функция влажной резки повышает срок службы расходного инструмента, а также уменьшает количество вредной пыли при работе. Безопасность оператора обеспечивается защитным кожухом и электромагнитным выключателем
Преимущества
- Принудительное водяное охлаждение предотвращает порчу распиливаемого материала и исключает образование вредной пыли при работе
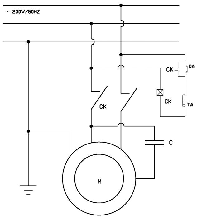
- Для безопасной работы предусмотрены защитный кожух и электромагнитный выключатель, предотвращающий случайное включение при восстановлении напряжения
- Размеры рабочего стола достаточны для пиления плитки практически любого размера
- Предусмотрен удлинитель стола для пиления плитки больших размеров
- Бесконечная длина реза благодаря отсутствию бортов
- Наклон диска и угловой упор обеспечивают пиление под углом до 45°, косое под 45° и комбинированное
- Не требующий обслуживания асинхронный двигатель прост в эксплуатации
- Продольный регулируемый упор для пиления в размер
- Оцинкованный стол, не подверженный коррозии
Использование
Для влажной резки всех видов натуральной и искусственной плитки (облицовочной, напольной, тротуарной и др.), кроме асбестосодержащей.
| Габариты, см | 52х42х20 |
| Масса изделия, кг | 15 |
| Масса в упаковке, кг | 16 |
| Гарантия | 60 |
| Напряжение питания, В/Гц | 220±10% /50 |
| Мощность, Вт | 1000 |
| Частота вращения, об/мин | 2950 |
| Диаметр посадочного отверстия, мм | 25.4 |
| Тип плиткореза | Настольный |
| Глубина прямого реза под углом 90°с, мм | 40 |
| Глубина косого реза под углом 45°с, мм | 25 |
| Максимальная глубина реза, мм | 40 |
| Длина реза, мм | неогр |
| Диаметр диска, мм | 200 |
| Размер стола, мм | 500х400 |
| Водяное охлаждение | Поддон для воды |
| Тип упаковки | коробка картонная |
Схема сборки и запчасти ЗУБР d 200 мм, 1000 Вт, настольный электрический плиткорез (ЭП-200-1000Н)
| № | Наименование | Артикул | Цена | |
|---|---|---|---|---|
| 1 | Винт | N000-021-944 | - | |
| 2 | Кожух защитный | N000-021-945 | - | |
| 2 | Кожух защитный | N000-021-945-2 | - | |
| 3 | Гайка | N000-021-946 | - | |
| 4 | Фланец внешний D50x25.4 | N000-021-872 | 162.14 | |
| 5 | Диск 200x25.4x2.4mm | N000-021-871 | - | |
| 6 | Фланец внутренний D50x25.4 | N000-021-869 | 162.14 | |
| 7 | Прокладка | N000-021-947 | - | |
| 8 | Ножки | N000-021-948 | - | |
| 9 | Поддон | N000-021-949 | 779.42 | |
| 10 | Винт | N000-021-950 | - | |
| 11 | Выключатель электромагнитный | V000-003-314 | 556.96 | |
| 12 | Винт | N000-021-952 | - | |
| 13 | Выключатель электромагнитный KJD6 8А 250В 5E4 | V000-003-284 | 525.43 | |
| 14 | Воротник шнура | N000-021-953 | - | |
| 15 | Винт | N000-021-954 | - | |
| 16 | Шайба | N000-021-955 | - | |
| 17 | Клемник | N000-021-956 | - | |
| 18 | Гайка | N000-021-957 | - | |
| 19 | Прижим шнура | N000-021-958 | - | |
| 20 | Шайба | N000-021-959 | - | |
| 21 | Винт | N000-021-960 | - | |
| 22 | Основание | N000-021-961 | 1 648.83 | |
| 23 | Винт | N000-021-962 | - | |
| 24 | Ручка | N000-021-963 | - | |
| 25 | Шнур сетевой H05RN-F Rubber 3Gх0.75мм2 2м | V000-006-345 | - | |
| 26 | Винт | N000-021-965 | - | |
| 27 | Крышка конденсатора | N000-021-966 | - | |
| 28 | Конденсатор 25uF 450V | V000-007-544 | 436.75 | |
| 29 | Винт | N000-021-967 | - | |
| 30 | Шайба | N000-021-968 | - | |
| 31 | Клемник | N000-021-969 | - | |
| 32 | Шайба | N000-021-970 | - | |
| 33 | Винт | N000-021-971 | - | |
| 34 | Коробка конденсатора | N000-021-972 | - | |
| 35 | Винт | N000-021-973 | - | |
| 36 | Шайба | N000-021-974 | - | |
| 37 | Прижим | N000-021-975 | - | |
| 38 | Кольцо уплотнительное | N000-021-976 | - | |
| 39 | Провод | N000-021-977 | - | |
| 40 | Двигатель АД в сборе | V000-001-708 | - | |
| 40.A | Ротор АД | N000-021-930 | 1 729.41 | |
| 40.B | Статор АДС | N000-021-978 | 4 296.53 | |
| 41 | Кожух защитный задний | N000-021-979 | - | |
| 42 | Удлинитель толешницы | N000-021-980 | - | |
| 43 | Винт | N000-021-981 | - | |
| 44 | Направляющая | N000-021-982 | - | |
| 45 | Винт-барашек | N000-021-983 | 102 | |
| 46 | Упор | N000-021-984 | - | |
| 47 | Стол рабочий | N000-021-985 | 10 511.25 | |
| 48 | Винт | N000-021-986 | - | |
| 49 | Пластина | N000-021-987 | - | |
| 50 | Стойка защитного кожуха | N000-021-988 | - | |
| 51 | Винт | N000-021-989 | - | |
| 52 | Гайка | N000-021-990 | - | |
| 53 | Винт-барашек | N000-021-991 | - | |
| 54 | Кожух защитный | N000-021-992 | - | |
| 55 | Гайка-барашек | N000-021-993 | 102 | |
| 56 | Кронштейн профиля | N000-021-994 | 651.02 | |
| 57 | Профиль направляющий | N000-021-995 | 1 236.62 | |
| 58 | Пластина монтажная | N000-021-996 | 149.76 | |
| 59 | Уголок | N000-021-997 | 149.76 | |
| 59 | Упор угловой | N000-021-997-2 | 270.21 | |
| 60 | Винт-барашек | N000-021-998 | 102 | |
| 61 | Винт | N000-021-999 | 102 | |
| 62 | Винт-барашек | N000-022-000 | - | |
| 63 | Шайба | N000-022-001 | - | |
| 64 | Блок натяжной | N000-022-002 | 1 145.98 | |

