KRAFTOOL PW-3400, 1″, 3400 Н·м, ударный пневматический гайковерт (64200)
Професиональный пневматический гайковерт, произведенный в Тайвани. Повышенный крутящий момент при стандартном для меньших гайковертов давлении компрессора. Благодаря достаточно легкому весу работать возможно с меньшими усилиями. Прочный алюминиевый корпус предохраняет инструмент от повреждений
Преимущества
- Мощный крутящий момент 3400 Нм
Использование
Для монтажа и демонтажа резьбовых соединений. Наиболее эффективен при работе с крепежом грузового транспорта
| Частота вращения шпинделя, об/мин | 3600 |
| Тип патрона | Квадрат с фрикционным кольцом |
| Гарантия | 6 месяцев |
| Корпус | Алюминиевый |
| Присоединительный квадрат, дюйм | 1 |
| Крутящий момент, Нм | 3400 |
| Давление, бар | 6.3 |
| Расход воздуха, л/мин | 312 |
| Тип ударного механизма | Twin Hammer |
| Наличие удара | есть |
| Диаметр воздушного штуцера, дюйм | 1/2 |
| Вес, кг | 11.7 |
| Тип упаковки | коробка картонная |
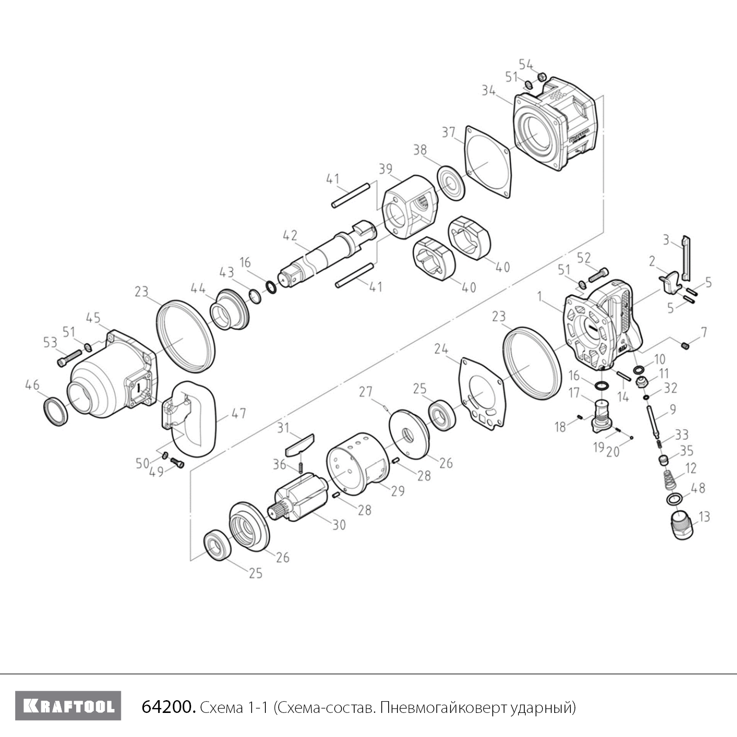
Схема сборки и запчасти KRAFTOOL PW-3400, 1″, 3400 Н·м, ударный пневматический гайковерт (64200)
| № | Наименование | Артикул | Цена | |
|---|---|---|---|---|
| 1 | Ручка задняя | N000-037-847 | - | |
| 2 | Курок | N000-037-848 | - | |
| 3 | Накладка резиновая | N000-037-849 | - | |
| 5 | Штифт пружинный | N000-037-850 | - | |
| 7 | Заглушка | N000-037-851 | - | |
| 9 | Клапан штифтовый | N000-037-852 | - | |
| 10 | Кольцо уплотнительное | N000-037-853 | - | |
| 11 | Клапан обратный | N000-037-854 | - | |
| 12 | Пружина коническая | N000-037-855 | - | |
| 13 | Штуцер 1/4" | N000-037-856 | - | |
| 14 | Штифт пружинный | N000-037-857 | - | |
| 16 | Кольцо уплотнительное | N000-037-858 | - | |
| 17 | Ручка регулятора скорости | N000-037-859 | - | |
| 18 | Штифт пружинный | N000-037-860 | - | |
| 19 | Пружина | N000-037-861 | - | |
| 20 | Шарик стальной D4 | N000-037-862 | - | |
| 23 | Кольцо проставочное | N000-037-863 | - | |
| 24 | Прокладка | N000-037-864 | - | |
| 25 | Подшипник шариковый 6205 | N000-037-865 | - | |
| 26 | Крышка торцевая передняя | N000-037-866 | - | |
| 27 | Штифт пружинный | N000-037-867 | - | |
| 28 | Штифт пружинный | N000-037-868 | - | |
| 29 | Цилиндр | N000-037-869 | - | |
| 30 | Ротор | N000-037-870 | - | |
| 31 | Лопасть ротора (набор 6шт) | N000-037-871 | - | |
| 32 | Кольцо уплотнительное | N000-037-872 | - | |
| 33 | Пружина | N000-037-873 | - | |
| 34 | Корпус | N000-037-874 | - | |
| 35 | Клапан обратный | N000-037-875 | - | |
| 36 | Пружина | N000-037-876 | - | |
| 37 | Прокладка | N000-037-877 | - | |
| 38 | Проставка задняя | N000-037-878 | - | |
| 39 | Держатель ударника | N000-037-879 | - | |
| 40 | Ударник | N000-037-880 | - | |
| 41 | Шпилька | N000-037-881 | - | |
| 42 | Шпиндель 1" | N000-037-882 | - | |
| 43 | Стопор муфты | N000-037-883 | - | |
| 44 | Втулка скольжения | N000-037-884 | - | |
| 45 | Корпус ударного механизма | N000-037-885 | - | |
| 46 | Сальник | N000-037-886 | - | |
| 47 | Рукоятка боковая | N000-037-887 | - | |
| 48 | Кольцо уплотнительное | N000-037-888 | - | |
