ЗУБР 3900 Вт, инверторный генератор (СБИ-3900)
Мощный источник электроэнергии для электроснабжения торговых объектов, для работ на стройке или в качестве резервного электроснабжения летнего дома. Идеальное качество вырабатываемого тока позволяет использовать станцию для питания любых электронных устройств без стабилизатора.
Преимущества
- Современный 4-тактный двигатель ЗУБР - аналог HONDA
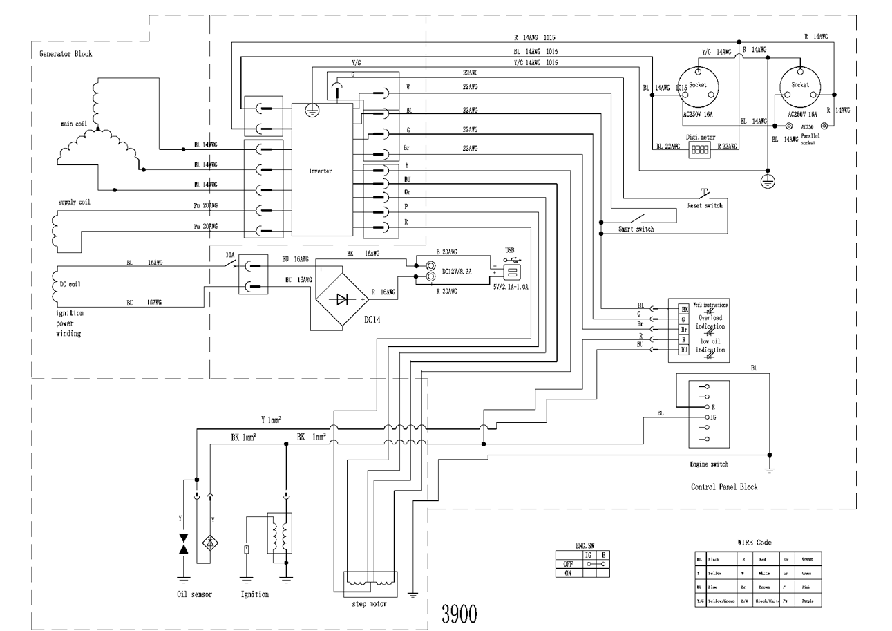
- Инверторный преобразователь обеспечивает высокую стабильность напряжения
- Защита при низком уровне масла
- Четырехтактный двигатель с раздельными системами питания и смазки
- Встроенная электронная защита цепей принудительно отключает станцию в случае короткого замыкания или превышения допустимой нагрузки
- Эко-режим оптимизирует потребление топлива в условиях сниженной нагрузки
- Пылезащищенные розетки 230 В, обеспечивают улучшенную защиту для работы на улице
- Большой топливный бак объемом 15 л со встроенным фильтром и индикатором уровня топлива
- Индикатор напряжения и счетчик моточасов 4 в 1 на передней панели - легко проверить стабильность тока и интервалы обслуживания
- Разъем параллельной работы позволяет объединить мощность двух генераторов, даже разных моделей, без потерь мощности
- Розетка 12 В и USB порты позволяют зарядить автомобильный аккумулятор или питать прочие потребители
- Кабель с клеммами для зарядки автомобильных аккумуляторов в комплекте
- Демпферные подушки, снижают уровень шума и вибрации
- Медная обмотка альтернатора обеспечивает надежную работу при высокой нагрузке
- Максимальный ток сварки при подключении сварочного инвертора 120 А
Использование
Для обеспечения электрической энергией потребителей в отсутствии электрической сети, а также для использования в качестве резервного или аварийного источника электрической энергии
| Тип двигателя | бензиновый 4-тактный, с воздушным охлаждением |
| Габариты, см | 56×48×52 |
| Масса изделия, кг | 30 |
| Гарантия | 60 |
| Тип генератора | бензиновый инверторный, однофазный, постоянные магниты |
| Номинальная мощность, Вт | 3500 |
| Макс. мощность, Вт | 3900 |
| Номинальное вырабатываемое напряжение, В | 230 / 12 / 5 |
| Мощность двигателя, л.с. | 7.5 |
| Емкость топливного бака, л | 15 |
| Объем заправки масла, л | 0.6 |
| Стартер | ручной |
| Вид топлива | бензин АИ-92 |
| Контроль напряжения | инверторный |
| Датчик уровня масла | есть |
| Индикатор уровня топлива | есть |
| Расход топлива, л/ч | 1.5 |
| Альтернатор | синхронный |
| Электронная защита | есть |
| Масса в упаковке | 33 |
| Объем двигателя, см³ | 223 |
| Тип упаковки | коробка картонная |
| Эл. выходы 5В/12В/230В/230В-32А, шт | 2/1/2/- |
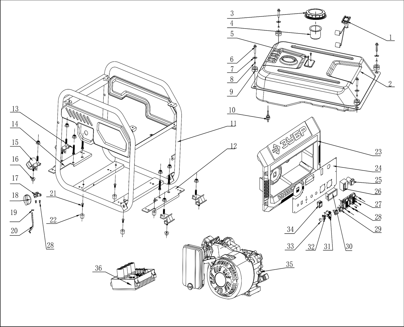
Схема сборки и запчасти ЗУБР 3900 Вт, инверторный генератор (СБИ-3900)
| № | Наименование | Артикул | Цена | |
|---|---|---|---|---|
| 1.01 | Датчик топлива поплавковый. | N000-041-187 | - | |
| 1.02 | Бак топливный. | N000-041-162 | 4 590 | |
| 1.03 | Крышка топливного бака | N000-041-166 | - | |
| 1.04 | Фильтр топливный | N000-041-164 | - | |
| 1.09 | Виброгаситель | N000-041-160 | - | |
| 1.10 | Штуцер | N000-041-167 | - | |
| 1.11 | Рама | N000-041-013 | - | |
| 1.12 | Пластина монтажная двигателя правая | N000-041-210 | - | |
| 1.14 | Пластина монтажная двигателя левая | N000-041-209 | - | |
| 1.15 | Амортизаторы | N000-041-168 | 153 | |
| 1.17 | Кран топливный | N000-041-165 | - | |
| 1.18 | Рукоятка топливного крана | N000-041-211 | - | |
| 1.20 | Трубка топливная | N000-041-158 | - | |
| 1.22 | Ножка резиновая | N000-041-170 | - | |
| 1.23 | Панель передняя | N000-041-175 | - | |
| 1.24 | Панель приборная | N000-041-017 | - | |
| 1.25 | Выход USB | N000-041-179 | - | |
| 1.26 | Индикатор состояния питания | N000-041-177 | 663 | |
| 1.27 | Розетка 220В/16А (N000-032-881) | N000-032-881 | 412.2 | |
| 1.29 | Порты параллельного соединения | N000-041-180 | - | |
| 1.30 | Вольтметр цифровой/счетчик моточасов | N000-041-186 | 1 275 | |
| 1.31 | Выход 12 вольт | N000-041-181 | - | |
| 1.32 | ЭКО-переключатель | N000-041-173 | 153 | |
| 1.33 | Кнопка сброса | N000-041-182 | - | |
| 1.34 | Выключатель главный | N000-041-172 | - | |
| 1.35 | ДВС в сборе | N000-041-009 | 22 440 | |
| 1.36 | Инвертор | N000-041-201 | 13 547.64 | |
| 2.01 | Стартер ручной в сборе | N000-041-148 | 1 142.4 | |
| 2.06 | Храповик | N000-041-146 | 214.2 | |
| 2.07 | Крыльчатка | N000-041-142 | - | |
| 2.08 | Ротор | N000-041-020 | - | |
| 2.09 | Статор | N000-041-304 | - | |
| 2.10 | Сальник D41.25xd25 | N000-041-152 | 102 | |
| 2.11 | Подшипник шариковый 6205 (52х25х15) (U009-620-500) | U009-620-500 | 795.6 | |
| 2.12 | Картер | N000-041-032 | - | |
| 2.13 | Датчик уровня масла поплавковый | N000-041-184 | 275.4 | |
| 2.15 | Кожух нижний | N000-041-140 | - | |
| 2.16 | Прокладка болта слива масла | N000-041-030 | 102 | |
| 2.18 | Вал коленчатый | N000-041-085 | - | |
| 2.19 | Прокладка картера | N000-041-027 | 142.8 | |
| 2.20 | Щуп масляный | N000-041-107 | - | |
| 2.21 | Крышка картера | N000-041-035 | - | |
| 2.22 | Реле датчика масла | N000-041-183 | - | |
| 2.24 | Крепление глушителя | N000-041-159 | - | |
| 2.26 | Шатун | N000-041-071 | - | |
| 2.27 | Поршень | N000-041-074 | - | |
| 2.28 | Палец поршневой | N000-041-077 | - | |
| 2.29 | Кольцо стопорное поршня | N000-041-080 | - | |
| 2.30 | Кольца поршневые комплект (30-32) | N000-041-082 | - | |
| 2.33 | Глушитель | N000-041-133 | - | |
| 2.34 | Магнето | N000-041-191 | 663 | |
| 2.38 | Прокладка воздушного фильтра | N000-041-118 | 102 | |
| 2.39 | Карбюратор | N000-041-303 | 1 499.4 | |
| 2.40 | Прокладка карбюратора | N000-041-109 | 102 | |
| 2.41 | Теплозащита карбюратора | N000-041-112 | - | |
| 2.42 | Прокладка впуска | N000-041-121 | 102 | |
| 2.44 | ГБЦ | N000-041-065 | - | |
| 2.45 | Прокладка ГБЦ | N000-041-062 | 142.8 | |
| 2.46 | Клапан впускной | N000-041-055 | - | |
| 2.47 | Клапан выпускной | N000-041-059 | - | |
| 2.48 | Толкатель клапана | N000-041-092 | - | |
| 2.49 | Распредвал | N000-041-096 | - | |
| 2.50 | Патрубок | N000-041-124 | - | |
| 2.51 | Тарелка пружины выпускного клапана | N000-041-051 | - | |
| 2.52 | Тарелка пружины впускного клапана | N000-041-058 | - | |
| 2.53 | Пружина клапана | N000-041-045 | - | |
| 2.54 | Колпачек маслосьемный | N000-041-042 | - | |
| 2.56 | Свеча зажигания F7TC (N000-001-726-2) | N000-001-726-2 | 412.2 | |
| 2.60 | Коромысло | N000-041-100 | - | |
| 2.62 | Ограничитель | N000-041-068 | - | |
| 2.63 | Прокладка клапанной крышки | N000-041-039 | 112.2 | |
| 2.64 | Клапанная крышка | N000-041-136 | - | |
| 2.65 | Фильтр воздушный в сборе | N000-041-127 | - | |
| 2.66 | Штанга | N000-041-089 | - | |
| 2.67 | Прокладка глушителя | N000-041-129 | 102 | |
| 2.69 | Трубка топливная | N000-041-155 | - | |
| 2.74 | Двигатель шаговый | N000-041-205 | 489.6 | |
| 2.77 | Элемент фильтрующий | N000-041-006 | 142.8 | |










