ЗУБР 7500 Вт, инверторный генератор с электростартером и розеткой АВР (СБИ-7500ЕА)
Мощный источник электроэнергии для электроснабжения торговых объектов, для работ на стройке или в качестве резервного электроснабжения летнего дома. Идеальное качество вырабатываемого тока позволяет использовать станцию для питания любых электронных устройств без стабилизатора.
Преимущества
- Современный 4-тактный двигатель ЗУБР - аналог HONDA
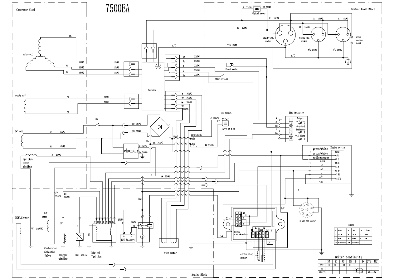
- Инверторный преобразователь обеспечивает высокую стабильность напряжения
- Разъем параллельной работы позволяет объединить мощность двух генераторов, даже разных моделей, без потерь мощности
- Электрический стартер и разъем
- автоматического запуска позволяют запустить
- двигатель поворотом ключа, или полностью
- автоматически при установке блока АВР
- Розетка 12 В и USB порты позволяют зарядить автомобильный аккумулятор или питать прочие потребители
- Защита при низком уровне масла
- Четырехтактный двигатель с раздельными системами питания и смазки
- Встроенная электронная защита цепей принудительно отключает станцию в случае короткого замыкания или превышения допустимой нагрузки
- Эко-режим оптимизирует потребление топлива в условиях сниженной нагрузки
- Пылезащищенные розетки 230 В, обеспечивают улучшенную защиту для работы на улице
- Большой топливный бак объемом 25 л со встроенным фильтром и индикатором уровня топлива
- Индикатор напряжения и счетчик моточасов 4 в 1 на передней панели - легко проверить стабильность тока и интервалы обслуживания
- Кабель с клеммами для зарядки автомобильных аккумуляторов в комплекте
- Демпферные подушки, снижают уровень шума и вибрации
- Медная обмотка альтернатора обеспечивает надежную работу при высокой нагрузке
Использование
Для обеспечения электрической энергией потребителей в отсутствии электрической сети, а также для использования в качестве резервного или аварийного источника электрической энергии
| Тип двигателя | бензиновый 4-тактный, с воздушным охлаждением |
| Габариты, см | 59×52×60 |
| Масса изделия, кг | 66 |
| Гарантия | 60 |
| Тип генератора | бензиновый инверторный, однофазный, постоянные магниты |
| Номинальная мощность, Вт | 7000 |
| Макс. мощность, Вт | 7500 |
| Номинальное вырабатываемое напряжение, В | 230 / 12 / 5 |
| Мощность двигателя, л.с. | 16 |
| Емкость топливного бака, л | 25 |
| Объем заправки масла, л | 1.1 |
| Стартер | ручной, электрический, автоматический |
| Вид топлива | бензин АИ-92 |
| Контроль напряжения | инверторный |
| Датчик уровня масла | есть |
| Индикатор уровня топлива | есть |
| Расход топлива, л/ч | 3.4 |
| Альтернатор | синхронный |
| Электронная защита | есть |
| Масса в упаковке | 70.5 |
| Объем двигателя, см³ | 460 |
| Тип упаковки | коробка картонная |
| Эл. выходы 5В/12В/230В/230В-32А, шт | 2/1/2/1 |
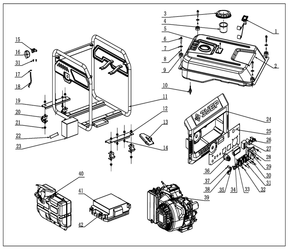
Схема сборки и запчасти ЗУБР 7500 Вт, инверторный генератор с электростартером и розеткой АВР (СБИ-7500ЕА)
| № | Наименование | Артикул | Цена | |
|---|---|---|---|---|
| 1.01 | Датчик топлива поплавковый. | N000-041-187 | - | |
| 1.02 | Бак топливный. | N000-041-163 | - | |
| 1.03 | Крышка топливного бака | N000-041-166 | - | |
| 1.04 | Фильтр топливный | N000-041-164 | - | |
| 1.09 | Виброгаситель | N000-041-160 | - | |
| 1.10 | Штуцер | N000-041-167 | - | |
| 1.11 | Рама | N000-041-015 | - | |
| 1.12 | Пластина монтажная двигателя правая | N000-041-171 | - | |
| 1.13 | Крепление глушителя | N000-041-132 | - | |
| 1.15 | Кран топливный | N000-041-165 | - | |
| 1.16 | Рукоятка топливного крана | N000-041-211 | - | |
| 1.18 | Топливная трубка | N000-041-157 | - | |
| 1.19 | Пластина монтажная двигателя левая | N000-041-256 | - | |
| 1.20 | Амортизаторы | N000-041-169 | 183.6 | |
| 1.22 | Батарея аккумуляторная | N000-041-198 | - | |
| 1.24 | Панель передняя | N000-041-176 | - | |
| 1.25 | Панель приборная | N000-041-019 | - | |
| 1.26 | Выход 12 вольт | N000-041-181 | - | |
| 1.27 | Выход USB | N000-041-179 | - | |
| 1.28 | Индикатор состояния питания | N000-041-177 | 663 | |
| 1.29 | Розетка (220В/32А) | N000-032-882 | - | |
| 1.32 | Розетка 220В/16А | N000-032-881 | 412.2 | |
| 1.33 | Порты параллельного соединения | N000-041-180 | - | |
| 1.34 | Вольтметр цифровой/счетчик моточасов | N000-041-186 | 1 275 | |
| 1.35 | ЭКО-переключатель | N000-041-173 | 153 | |
| 1.36 | Выключатель главный | N000-041-174 | 1 224 | |
| 1.37 | Кнопка сброса | N000-041-182 | - | |
| 1.38 | Разъем АВР | N000-041-178 | 571.2 | |
| 1.39 | ДВС в сборе | N000-041-012 | - | |
| 1.40 | Глушитель | N000-041-135 | - | |
| 1.41 | Инвертор | N000-041-203 | 21 226.2 | |
| 2.12 | Стартер ручной в сборе | N000-041-150 | 1 693.2 | |
| 2.16 | Храповик | N000-041-147 | 357 | |
| 2.17 | Крыльчатка | N000-041-144 | - | |
| 2.18 | Статор | N000-041-026 | - | |
| 2.19 | Сальник D52xd32x7 | N000-041-154 | 153 | |
| 2.21 | Магнето | N000-041-193 | 693.6 | |
| 2.25 | Прокладка болта слива масла | N000-041-031 | 102 | |
| 2.26 | Картер | N000-041-034 | - | |
| 2.28 | Датчик уровня масла поплавковый | N000-041-185 | 316.2 | |
| 2.30 | Регулятор оборотов центробежный | N000-033-047 | 282.96 | |
| 2.31 | Реле датчика масла | N000-041-189 | - | |
| 2.32 | Вал коленчатый | N000-041-087 | - | |
| 2.33 | Подшипник шариковый 6202 открытый (35х15х11) CCEB | N000-032-015 | 258.75 | |
| 2.34 | Прокладка картера | N000-041-029 | 163.2 | |
| 2.35 | Крышка маслозаливной горловины | N000-041-108 | - | |
| 2.36 | Крышка картера | N000-041-036 | - | |
| 2.40 | Фильтр воздушный в сборе | N000-041-128 | - | |
| 2.41 | Катушка зарядная | N000-041-338 | 397.8 | |
| 2.43 | Прокладка воздушного фильтра | N000-041-119 | 102 | |
| 2.44 | Карбюратор | N000-041-117 | 2 672.4 | |
| 2.45 | Прокладка карбюратора | N000-041-111 | 102 | |
| 2.46 | Теплозащита карбюратора | N000-041-114 | - | |
| 2.47 | Прокладка впуска | N000-041-123 | 102 | |
| 2.49 | ГБЦ | N000-041-067 | - | |
| 2.50 | Прокладка ГБЦ | N000-041-064 | 214.2 | |
| 2.51 | Клапан впускной | N000-041-057 | - | |
| 2.52 | Клапан выпускной | N000-041-061 | - | |
| 2.53 | Толкатель клапана | N000-041-094 | - | |
| 2.54 | Распредвал | N000-041-098 | - | |
| 2.55 | Патрубок | N000-041-125 | - | |
| 2.56 | Подпятник | N000-041-049 | - | |
| 2.57 | Тарелка пружины клапана | N000-041-053 | - | |
| 2.59 | Пружина клапана | N000-041-047 | - | |
| 2.60 | Свеча зажигания F7TC | N000-001-726-2 | 412.2 | |
| 2.62 | Клапанная крышка | N000-041-070 | - | |
| 2.63 | Прокладка клапанной крышки | N000-041-041 | 142.8 | |
| 2.64 | Гайка крепления клапанов | N000-041-103 | - | |
| 2.65 | Гайка настройки клапанов | N000-041-105 | - | |
| 2.66 | Коромысло | N000-041-102 | - | |
| 2.68 | Пластина ограничительная | N000-041-095 | - | |
| 2.69 | Колпачек маслосьемный | N000-041-044 | - | |
| 2.70 | Седло клапанной пружины | N000-041-050 | - | |
| 2.71 | Штанга | N000-041-091 | - | |
| 2.75 | Кольцо стопорное поршня | N000-041-081 | - | |
| 2.76 | Шатун | N000-041-073 | - | |
| 2.77 | Поршень | N000-041-076 | - | |
| 2.78 | Палец поршневой | N000-041-079 | - | |
| 2.79 | Кольца поршневые комплект (79-81) | N000-041-084 | - | |
| 2.82 | Трубка топливная | N000-041-155 | - | |
| 2.84 | Подшипник шариковый 6207 открытый (72х35х17) ZGMQ | N000-033-324 | 581.4 | |
| 2.85 | Вал балансировочный | N000-041-088 | - | |
| 2.86 | Стартер электрический в сборе с реле | N000-041-190 | 3 682.2 | |
| 2.87 | Реле стартера | N000-041-196 | - | |
| 2.90 | Ротор | N000-041-022 | - | |
| 2.91 | Элемент фильтрующий | N000-041-008 | 163.2 | |


