ЗУБР 2800 Вт, бензиновый генератор (СБ-2800)
Оптимальный по мощности генератор - может обеспечить практически любой потребитель в загородном доме во время перебоев с электроснабжением или служить дополнительным источником энергии при ограниченной мощности сети. Высокий ресурс, низкое потребление топлива и повышенная надежность - основные достоинства генераторов ЗУБР.
Преимущества
- Наиболее популярный генератор для загородного дома. Позволит обеспечить энергией нужных Вам потребителей или переждать отключение электричества без потери комфорта
- Двигатели ЗУБР производятся по японским технологиям и аналогичны легендарным двигателям HONDA ресурс всего генератора 1500 часов
- 4-тактный двигатель - простота использования и обслуживания, длительный срок службы, отличные экономические и экологические показатели
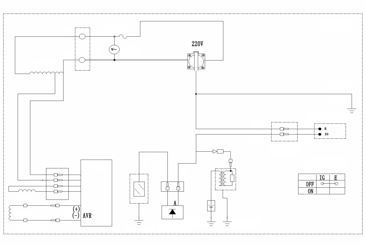
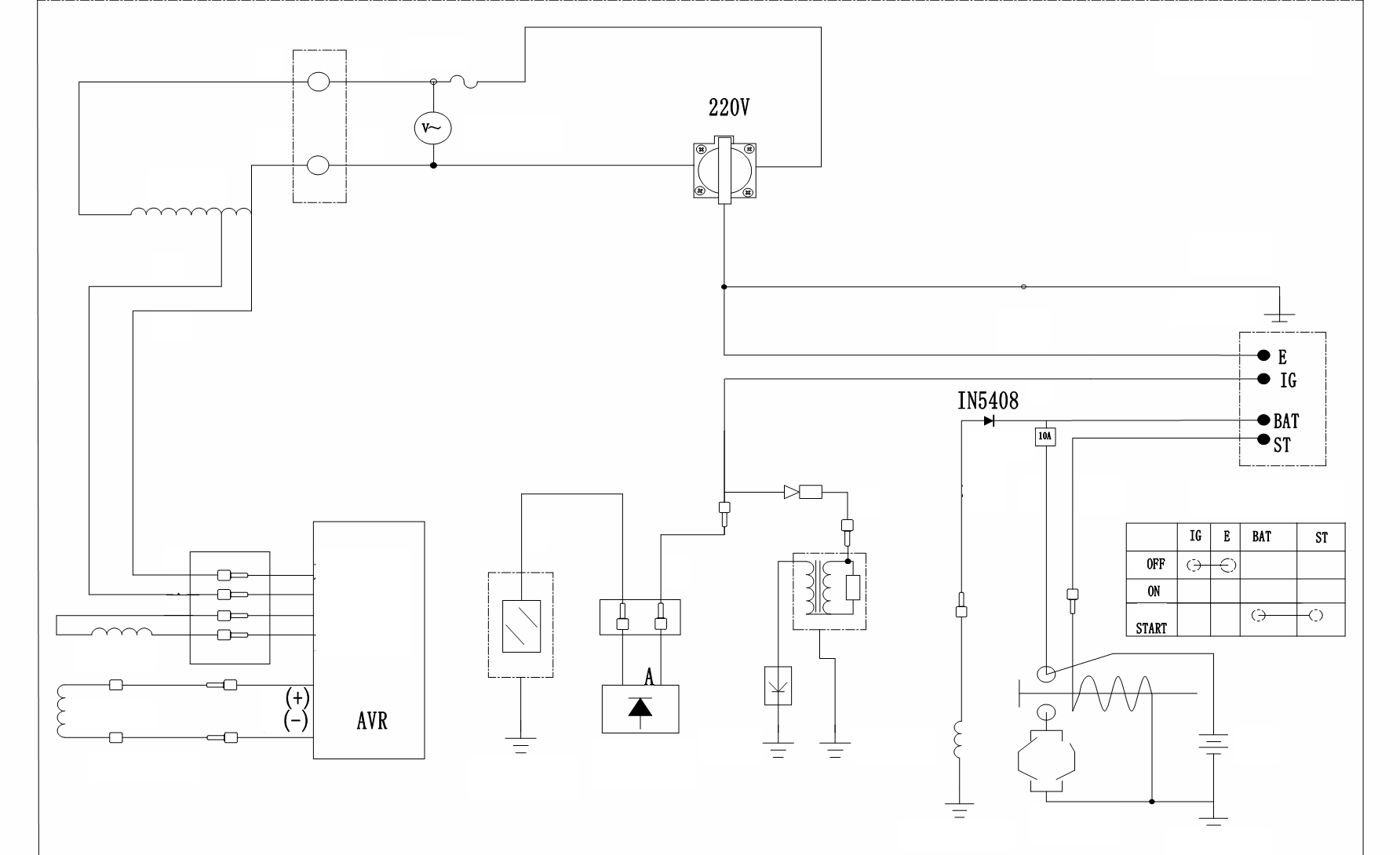
- Система поддержания параметров выходного напряжения (AVR) обеспечивает
- Раздельные системы питания и смазки избавляют от необходимости приготовления рабочей смеси
- Система контроля и блокировки работы при отсутствии или пониженном уровне масла
- Автоматические предохранители в каждой цепи защищают изделие и потребителей от перегрузок и коротких замыканий
Использование
Для обеспечения электрической энергией потребителей в отсутствии электрической сети, а также для использования в качестве резервного или аварийного источника электрической энергии
| Тип двигателя | бензиновый 4-тактный, с воздушным охлаждением |
| Габариты, см | 60x48x48 |
| Масса изделия, кг | 43 |
| Масса в упаковке, кг | 45 |
| Гарантия | 60 |
| Частота вращения, об/мин | 3000 |
| Тип генератора | бензиновый, однофазный, синхронный, щеточный |
| Номинальная мощность, Вт | 2500 |
| Макс. мощность, Вт | 2800 |
| Номинальное вырабатываемое напряжение, В | 220 |
| Мощность двигателя, л.с. | 7.5 |
| Емкость топливного бака, л | 15 |
| Объем заправки масла, л | 0.6 |
| Выход 12В | нет |
| Сила тока розеток 12/220/380 В, А | -/16/- |
| Стартер | ручной |
| Вид топлива | бензин АИ-92 |
| Автозапуск | нет |
| Контроль напряжения | AVR |
| Счетчик моточасов | нет |
| Датчик уровня масла | есть |
| Индикатор уровня топлива | есть |
| Колеса и ручки | нет |
| Норма расхода топлива, л/маш.-час | 1.8 |
| Эл. выходы 12В/220В/220В-32А, шт | -/1/- |
| Объем двигателя, см³ | 212 |
| Тип упаковки | коробка картонная |






