Инструмент [ЗАС-М3-220]

Инструмент [ЗАС-М3-220]
✅ В наличии
Цена:
по запросу
Авторизуйтесь и получите скидку 5% на этот товар!
Количество:
шт.
Запчасти к ЗАС-М3-220
Артикул: ЗАС-М3-220
Производитель: нет информации
Способ доставки
Москва Изменить
Самовывоз сегодня
бесплатно
В пункте выдачи от 1 дня
от 1 ₽
Доставим сегодня курьером
от 270 ₽

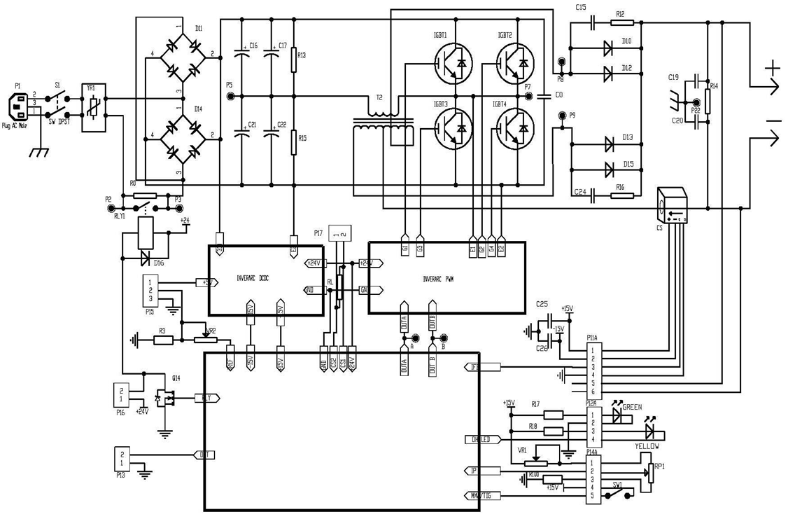
Схема сборки и запчасти Инструмент [ЗАС-М3-220]


Наименование Артикул Цена
1 Ручка (N000-002-258) N000-002-258 -
2 Корпус (N000-002-259) N000-002-259 -
3 Трансформатор (V000-000-120) V000-000-120 -
4 Основание (N000-002-261) N000-002-261 -
5 Ремень плечевой (N000-002-262) N000-002-262 -
6 Выключатель с индикатором (V000-000-143) V000-000-143 294.9
7 Вентилятор WX12038 DC24V (N000-002-105) N000-002-105 1 291.66
8 Регулятор напряжения (V000-000-162) V000-000-162 217.86
9 Рукоятка потенциометра (N000-002-107) N000-002-107 102
10 Термозащита (V000-000-219) V000-000-219 -
11 Транзистор (V000-000-220) V000-000-220 -
12 Мост диодный GBPC3510 (35А) (V000-000-147) V000-000-147 399.84
13 Термостат KSD303 250V 10A 85° (V000-000-166) V000-000-166 179.42
14 Радиатор охлаждения (N000-002-019) N000-002-019 -
15 Крепление радиатора (N000-002-113) N000-002-113 103.05
16 Датчик тока HGC100BR 100A/4V (N000-002-114) N000-002-114 1 106.11
17 Шина выходная (N000-002-115) N000-002-115 432.35
18 Диод MM60FU030 (N000-019-387) N000-019-387 225.86
19 Конденсатор (К50-35), 1500 мкФ, 200 В электролитический (V000-000-224-2) V000-000-224-2 1 030.52
19 Конденсатор (V000-000-224) V000-000-224 -
20 Плата в сборе (N000-002-071) N000-002-071 7 213.61
22 Индикатор светодиодный (N000-002-279) N000-002-279 -
23 Коннектор сварочного кабеля 20-10 (N000-002-255-2) N000-002-255-2 -
24 Опора резиновая (U529-900-082) U529-900-082 103.05
25 Решётка вентилятора (N000-002-282) N000-002-282 -
26 Панель передняя (N000-002-121) N000-002-121 683.05
27 Кабель сварочный с держателем электрода (N000-014-412) N000-014-412 -
28 Кабель заземления с зажимом (N000-014-413) N000-014-413 -
29 Кабель электрододержатель 22.5MM2х1.8M (N000-020-121) N000-020-121 -
30 Кабель земли 22.5мм2 1.2м (N000-020-122) N000-020-122 -
Авторизация
У вас нет аккаунта? Зарегистрироваться
Укажите логин, E-mail или номер телефона, которые вы использовали при регистрации.