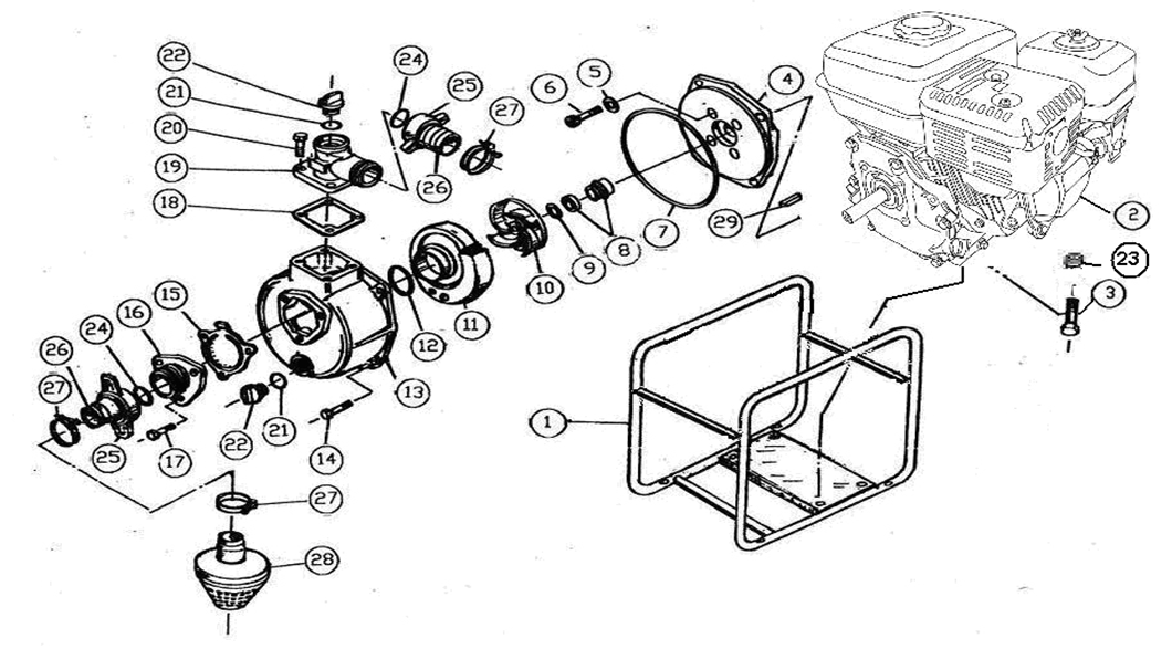
| 1 | Рама (N000-001-461) | N000-001-461 | - | |
| 01-1 | Пробка слива масла (U592-150-084) | U592-150-084 | - | |
| 01-2 | Прокладка сливной пробки (U592-150-085) | U592-150-085 | - | |
| 01-3 | Сальник D41.25xd25x6 (пара) (U592-250-096-W) | U592-250-096-W | 297.26 | |
| 01-4 | Подшипник шариковый 6205 (52х25х15) (U009-620-500) | U009-620-500 | 795.6 | |
| 01-5 | Блок цилиндра (U592-250-098) | U592-250-098 | 5 010.37 | |
| 01-6 | Рычаг регулятора оборотов (U592-250-116) | U592-250-116 | - | |
| 01-7 | Шайба D6 (UM04-000-004) | UM04-000-004 | 103.05 | |
| 01-8 | Шплинт (U592-250-115) | U592-250-115 | - | |
| 01-10 | Датчик уровня масла поплавковый (U592-250-099) | U592-250-099 | 450.37 | |
| 01-11 | Болт M6х18 (UM03-002-005) | UM03-002-005 | - | |
| 01-12 | Ось блока регулятора (U592-250-103) | U592-250-103 | 102 | |
| 01-14 | Штифт (U592-250-102) | U592-250-102 | - | |
| 2 | Двигатель внутреннего сгорания (N000-001-462) | N000-001-462 | - | |
| 02-1 | Крышка-щуп маслозаливной горловины в сборе (N000-001-696) | N000-001-696 | 102 | |
| 02-2 | Крышка-щуп маслозаливной горловины (N000-001-695) | N000-001-695 | - | |
| 02-3 | Кольцо уплотнительное 14х20х30 (N000-001-690) | N000-001-690 | 104.04 | |
| 02-4 | Крышка картера (N000-001-691) | N000-001-691 | - | |
| 02-6 | Прокладка крышки картера (N000-001-693) | N000-001-693 | 308.04 | |
| 02-7 | Штифт установочный (N000-001-694) | N000-001-694 | - | |
| 3 | Болт M8х43 (UM03-002-026) | UM03-002-026 | - | |
| 03-1 | Кольцо компрессионное D68 x d63 x H1,5 (U592-250-163) | U592-250-163 | 287.33 | |
| 03-2 | Кольца поршневое+маслосъемное (комплект) (U592-250-164) | U592-250-164 | 512.61 | |
| 03-5 | Кольцо маслосъемное в сборе (U592-250-165) | U592-250-165 | 319.26 | |
| 03-6 | Набор поршневых колец (U592-250-152) | U592-250-152 | 383.09 | |
| 03-7 | Кольцо стопорное разрезное (U592-250-154) | U592-250-154 | - | |
| 03-8 | Поршень (U592-250-153) | U592-250-153 | 638.5 | |
| 03-9 | Палец поршневой D18х54 (U592-250-155) | U592-250-155 | 159.63 | |
| 03-10 | Шатун верхняя часть (N000-001-528) | N000-001-528 | - | |
| 03-11 | Шатун нижняя часть (N000-001-529) | N000-001-529 | - | |
| 03-12 | Болт (N000-001-530) | N000-001-530 | - | |
| 03-13 | Шатун в сборе (U592-250-156) | U592-250-156 | 957.76 | |
| 03-14 | Шпонка сегментная 4х7.5х18 (U592-250-157) | U592-250-157 | - | |
| 03-15 | Шестерня (N000-001-533) | N000-001-533 | - | |
| 03-16 | Вал коленчатый (N000-001-534) | N000-001-534 | - | |
| 03-17 | Шестерня (N000-001-535) | N000-001-535 | - | |
| 03-18 | Коленвал в сборе (N000-001-536) | N000-001-536 | 3 224.41 | |
| 4 | Крышка насоса (N000-001-464) | N000-001-464 | - | |
| 04-2 | Трубка сапуна (N000-001-718) | N000-001-718 | - | |
| 04-4 | Кожух (N000-001-720) | N000-001-720 | 618.31 | |
| 04-5 | Шпилька М6х110 (N000-001-721) | N000-001-721 | - | |
| 04-6 | Штифт установочный (U592-250-121) | U592-250-121 | - | |
| 04-7 | Прокладка головки цилиндра металлоасбестовая (U592-250-130) | U592-250-130 | 255.41 | |
| 04-8 | Головка блока цилиндра (U592-250-129) | U592-250-129 | - | |
| 04-9 | Шпилька М8х37 (U592-150-028) | U592-150-028 | - | |
| 04-10 | Свеча зажигания F7TC (N000-001-726-2) | N000-001-726-2 | 412.2 | |
| 04-10 | Свеча зажигания F7TC (N000-001-726) | N000-001-726 | 382.92 | |
| 04-13 | Болт M6х15 (UM03-002-023) | UM03-002-023 | - | |
| 04-14 | Прокладка клапанной крышки паронитовая (N000-001-730) | N000-001-730 | 102 | |
| 04-15 | Крышка клапанная (N000-001-731) | N000-001-731 | - | |
| 5 | Шайба пластиковая d8D16h2 (N000-001-645) | N000-001-645 | - | |
| 05-1 | Гайка М6х0,75 (N000-001-732) | N000-001-732 | - | |
| 05-2 | Гайка регулировочная М6х0.75 (N000-001-733) | N000-001-733 | - | |
| 05-3 | Коромысло (U592-250-147) | U592-250-147 | 207.52 | |
| 05-4 | Шпилька M6х0.75-М8 (N000-001-735) | N000-001-735 | - | |
| 05-5 | Коромысло клапана в сборе (N000-001-556) | N000-001-556 | - | |
| 05-6 | Направляющая штанг (U592-250-149) | U592-250-149 | 102 | |
| 05-7 | Штанга толкателя (пара) (U592-250-150-W) | U592-250-150-W | 159.63 | |
| 05-8 | Толкатель (пара) (U592-250-133-W) | U592-250-133-W | 319.26 | |
| 05-9 | Пружина (N000-001-560) | N000-001-560 | - | |
| 05-10 | Распредвал (U592-250-135) | U592-250-135 | 1 889.95 | |
| 05-11 | Клапан выпускной (U592-250-132) | U592-250-132 | 638.5 | |
| 05-12 | Клапан впускной (U592-250-131) | U592-250-131 | 510.8 | |
| 05-13 | Пружина клапана (U592-250-137) | U592-250-137 | 159.63 | |
| 05-14 | Тарелка впускного клапана (U592-250-139) | U592-250-139 | 238.68 | |
| 05-15 | Тарелка выпускного клапана (U592-250-138) | U592-250-138 | 238.68 | |
| 05-16 | Подпятник (U592-250-141) | U592-250-141 | 102 | |
| 6 | Болт M8х54 (UM03-002-013) | UM03-002-013 | - | |
| 06-2 | Пластина стальная (N000-001-749) | N000-001-749 | - | |
| 06-4 | Кожух маховика (N000-001-751) | N000-001-751 | 990.82 | |
| 06-6 | Выключатель зажигания (V000-000-110) | V000-000-110 | 223.47 | |
| 06-7 | Корпус стартера (N000-001-573) | N000-001-573 | - | |
| 06-8 | Пружина кручения (N000-001-574) | N000-001-574 | - | |
| 06-9 | Пружина кручения (N000-001-575) | N000-001-575 | - | |
| 06-10 | Храповик (N000-001-576) | N000-001-576 | - | |
| 06-11 | Пружина сжатия (N000-001-577) | N000-001-577 | - | |
| 06-12 | Направляющая храпового механизма (N000-001-578) | N000-001-578 | - | |
| 06-13 | Болт специальный (N000-001-579) | N000-001-579 | - | |
| 06-14 | Шкив стартера (N000-001-580) | N000-001-580 | - | |
| 06-15 | Шнур стартера (N000-001-581) | N000-001-581 | - | |
| 06-16 | Рукоятка стартера (N000-001-582) | N000-001-582 | - | |
| 06-17 | Стартер ручной в сборе D175x36 (U592-250-089-C) | U592-250-089-C | 1 596.24 | |
| 06-19 | Блок электронный датчика уровня (U592-150-159) | U592-150-159 | 351.17 | |
| 7 | Кольцо уплотнительное 218х224х30 (N000-001-467) | N000-001-467 | 270.21 | |
| 07-1 | Гайка (N000-001-586) | N000-001-586 | - | |
| 07-2 | Рычаг (N000-001-587) | N000-001-587 | - | |
| 07-3 | Шайба (N000-001-588) | N000-001-588 | 103.05 | |
| 07-4 | Рукоятка (N000-001-589) | N000-001-589 | - | |
| 07-5 | Шайба (N000-001-590) | N000-001-590 | 103.05 | |
| 07-6 | Винт (N000-001-591) | N000-001-591 | - | |
| 07-7 | Пружина (N000-001-592) | N000-001-592 | - | |
| 07-8 | Пластина (N000-001-593) | N000-001-593 | - | |
| 07-10 | Пружина регулятора оборотов (U592-250-113) | U592-250-113 | 104.04 | |
| 07-11 | Пружина дроссельной заслонки (U592-250-112) | U592-250-112 | 104.04 | |
| 07-12 | Тяга дроссельной заслонки (N000-001-777) | N000-001-777 | 102 | |
| 07-13 | Болт M6 специальный (U592-250-118) | U592-250-118 | - | |
| 07-14 | Кулиса регулятора оборотов (N000-001-779) | N000-001-779 | 110.1 | |
| 07-15 | Гайка M6 (UM05-000-003) | UM05-000-003 | 138.4 | |
| 07-16 | Узел настройки оборотов (N000-001-781) | N000-001-781 | 191.55 | |
| 8 | Сальник керамический в сборе D35xd20.5xН5 (N000-001-648) | N000-001-648 | 964.13 | |
| 08-1 | Болт M6х31 (UM03-002-010) | UM03-002-010 | - | |
| 08-2 | Провод низкого напряжения (N000-001-603) | N000-001-603 | - | |
| 08-3 | Магнето H=68 h=58 d=28.5 L=170 (V000-000-105) | V000-000-105 | 882.72 | |
| 08-4 | Колпачек свечи зажигания (N000-001-604) | N000-001-604 | - | |
| 08-5 | Магнето H=68 h=58 d=31.5 L=170 (V000-000-112) | V000-000-112 | 957.76 | |
| 08-6 | Гайка М14х1,5 с прессшайбой (U592-250-091) | U592-250-091 | - | |
| 08-7 | Чашка-храповик (U592-250-092) | U592-250-092 | 1 387.14 | |
| 08-8 | Крыльчатка (N000-001-787) | N000-001-787 | 252.21 | |
| 08-9 | Маховик (N000-001-788) | N000-001-788 | 1 401.14 | |
| 09-1 | Гайка-барашек M6 (UM05-006-001) | UM05-006-001 | 103.05 | |
| 09-2 | Крышка воздушного фильтра (N000-001-790) | N000-001-790 | 415.02 | |
| 09-3 | Элемент фильтрующий 125x92x28 ППУ с отверстием в центре (N000-001-791) | N000-001-791 | 175.6 | |
| 09-4 | Прокладка D44хd32хh4.5 (N000-001-792) | N000-001-792 | - | |
| 09-5 | Гайка М6 (с шайбой с насечкой) (UM05-005-003) | UM05-005-003 | - | |
| 09-6 | Корпус воздушного фильтра (N000-001-794) | N000-001-794 | 478.87 | |
| 09-7 | Саморез 4x12 PH2 (UM02-000-018) | UM02-000-018 | 103.05 | |
| 09-8 | Пластина пластиковая (N000-001-796) | N000-001-796 | - | |
| 10 | Колесо рабочее D118x42 (N000-001-470) | N000-001-470 | 1 213.14 | |
| 10-1 | Винт M5x11 PH2 #F (UM01-000-064) | UM01-000-064 | 103.05 | |
| 10-2 | Кожух глушителя (N000-001-800) | N000-001-800 | - | |
| 10-3 | Искрогаситель (N000-001-621) | N000-001-621 | - | |
| 10-5 | Глушитель (N000-001-803) | N000-001-803 | 1 117.37 | |
| 10-7 | Прокладка глушителя металлоасбестовая (U592-250-042) | U592-250-042 | 127.7 | |
| 11 | Аппарат направляющий со спиральным отводами (N000-001-471) | N000-001-471 | 2 702.21 | |
| 11-1 | Хомут топливопровода (U592-150-038) | U592-150-038 | - | |
| 11-2 | Топливопровод (N000-001-807) | N000-001-807 | - | |
| 11-3 | Болт M6х25 (UM03-002-003) | UM03-002-003 | - | |
| 11-4 | Штуцер (N000-001-809) | N000-001-809 | - | |
| 11-5 | Прокладка резиновая d10D14h3 (U592-150-061) | U592-150-061 | - | |
| 11-7 | Втулка заливной горловины бака (N000-001-812) | N000-001-812 | 102 | |
| 11-8 | Прокладка крышки топливного бака (N000-001-813) | N000-001-813 | - | |
| 11-9 | Крышка топливного бака (N000-001-814) | N000-001-814 | 207.52 | |
| 11-10 | Бензобак (N000-001-815) | N000-001-815 | 4 718.5 | |
| 12 | Кольцо уплотнительное 48х60х60 (N000-001-472) | N000-001-472 | 197.93 | |
| 12-1 | Прокладка теплоизолятора паронитовая (U592-250-128) | U592-250-128 | 159.63 | |
| 12-2 | Теплоизолятор (U592-250-127) | U592-250-127 | 271.37 | |
| 12-3 | Прокладка карбюратора паронитовая (U592-250-126) | U592-250-126 | 159.63 | |
| 12-4 | Карбюратор (N000-001-639) | N000-001-639 | 2 011.27 | |
| 12-5 | Прокладка карбюратора стальная обрезиненная (N000-001-820) | N000-001-820 | 102 | |
| 13 | Корпус насоса (N000-001-473) | N000-001-473 | 4 539.72 | |
| 14 | Болт M8х40 (UM03-002-027) | UM03-002-027 | - | |
| 15 | Клапан обратный (N000-001-475) | N000-001-475 | 478.87 | |
| 16 | Фланец патрубка всасывающего (N000-001-476) | N000-001-476 | 307.32 | |
| 17 | Болт M8х32 (UM03-002-015) | UM03-002-015 | - | |
| 18 | Прокладка (N000-001-478) | N000-001-478 | - | |
| 19 | Патрубок нагнетающий (N000-001-479) | N000-001-479 | - | |
| 21 | Кольцо уплотнительное D26хd33хh3.5 (N000-001-661) | N000-001-661 | 102 | |
| 22 | Пробка сливная-заливная (N000-001-662) | N000-001-662 | 103.05 | |
| 23 | Гайка М8 (UM05-005-002) | UM05-005-002 | - | |
| 24 | Прокладка d45D57h3 (N000-001-484) | N000-001-484 | - | |
| 25 | Гайка накидная (N000-001-485) | N000-001-485 | 264.91 | |
| 26 | Штуцер елочка (N000-001-486) | N000-001-486 | 254.34 | |
| 27 | Хомут (N000-001-487) | N000-001-487 | - | |
| 28 | Фильтр воды сетчатый входной (N000-001-488) | N000-001-488 | 351.3 | |
| б/н | Шпилька M6х10-М6х25 L63 (N000-005-317) | N000-005-317 | - | |
| б/н | Шайба-гровер D8 (UM04-001-005) | UM04-001-005 | 103.05 | |
| б/н | Проставка пластиковая (N000-005-321) | N000-005-321 | - | |
| б/н | Прокладка коническая d38D48h3 (N000-005-320) | N000-005-320 | - | |
| б/н | Опора резиновая (N000-005-316) | N000-005-316 | - | |
| б/н | Фильтр заливной горловины бака (N000-005-324) | N000-005-324 | - | |
| б/н | Пластина стальная (N000-005-319) | N000-005-319 | - | |
| б/н | Шпилька M6х10-М6х20 L55 (N000-005-326) | N000-005-326 | - | |
| б/н | Фланец дистанционный (N000-005-318) | N000-005-318 | - | |
| б/н | Болт M8х26 (UM03-002-002) | UM03-002-002 | 103.05 | |
| б/н | Гайка колпачковая М6 (UM05-007-003) | UM05-007-003 | - | |