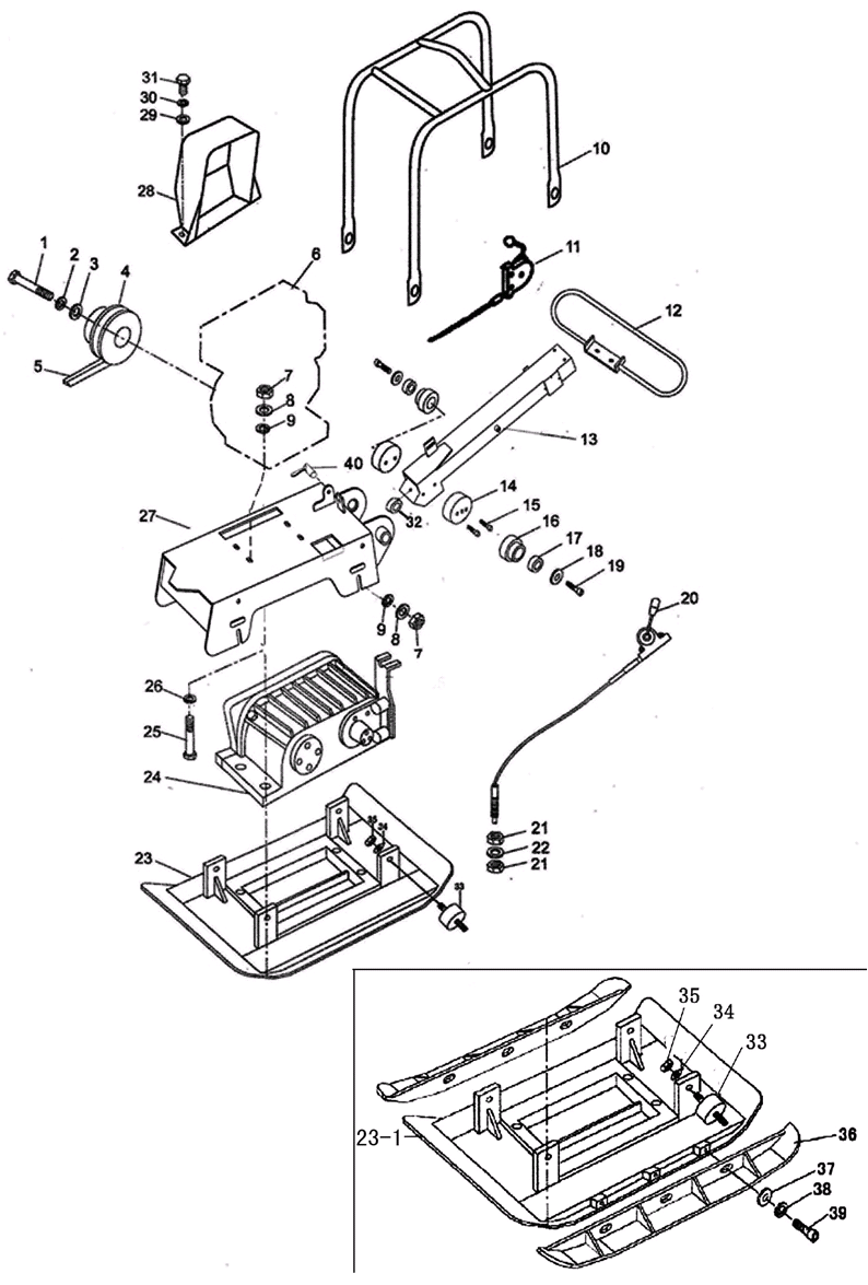
| 1.1 | Болт M8x30 Hex (N000-008-739) | N000-008-739 | - | |
| 1.2 | Шайба гровер D8 (N000-013-932) | N000-013-932 | 102 | |
| 1.3 | Шайба D8 (N000-020-872) | N000-020-872 | 103.05 | |
| 1.4 | Сцепление в сборе (ведущий шкив) D140x56 (N000-008-742) | N000-008-742 | 11 252.29 | |
| 1.5 | Ремень клиновой зубчатый 17x838Li (N000-008-743) | N000-008-743 | 1 377.44 | |
| 1.6 | Двигатель ДВС (N000-008-740) | N000-008-740 | - | |
| 1.7 | Гайка M16 (N000-008-741) | N000-008-741 | - | |
| 1.9 | Шайба D16 (N000-018-501) | N000-018-501 | - | |
| 1.10 | Рама защитная (N000-008-744) | N000-008-744 | - | |
| 1.11 | Рычаг газа в сборе с тросиком (N000-008-745) | N000-008-745 | - | |
| 1.11-1 | Рычаг газа (дросселя) 80x80x18 L1050 (N000-008-749) | N000-008-749 | 4 520.31 | |
| 1.11-2 | Трос газа (дросселя) L1700x1.5 (N000-008-751) | N000-008-751 | 2 425.05 | |
| 1.12 | Ручка (N000-008-746) | N000-008-746 | - | |
| 1.13 | Основание рукоятки (N000-008-747) | N000-008-747 | - | |
| 1.14 | Элемент виброгасящий основания рукоятки (N000-008-748) | N000-008-748 | 3 439.17 | |
| 1.15 | Болт M8x20 Hex (N000-008-750) | N000-008-750 | - | |
| 1.16 | Втулка (N000-008-752) | N000-008-752 | - | |
| 1.17 | Ось втулки (N000-008-753) | N000-008-753 | - | |
| 1.18 | Шайба D12 (N000-009-434) | N000-009-434 | 102 | |
| 1.19 | Болт M12x55 Hex (N000-008-754) | N000-008-754 | - | |
| 1.20 | Трос реверса в сборе D35xd15xL1030 (N000-008-761) | N000-008-761 | - | |
| 1.20-1 | Трос управления реверсом D35xd15xL1030 (N000-008-759) | N000-008-759 | 4 830.74 | |
| 1.22 | Шайба (N000-008-756) | N000-008-756 | - | |
| 1.23 | Основание (N000-008-757) | N000-008-757 | - | |
| 1.24 | Вибратор в сборе (N000-008-758) | N000-008-758 | 82 441.23 | |
| 1.25 | Болт M16x60 Hex (N000-008-760) | N000-008-760 | - | |
| 1.27 | Плита верхняя (N000-008-762) | N000-008-762 | - | |
| 1.28 | Кожух ремня (N000-008-763) | N000-008-763 | - | |
| 1.31 | Болт M8x16 (N000-020-429) | N000-020-429 | - | |
| 1.32 | Шайба резиновая (N000-008-764) | N000-008-764 | - | |
| 1.33 | Виброзащита 105x75x50 (N000-008-772) | N000-008-772 | 3 298.1 | |
| 1.35 | Гайка M12 (N000-008-765) | N000-008-765 | - | |
| 1.38 | Шайба гровера D16 (N000-008-766) | N000-008-766 | - | |
| 1.39 | Болт M16x45 Hex (N000-008-767) | N000-008-767 | - | |
| 1.40 | Ручка (N000-008-768) | N000-008-768 | - | |
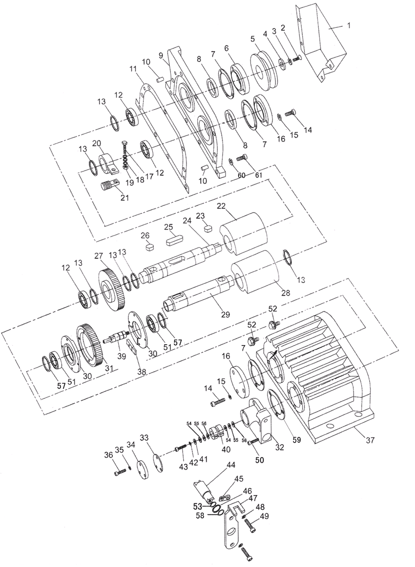
| 2.1 | Кожух (N000-008-769) | N000-008-769 | - | |
| 2.2 | Болт M8х20 (N000-011-773) | N000-011-773 | - | |
| 2.5 | Шкив ведомый D135х35 (N000-008-782) | N000-008-782 | 4 233.48 | |
| 2.6 | Крышка подшипника (N000-008-770) | N000-008-770 | 1 765.46 | |
| 2.7 | Шайба (N000-008-771) | N000-008-771 | - | |
| 2.8 | Сальник D50xd28x10 (N000-008-773) | N000-008-773 | 864.72 | |
| 2.9 | Крышка корпуса вибратора (N000-008-774) | N000-008-774 | - | |
| 2.10 | Штифт D8 (N000-008-775) | N000-008-775 | - | |
| 2.11 | Прокладка (N000-008-776) | N000-008-776 | - | |
| 2.12 | Подшипник эксцентрика NJ206 (62х30х16) (N000-008-790) | N000-008-790 | 4 869.53 | |
| 2.13 | Шайба стопорная D42 (N000-008-777) | N000-008-777 | 55.18 | |
| 2.16 | Крышка подшипника (N000-008-778) | N000-008-778 | 1 765.46 | |
| 2.17 | Болт M10x65 (N000-008-779) | N000-008-779 | - | |
| 2.18 | Фиксатор пружинный (N000-008-780) | N000-008-780 | - | |
| 2.19 | Гайка M10 (N000-008-781) | N000-008-781 | - | |
| 2.20 | Фиксатор (N000-008-783) | N000-008-783 | - | |
| 2.21 | Винт M20 специальный (N000-008-784) | N000-008-784 | 859.1 | |
| 2.22 | Эксцентрик 1 (N000-008-785) | N000-008-785 | - | |
| 2.23 | Шпонка 8x20 (N000-008-786) | N000-008-786 | 111.07 | |
| 2.24 | Вал 1 (N000-008-787) | N000-008-787 | 5 997.6 | |
| 2.25 | Шпонка 12x50 (N000-008-788) | N000-008-788 | - | |
| 2.26 | Шпонка 12х20 (N000-008-789) | N000-008-789 | - | |
| 2.27 | Шестерня первичная D125х30 Z60 (N000-008-805) | N000-008-805 | 5 781.36 | |
| 2.28 | Эксцентрик 2 (N000-008-791) | N000-008-791 | - | |
| 2.29 | Вал 2 (N000-008-792) | N000-008-792 | - | |
| 2.30 | Шайба реверса (N000-008-793) | N000-008-793 | - | |
| 2.31 | Шестерня ведомая D125x25 Z60 (N000-008-809) | N000-008-809 | 5 781.36 | |
| 2.32 | Цилиндр (N000-008-794) | N000-008-794 | - | |
| 2.33 | Шайба (N000-008-795) | N000-008-795 | - | |
| 2.34 | Крышка цилиндра (N000-008-796) | N000-008-796 | - | |
| 2.35 | Шайба гровер D6 (N000-013-921) | N000-013-921 | - | |
| 2.36 | Болт M6x20 (N000-013-048) | N000-013-048 | - | |
| 2.37 | Корпус вибратора (N000-008-797) | N000-008-797 | - | |
| 2.38 | Ограничитель (N000-008-798) | N000-008-798 | - | |
| 2.39 | Вал регулирующий (N000-008-799) | N000-008-799 | 1 071.88 | |
| 2.40 | Кольцо (N000-008-800) | N000-008-800 | - | |
| 2.41 | Шайба D32хd5х2.5 (N000-008-801) | N000-008-801 | - | |
| 2.42 | Шайба гровер D5 (N000-013-878) | N000-013-878 | - | |
| 2.43 | Болт M5x16 (N000-008-802) | N000-008-802 | - | |
| 2.44 | Вращатель (N000-008-803) | N000-008-803 | - | |
| 2.45 | Рычаг (N000-008-804) | N000-008-804 | - | |
| 2.46 | Сальник D30xd20x6 (N000-008-806) | N000-008-806 | - | |
| 2.47 | Фиксатор (N000-008-807) | N000-008-807 | - | |
| 2.48 | Шайба-гровер D10 (N000-018-207) | N000-018-207 | - | |
| 2.49 | Болт M10x25 (N000-008-357) | N000-008-357 | - | |
| 2.50 | Болт M8x25 (N000-008-173) | N000-008-173 | - | |
| 2.51 | Подшипник шариковый 16008 открытый (68х40х9) n/n (N000-008-808) | N000-008-808 | 1 981.63 | |
| 2.52 | Пробка маслозаливной горловины M14x1.5 (N000-008-810) | N000-008-810 | - | |
| 2.53 | Кольцо уплотнительное (N000-008-811) | N000-008-811 | - | |
| 2.54 | Шайба скольжения (N000-008-812) | N000-008-812 | - | |
| 2.57 | Кольцо стопорное D40 (N000-008-813) | N000-008-813 | - | |
| 2.58 | Шайба пружинная D30 (N000-008-814) | N000-008-814 | - | |
| 2.59 | Прокладка (N000-008-815) | N000-008-815 | - | |
| 2.60 | Шайба D10 (N000-008-816) | N000-008-816 | - | |
| 2.61 | Болт M10x30 (N000-008-817) | N000-008-817 | - | |