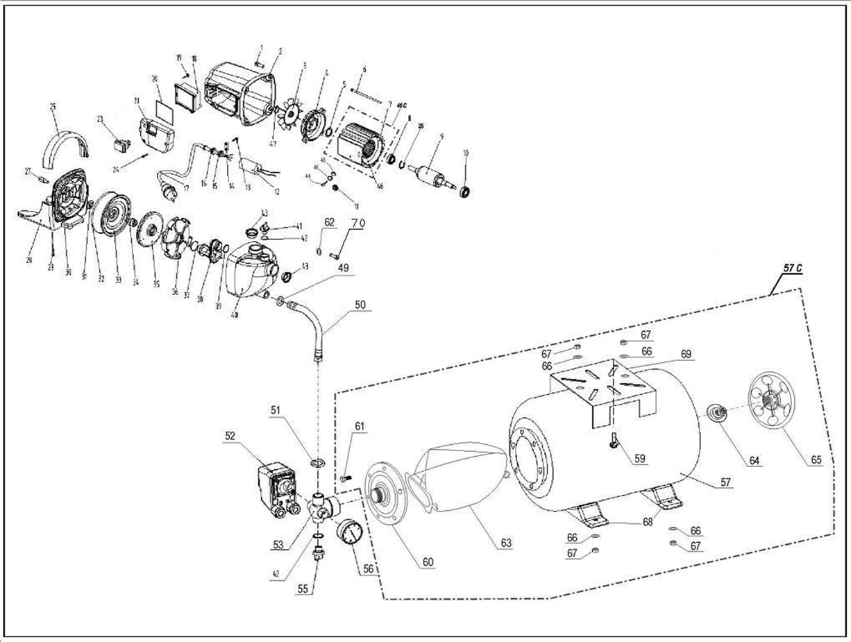
| 1 | Винт M8x20 H6 (UM01-000-192) | UM01-000-192 | - | |
| 2 | Кожух двигателя (U537-800-002) | U537-800-002 | 198.17 | |
| 3 | Крыльчатка (U455-800-003) | U455-800-003 | 309.15 | |
| 4 | Крышка корпуса статора (U457-800-004) | U457-800-004 | 515.25 | |
| 5 | Кольцо пружинное D23 (U455-800-005) | U455-800-005 | - | |
| 6 | Болт M5x150 #F (UM03-000-004) | UM03-000-004 | 103.05 | |
| 8 | Подшипник шариковый 6201-2RS (32х12х10) n/n (U009-620-1RS) | U009-620-1RS | 206.1 | |
| 9 | Ротор (U455-100-010) | U455-100-010 | 3 915.96 | |
| 10 | Подшипник шариковый 6202-2RS (35x15x11) n/n (U009-620-2RS) | U009-620-2RS | 206.1 | |
| 11 | Воротник шнура резиновый #F (U455-800-012) | U455-800-012 | 206.1 | |
| 12 | Конденсатор 20,0мкфх450в (U455-100-013-2) | U455-100-013-2 | - | |
| 13 | Саморез 4x18 PH2 (UM02-000-027) | UM02-000-027 | 103.05 | |
| 14 | Прижим шнура (U455-800-015) | U455-800-015 | - | |
| 15 | Воротник шнура малый #F (U098-004-012-1) | U098-004-012-1 | 105.36 | |
| 16 | Воротник шнура #F (U098-004-012) | U098-004-012 | 103.05 | |
| 17 | Шнур сетевой резин. 3х1,0мм 1,5м #F (U099-004-010-1) | U099-004-010-1 | 515.25 | |
| 18 | Крышка выключателя прозрачная (U457-800-018) | U457-800-018 | 103.05 | |
| 20 | Уплотнение (U457-800-020) | U457-800-020 | 103.05 | |
| 21 | Корпус выключателя (U537-800-021) | U537-800-021 | - | |
| 23 | Выключатель KND2-12/2 12(10)A 250V~ IP55 5E4 T85/55 (U535-600-022) | U535-600-022 | 702.34 | |
| 24 | Саморез 3x22 PH1 #F (UM02-000-069) | UM02-000-069 | - | |
| 25 | Скоба (U457-800-025) | U457-800-025 | 206.1 | |
| 26 | Кольцо разжимное D15 #F (UM06-001-008) | UM06-001-008 | 103.05 | |
| 27 | Вставка M8 (U457-100-027) | U457-100-027 | 103.05 | |
| 28 | Основание (U455-800-027) | U455-800-027 | 309.15 | |
| 29 | Саморез 4х115 РН2 (UM02-000-137) | UM02-000-137 | - | |
| 30 | Промщит 168x162x43 (U535-600-029) | U535-600-029 | 952 | |
| 31 | Кольцо брызгозащитное (U455-800-030) | U455-800-030 | 103.05 | |
| 32 | Кольцо уплотнительное D149xd142xd3.5 (U455-800-031) | U455-800-031 | 102 | |
| 33 | Пластина изолирующая D147.3xd13.5 (U535-600-032) | U535-600-032 | 369.24 | |
| 34 | Сальник керамический в сборе D26xd14xН5 (U452-752-044) | U452-752-044 | 301.42 | |
| 35 | Крыльчатка насоса D120x22 мм (U455-100-034) | U455-100-034 | 272.9 | |
| 36 | Крышка крыльчатки D142x25 (U455-800-035) | U455-800-035 | 279.89 | |
| 37 | Кольцо уплотнительное D36xd32x2,5 мм (U455-800-036) | U455-800-036 | 206.1 | |
| 38 | Трубка Вентури D8.5 (тип2) 85x88x56 (U455-800-037) | U455-800-037 | 159.12 | |
| 39 | Кольцо уплотнительное D28 (U455-800-038) | U455-800-038 | 105.37 | |
| 40 | Корпус насоса 190x163xh142 мм (U455-800-039) | U455-800-039 | 1 315.8 | |
| 41 | Ручка-клапан (U455-800-042) | U455-800-042 | 110 | |
| 42 | Кольцо уплотнительное D14 (U455-800-043) | U455-800-043 | 103.05 | |
| 43 | Заглушка (U455-800-044) | U455-800-044 | 103.05 | |
| 44 | Винт M4x10 (UM01-000-012) | UM01-000-012 | 103.05 | |
| 45 | Шайба-гровер D4 (UM04-001-002) | UM04-001-002 | 103.05 | |
| 46С | Статор в сборе (U455-100-008-C) | U455-100-008-C | 3 091.55 | |
| 47 | Кольцо стопорное D11 разжимное (UM06-001-004) | UM06-001-004 | 104.04 | |
| 48 | Шайба стопорная D4 (UM04-003-001) | UM04-003-001 | 103.05 | |
| 49 | Кольцо уплотнительное D14 (U457-800-049) | U457-800-049 | 103.05 | |
| 50 | Подводка гибкая с гайкой штуцером 1/2" D17x250 (U457-800-050) | U457-800-050 | 561.88 | |
| 51 | Прокладка резиновая 1/2`` (U457-800-051) | U457-800-051 | 206.1 | |
| 52 | Реле давления (U457-800-052) | U457-800-052 | 1 117.37 | |
| 53 | Штуцер 5-выводной (U457-800-053) | U457-800-053 | 771.12 | |
| 55 | Ручка-клапан (U535-800-055) | U535-800-055 | - | |
| 56 | Манометр 6bar (D41 1/4" папа резьба сзади) (U457-800-056) | U457-800-056 | 403.92 | |
| 57 | Бак (U457-800-057) | U457-800-057 | 2 061.03 | |
| 57C | Гидроаккумулятор (U457-800-057-C) | U457-800-057-C | 3 091.55 | |
| 59 | Болт M8х36 (UM03-002-006) | UM03-002-006 | - | |
| 60 | Фланец D155x37мм (U457-800-060) | U457-800-060 | 505.92 | |
| 61 | Болт M8x15 #F (UM03-000-005) | UM03-000-005 | 103.05 | |
| 62 | Шайба D8 (UM04-000-005) | UM04-000-005 | 103.05 | |
| 63 | Мембрана резиновая 20 л. непроходная (U457-800-062) | U457-800-062 | 1 012.42 | |
| 64 | Ниппель в сборе (U457-800-063-C) | U457-800-063-C | 309.15 | |
| 65 | Крышка ниппеля (U457-800-064) | U457-800-064 | 103.05 | |
| 66 | Шайба D8 (U457-800-066) | U457-800-066 | - | |
| 67 | Гайка M8 (запорная) #F (UM05-000-004) | UM05-000-004 | 103.05 | |
| 68 | Основание гидроаккумулятора (U457-800-067) | U457-800-067 | 309.15 | |
| 69 | Платформа насоса (U457-800-068) | U457-800-068 | 206.1 | |
| 70 | Винт M8x43 H6 (цилиндр) #F (UM01-000-085) | UM01-000-085 | 104.04 | |