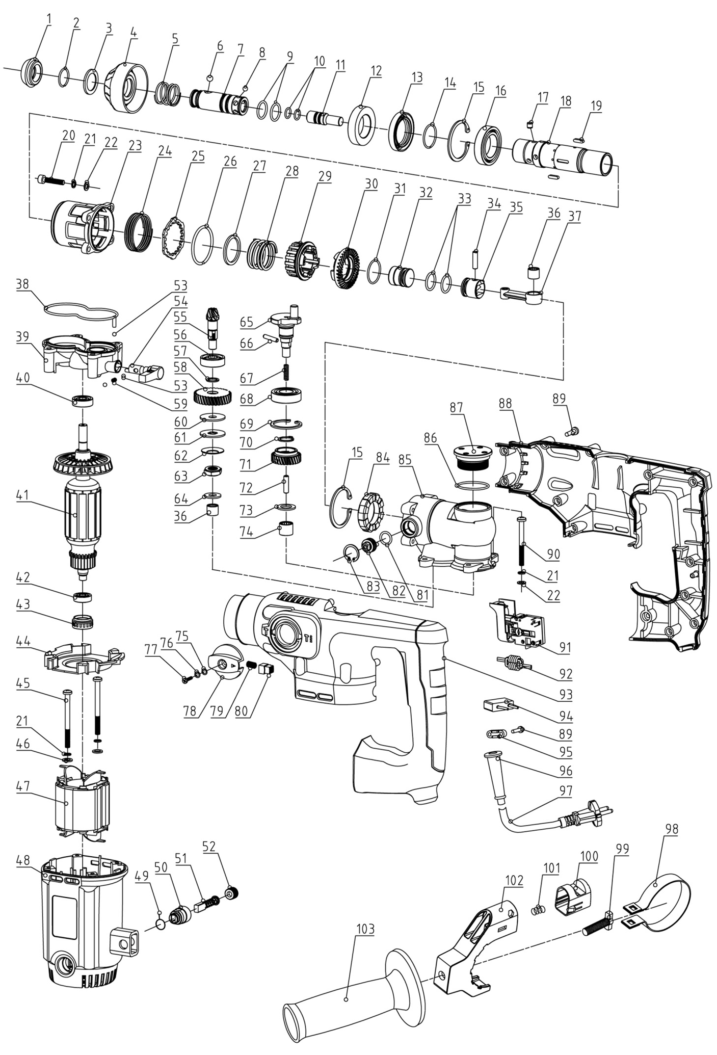
| 1 | Крышка передняя (N000-026-309) | N000-026-309 | 103.05 | |
| 2 | Кольцо стопорное разрезное D17хd1.6мм (N000-026-310) | N000-026-310 | 102 | |
| 3 | Шайба D26.5хd19.2х1мм (N000-026-311) | N000-026-311 | 102 | |
| 4 | Кожух патрона (N000-026-312) | N000-026-312 | 105.08 | |
| 5 | Пружина 20.3х1.6x2.5х2.24 (N000-026-313) | N000-026-313 | 206.1 | |
| 6 | Шарик стальной D7.14 (N000-020-603) | N000-020-603 | 110.16 | |
| 7 | Ствол V2 (N000-026-315-2) | N000-026-315-2 | 361.59 | |
| 7 | Ствол V1 (N000-026-315) | N000-026-315 | 809.17 | |
| 8 | Шарик стальной D5mm (N000-026-316) | N000-026-316 | 104.04 | |
| 9 | Кольцо уплотнительное D20 V2 (N000-026-317-2) | N000-026-317-2 | 104.04 | |
| 9 | Кольцо уплотнительное D20хd16хd2 V1 (N000-026-317) | N000-026-317 | 104.04 | |
| 10 | Кольцо уплотнительное D9.5хd1.5мм (N000-026-318) | N000-026-318 | 102 | |
| 11 | Ударник (N000-026-319) | N000-026-319 | 309.15 | |
| 12 | Кольцо войлочное 42.5х24.5х8мм (N000-026-320) | N000-026-320 | 102 | |
| 13 | Сальник D42хd25х7 (N000-026-321) | N000-026-321 | 102 | |
| 14 | Кольцо уплотнительное D23хd1.6мм (N000-026-322) | N000-026-322 | 102 | |
| 15 | Кольцо стопорное D42мм (N000-026-323) | N000-026-323 | 112.2 | |
| 16 | Подшипник шариковый 6905-2RS (42х25х9) (U009-690-5RS) | U009-690-5RS | 206.1 | |
| 17 | Фиксатор (N000-026-324) | N000-026-324 | 185.07 | |
| 18 | Цилиндр (N000-026-325) | N000-026-325 | 420.34 | |
| 19 | Шпонка 3х3х12мм (N000-026-326) | N000-026-326 | 102 | |
| 20 | Болт M5x20 (N000-014-017) | N000-014-017 | - | |
| 21 | Шайба D5 пружинная (N000-025-178) | N000-025-178 | 103.05 | |
| 22 | Шайба D5 (N000-020-867) | N000-020-867 | 103.05 | |
| 23 | Корпус цилиндра (N000-026-327) | N000-026-327 | 1 026.83 | |
| 24 | Пружина 41.5х1.6х4х14.5 (N000-026-328) | N000-026-328 | 103.05 | |
| 25 | Кольцо сцепления (N000-026-329) | N000-026-329 | 102 | |
| 26 | Кольцо стопорное разрезное D45хd41.8xh1.6 (N000-026-330) | N000-026-330 | 102 | |
| 27 | Шайба пружинная большая D32.5хd26.5х2 (N000-026-331) | N000-026-331 | 103.05 | |
| 28 | Пружина 27х2х4х25 (N000-026-332) | N000-026-332 | 103.05 | |
| 29 | Втулка сцепления (N000-026-333) | N000-026-333 | 292.19 | |
| 30 | Шестерня конусная большая (V.1) (N000-026-334) | N000-026-334 | 407.4 | |
| 30 | Шестерня конусная большая D45 (V.2) (N000-026-334-2) | N000-026-334-2 | 446.76 | |
| 31 | Кольцо уплотнительное D20.9хd2 (N000-026-335) | N000-026-335 | 103.05 | |
| 32 | Боек (N000-026-336) | N000-026-336 | 451.87 | |
| 33 | Кольцо уплотнительное D14хd3мм (N000-026-337) | N000-026-337 | 206.1 | |
| 34 | Палец поршневой D5х18 (N000-026-338) | N000-026-338 | 102 | |
| 35 | Поршень (N000-026-339) | N000-026-339 | 105.08 | |
| 36 | Подшипник игольчатый HK0810 (12x8x10) (U010-081-000) | U010-081-000 | 126.48 | |
| 37 | Штанга передаточная (N000-026-340) | N000-026-340 | 109.23 | |
| 38 | Кольцо уплотнительное (N000-026-341) | N000-026-341 | - | |
| 39 | Крышка (N000-026-342) | N000-026-342 | - | |
| 40 | Подшипник шариковый 608-2RS (22х8х7) CNBALL (U009-608-RS0) | U009-608-RS0 | 330.31 | |
| 41 | Ротор КДС (N000-026-343) | N000-026-343 | 1 920.97 | |
| 42 | Подшипник шариковый 607 RS (19х7х6) (U009-607-RS0) | U009-607-RS0 | 309.15 | |
| 43 | Втулка подшипника 607 резиновая (N000-026-344) | N000-026-344 | 102 | |
| 44 | Крышка вентилятора (N000-026-345) | N000-026-345 | 102 | |
| 45 | Саморез ST4.8х60F (N000-026-346) | N000-026-346 | - | |
| 46 | Шайба большая A-5 (N000-026-347) | N000-026-347 | - | |
| 47 | Статор СДС (N000-026-348) | N000-026-348 | 1 039.44 | |
| 48 | Корпус двигателя (N000-026-349) | N000-026-349 | 4 709.66 | |
| 49 | Пружина (N000-026-350) | N000-026-350 | - | |
| 50 | Щеткодержатель (N000-026-351) | N000-026-351 | 123.64 | |
| 51 | Щетка графитовая (пара) 5х8х10.5 (N000-026-352) | N000-026-352 | 363.63 | |
| 52 | Крышка щетки (N000-026-353) | N000-026-353 | - | |
| 53 | Шарик стальной D4mm (N000-026-354) | N000-026-354 | - | |
| 54 | Переключатель трехпозиционный (N000-026-355) | N000-026-355 | 102 | |
| 55 | Вал-шестерня Z8 (V.1) (N000-026-356) | N000-026-356 | 640.22 | |
| 55 | Вал-шестерня Z8 (V.2) (N000-026-356-2) | N000-026-356-2 | 412.2 | |
| 56 | Подшипник шариковый 6000-2RS (26х10х8) CNBALL (U009-600-0RS) | U009-600-0RS | 330.31 | |
| 57 | Шайба регулировочная D14хd10.1х1 (N000-026-357) | N000-026-357 | 103.05 | |
| 58 | Шестерня (N000-026-358) | N000-026-358 | 199.67 | |
| 59 | Пружина (N000-026-359) | N000-026-359 | 103.05 | |
| 60 | Шайба (N000-026-360) | N000-026-360 | 103.05 | |
| 61 | Шайба (N000-026-361) | N000-026-361 | 103.05 | |
| 62 | Шайба пружинная (N000-026-362) | N000-026-362 | 103.05 | |
| 63 | Гайка M10х0.75 (N000-026-363) | N000-026-363 | 103.05 | |
| 64 | Шайба D16хd8.1х1.5 (N000-026-364) | N000-026-364 | 103.05 | |
| 65 | Коленвал (N000-026-365) | N000-026-365 | 294.24 | |
| 66 | Штифт 4х18mm (N000-026-366) | N000-026-366 | - | |
| 67 | Пружина W7х1х10х30 (N000-026-367) | N000-026-367 | - | |
| 68 | Подшипник шариковый 6002-2RS (32x15x9) CCEB (U009-600-2RS) | U009-600-2RS | 434.37 | |
| 69 | Кольцо стопорное D32mm (N000-026-368) | N000-026-368 | 103.05 | |
| 70 | Кольцо D15 (N000-026-369) | N000-026-369 | - | |
| 71 | Шестерня (N000-026-370) | N000-026-370 | 231.18 | |
| 72 | Штифт 7х18.7mm (N000-026-371) | N000-026-371 | - | |
| 73 | Шайба D20хd12.1х1.5 (N000-026-372) | N000-026-372 | - | |
| 74 | Подшипник игольчатый HK1210 (16х12х10) (U010-121-000) | U010-121-000 | 206.1 | |
| 75 | Шайба D4 (N000-013-867) | N000-013-867 | - | |
| 76 | Шайба D4 пружинная (N000-025-088) | N000-025-088 | - | |
| 77 | Винт M4х12 (N000-023-855) | N000-023-855 | - | |
| 78 | Переключатель режимов (N000-026-373) | N000-026-373 | 504.41 | |
| 79 | Пружина D4.5хd0.6х17.5 (N000-026-374) | N000-026-374 | 102 | |
| 80 | Кнопка переключателя режимов (N000-026-375) | N000-026-375 | 102 | |
| 81 | Кольцо уплотнительное D11хd2 (N000-026-376) | N000-026-376 | 102 | |
| 82 | Втулка (N000-026-377) | N000-026-377 | 102 | |
| 83 | Кольцо стопорное D18mm (N000-026-378) | N000-026-378 | 102 | |
| 84 | Кольцо уплотнительное D42хd25х9 (N000-026-379) | N000-026-379 | - | |
| 85 | Корпус редуктора (N000-026-380) | N000-026-380 | 1 026.83 | |
| 86 | Кольцо уплотнительное D30хd2 (N000-026-381) | N000-026-381 | - | |
| 87 | Крышка масляная (N000-026-382) | N000-026-382 | - | |
| 88 | Корпус правая часть (N000-026-383) | N000-026-383 | 990.82 | |
| 89 | Саморез ST3.9х16-F (N000-026-384) | N000-026-384 | - | |
| 90 | Саморез ST4.8х50-F (N000-026-385) | N000-026-385 | - | |
| 91 | Выключатель FA2-4/1BEK-6 6(6)A ~250V 5E4 (V000-003-363) | V000-003-363 | 471.98 | |
| 92 | Индуктивность (N000-026-386) | N000-026-386 | - | |
| 93 | Корпус левая часть (N000-026-387) | N000-026-387 | 990.82 | |
| 94 | Конденсатор THS-2H 0.33uF ~275V (V000-007-563) | V000-007-563 | - | |
| 95 | Прижим шнура (N000-026-388) | N000-026-388 | - | |
| 96 | Воротник шнура (N000-026-389) | N000-026-389 | 102 | |
| 97 | Шнур сетевой ZUBR, H07RN-F, Rubber, 2G 1.0 mm2, 1.5m (V000-006-368) | V000-006-368 | - | |
| 98 | Хомут (N000-026-390) | N000-026-390 | - | |
| 99 | Винт M8х36 (N000-026-391) | N000-026-391 | - | |
| 100 | Корпус (N000-026-392) | N000-026-392 | - | |
| 101 | Пружина W7.2х0.9х15 (N000-026-393) | N000-026-393 | - | |
| 102 | Корпус дополнительной ручки (N000-026-394) | N000-026-394 | - | |
| 103 | Рукоятка дополнительная (N000-026-395) | N000-026-395 | - | |
| 104 | Рукоятка дополнительная в сборе (N000-026-396) | N000-026-396 | - | |
| 105 | Переключатель режимов в сборе (N000-026-397) | N000-026-397 | 162.14 | |