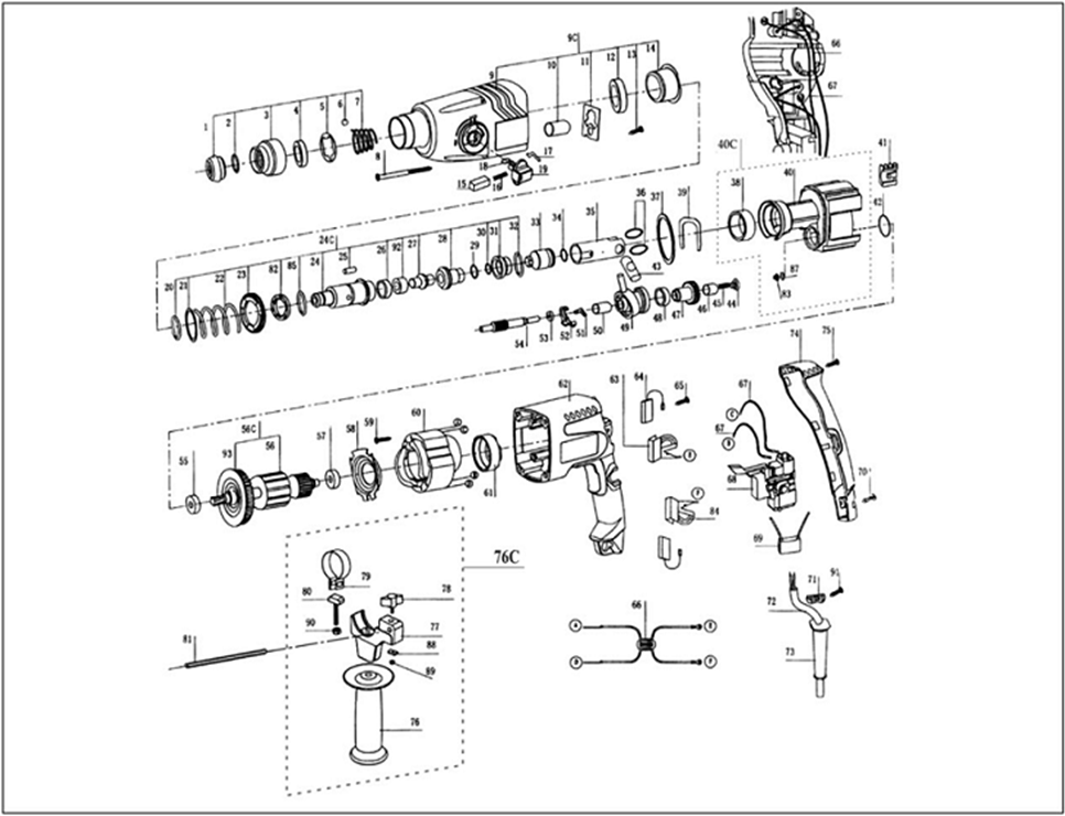
| 1 | Пыльник ствола #W (U351-800-001) | U351-800-001 | 103.05 | |
| 6 | Шарик стальной D5.5 (U201-850-028) | U201-850-028 | 104.04 | |
| 7 | Кольцо стопорное разрезное (U351-800-007) | U351-800-007 | 103.05 | |
| 8 | Саморез 5x68 РН2 #F (UM02-000-061) | UM02-000-061 | - | |
| 9 | Корпус редуктора #W (U351-620-009) | U351-620-009 | 1 030.52 | |
| 9С | Корпус редуктора в сборе #W (U351-620-009-C) | U351-620-009-C | 1 236.62 | |
| 10 | Подшипник игольчатый HK0709 (11x7x9) (U010-070-900) | U010-070-900 | 103.05 | |
| 11 | Планка стопорная #W (U351-800-011) | U351-800-011 | 103.05 | |
| 12 | Сальник D35хd25х7 (U351-800-012) | U351-800-012 | 206.1 | |
| 13 | Саморез 4x15 PH2 (UM02-000-022) | UM02-000-022 | 103.05 | |
| 14 | Подшипник игольчатый в сборе #W (U351-800-014) | U351-800-014 | 271.37 | |
| 15 | Фиксатор переключателя 13.5x10.5x31.5 (U351-800-015) | U351-800-015 | 103.05 | |
| 16 | Пружина фиксатора D6xh44.2 (U351-800-016) | U351-800-016 | 103.05 | |
| 17 | Штифт фигурный #W (U351-800-017) | U351-800-017 | 103.05 | |
| 18 | Кольцо уплотнительное D16хd11хh2.5 (U351-800-018) | U351-800-018 | 177.32 | |
| 19 | Ручка переключателя 25,9xD 36 мм (U351-800-019) | U351-800-019 | 103.05 | |
| 20 | Кольцо стопорное разрезное (U351-800-020) | U351-800-020 | 103.05 | |
| 21 | Шайба #W (U351-800-021) | U351-800-021 | 102 | |
| 22 | Пружина #W (U351-620-022) | U351-620-022 | - | |
| 23 | Шестерня ведомая D51.5xd31 Z50 (U351-800-023) | U351-800-023 | 721.36 | |
| 24 | Ствол (U501-650-024) | U501-650-024 | - | |
| 24С | Ствол в сборе (U501-650-024-C) | U501-650-024-C | 1 442.72 | |
| 25 | Шпонка #W (U351-800-025) | U351-800-025 | 103.05 | |
| 26 | Уплотнитель ударника #W (U351-800-026) | U351-800-026 | 102 | |
| 27 | Ударник #W (U351-620-027) | U351-620-027 | 206.1 | |
| 28 | Опора #W (U351-800-028) | U351-800-028 | 206.1 | |
| 29 | Демпфер #W (U351-800-029) | U351-800-029 | 103.05 | |
| 30 | Кольцо уплотнительное (U351-800-030) | U351-800-030 | 103.05 | |
| 31 | Ловитель #W (U351-800-031) | U351-800-031 | 206.1 | |
| 32 | Кольцо стопорное #W (U351-620-032) | U351-620-032 | 103.05 | |
| 33 | Поршень ударный #W (U351-620-033) | U351-620-033 | 412.2 | |
| 34 | Кольцо уплотнительное D18хd11хh3.5 (U351-620-034) | U351-620-034 | 102 | |
| 35 | Поршень D25x73 (U351-620-035) | U351-620-035 | 254.08 | |
| 36 | Шайба #W (U351-800-036) | U351-800-036 | 102 | |
| 37 | Уплотнитель промщита #W (U351-800-037) | U351-800-037 | 162.81 | |
| 38 | Втулка промщита #W (U351-800-038) | U351-800-038 | 206.1 | |
| 39 | Фиксатор промвала #W (U351-800-039) | U351-800-039 | 103.05 | |
| 40 | Промщит #W (U351-620-040) | U351-620-040 | 412.2 | |
| 40С | Промщит в сборе #W (U351-620-040-C) | U351-620-040-C | 618.31 | |
| 41 | Вставка #W (U351-620-041) | U351-620-041 | - | |
| 42 | Кольцо уплотнительное D28хd23хh2.5 (U351-800-042) | U351-800-042 | 102 | |
| 43 | Вкладыш #W (U351-800-043) | U351-800-043 | 103.05 | |
| 44 | Опора пластиковая #W (U351-800-044) | U351-800-044 | 103.05 | |
| 45 | Пружина промвала #W (U351-800-045) | U351-800-045 | 103.05 | |
| 46 | Подшипник игольчатый HK0609 (10x6x9) (U010-060-900) | U010-060-900 | 135.56 | |
| 47 | Шестерня промвала #W (U351-620-047) | U351-620-047 | 515.25 | |
| 48 | Подшипник игольчатый K15 (17x15x17) (U010-171-517) | U010-171-517 | 206.1 | |
| 49 | Подшипник качающийся (пьяный) D13 (U351-800-049) | U351-800-049 | 662.96 | |
| 50 | Подшипник игольчатый HK0908 (13x9x8) (U010-090-800) | U010-090-800 | 206.1 | |
| 51 | Пружина переключателя 23x15x3 (U351-800-051) | U351-800-051 | 103.05 | |
| 52 | Обойма переключателя 38x33x22 (U351-800-052) | U351-800-052 | 102 | |
| 53 | Подшипник шариковый 699 открытый (20х9х5) n/n (U009-699-RS0) | U009-699-RS0 | 338.68 | |
| 54 | Вал зубчатый D11.5x84 Z9 (U351-800-053) | U351-800-053 | 515.25 | |
| 55 | Подшипник шариковый 609 (24х9х7) Uragan (U009-609-RS0) | U009-609-RS0 | 206.1 | |
| 56 | Ротор без крыльчатки #W (U351-620-056-W) | U351-620-056-W | - | |
| 56С | Ротор КДС (N000-020-745) | N000-020-745 | 1 401.17 | |
| 57 | Подшипник шариковый 607 RS (19х7х6) (U009-607-RS0) | U009-607-RS0 | 309.15 | |
| 58 | Защита статора #W (U351-620-058) | U351-620-058 | 206.1 | |
| 59 | Саморез 4x12 PH2 (UM02-000-018) | UM02-000-018 | 103.05 | |
| 60 | Статор 73/42х57х52 (U351-620-060) | U351-620-060 | 1 854.93 | |
| 61 | Втулка подшипника 607 резиновая (U351-800-061) | U351-800-061 | 103.05 | |
| 62 | Корпус двигателя (U351-620-062) | U351-620-062 | 618.31 | |
| 63 | Щеткодержатель #W (U351-800-063) | U351-800-063 | 202.06 | |
| 64 | Щетка графитовая (пара) 5х7х17 (U351-800-064-W) | U351-800-064-W | 144.56 | |
| 65 | Саморез 3x10 РН2 (UM02-000-003) | UM02-000-003 | - | |
| 66 | Катушка индукторная #Fu (U352-120-057) | U352-120-057 | 103.05 | |
| 68 | Выключатель FA2-4/2BE-1 4(3)A 250V~ 5E4 (U501-650-068) | U501-650-068 | 837.68 | |
| 69 | Конденсатор 0,33мкф (U353-115-041) | U353-115-041 | 103.05 | |
| 70 | Саморез 4x19 PH2 (UM02-000-066) | UM02-000-066 | 103.05 | |
| 71 | Прижим шнура #W (U351-800-071) | U351-800-071 | - | |
| 72 | Шнур сетевой резиновый 2х0.75мм 2м (U099-004-005) | U099-004-005 | 206.1 | |
| 73 | Воротник шнура #F (U098-002-001) | U098-002-001 | 103.05 | |
| 74 | Крышка задняя #W (U351-800-074) | U351-800-074 | 206.1 | |
| 75 | Саморез 4x22 РН2 (UM02-000-032) | UM02-000-032 | - | |
| 76 | Ручка дополнительная #W (U351-800-576) | U351-800-576 | 412.2 | |
| 77 | Держатель упора #W (U351-800-577) | U351-800-577 | 105.36 | |
| 78 | Винт-барашек #W (U351-800-578) | U351-800-578 | - | |
| 79 | Кольцо зажимное #W (U351-800-579) | U351-800-579 | - | |
| 80 | Винт специальный #W (U351-800-580) | U351-800-580 | - | |
| 81 | Линейка-упор #W (U351-800-581) | U351-800-581 | - | |
| 83 | Втулка ударника #W (U351-800-083) | U351-800-083 | 206.1 | |
| 84 | Полумуфта кулачковая предохранительная (U351-800-084) | U351-800-084 | 309.15 | |
| 85 | Кольцо стопорное разрезное D32хd28х2 (U351-800-085) | U351-800-085 | 103.05 | |
| 86 | Опора промвала #W (U351-800-086) | U351-800-086 | 162.81 | |
| 87 | Упор промвала #W (U351-800-087) | U351-800-087 | 31.93 | |
| 88 | Гайка M8 (запорная) #F (UM05-000-004) | UM05-000-004 | 103.05 | |
| 89 | Гайка M6 (UM05-000-003) | UM05-000-003 | 138.4 | |
| 90 | Вкладыш ручки #W (U351-800-090) | U351-800-090 | - | |
| 91 | Пружина щеткодержателя #W (U351-800-091) | U351-800-091 | - | |
| 92 | Диск запорный #W (U351-800-092) | U351-800-092 | 35.13 | |
| 93 | Патрон SDS+ #W (U351-800-093) | U351-800-093 | - | |
| 93С | Патрон SDS+ в сборе D43х71 (U351-800-093-C) | U351-800-093-C | 1 342.09 | |
| 94 | Патрон быстрозажимной #W (U351-800-094) | U351-800-094 | 721.36 | |
| 95 | Крыльчатка ротора #W (U351-800-056-F) | U351-800-056-F | - | |
| 96 | Кольцо пылезащитное (U351-800-096) | U351-800-096 | - | |
| 97 | Ручка дополнительная в сборе #W (U351-800-576-C) | U351-800-576-C | 309.15 | |