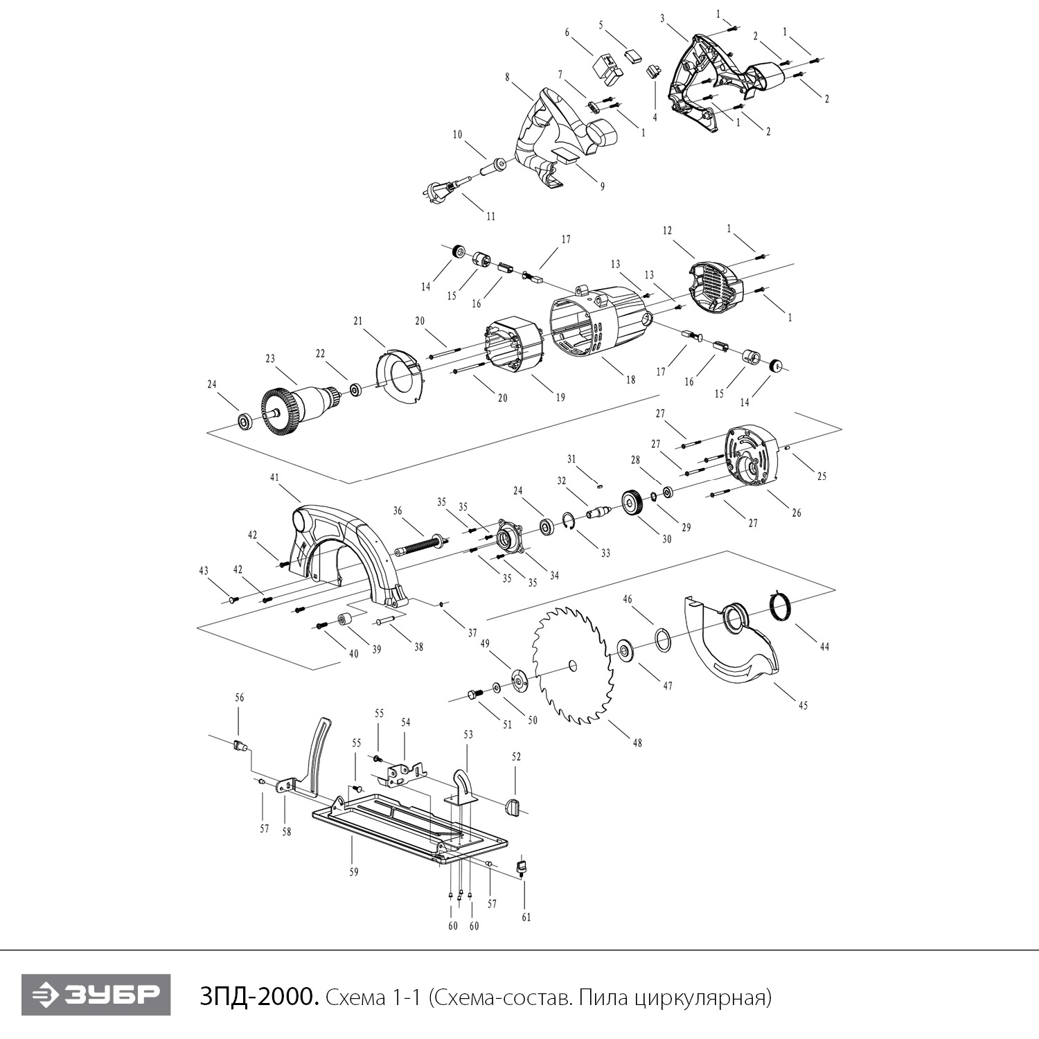
| 1 | Саморез 4x18 PH2 (UM02-000-027) | UM02-000-027 | 103.05 | |
| 2 | Саморез 4x22 РН2 (UM02-000-032) | UM02-000-032 | - | |
| 3 | Ручка левая часть (U505-200-003) | U505-200-003 | 396.32 | |
| 4 | Клеммник (U103-600-040) | U103-600-040 | 103.05 | |
| 5 | Конденсатор 0.22 мкФ (U353-110-055) | U353-110-055 | 103.05 | |
| 6 | Выключатель FA7-10/2 10(10)A 250V~ 5E4 (U505-200-006) | U505-200-006 | 380.8 | |
| 7 | Прижим шнура (U362-110-045) | U362-110-045 | 103.05 | |
| 8 | Ручка правая часть (U505-200-008) | U505-200-008 | 396.32 | |
| 9 | Блок плавного пуска 04-210 (U505-200-009) | U505-200-009 | 588.54 | |
| 10 | Воротник шнура (U098-001-001) | U098-001-001 | 103.05 | |
| 11 | Шнур сетевой H05RN-F Rubber 2Gх1мм2 2м (U099-004-006) | U099-004-006 | 206.1 | |
| 12 | Крышка задняя (U505-200-012) | U505-200-012 | 206.1 | |
| 13 | Саморез 4x10 PH2 (UM02-000-093) | UM02-000-093 | 103.05 | |
| 14 | Крышка щеткодержателя (U505-160-015) | U505-160-015 | 206.1 | |
| 15C | Щеткодержатель D22хL30 в сборе (U505-200-015-C) | U505-200-015-C | 225.67 | |
| 17 | Щетка графитовая (пара) 6.5х11х19 (U505-200-017-W) | U505-200-017-W | 303.09 | |
| 18 | Корпус двигателя (U505-200-018) | U505-200-018 | 509.07 | |
| 19 | Статор (U505-200-019) | U505-200-019 | 3 837.15 | |
| 20 | Саморез 5x59 РН2 (UM02-000-094) | UM02-000-094 | - | |
| 21 | Защита статора (U505-200-021) | U505-200-021 | 188.22 | |
| 22 | Подшипник шариковый 608-2RS (22х8х7) CNBALL (U009-608-RS0) | U009-608-RS0 | 330.31 | |
| 23 | Ротор КД (z=7) (U505-200-023) | U505-200-023 | 4 053.48 | |
| 24 | Подшипник шариковый 6001-2Z (28х12х8) CHFZ (U009-600-1RS) | U009-600-1RS | 309.15 | |
| 25 | Штифт резиновый D5х8 (U505-130-021) | U505-130-021 | - | |
| 26 | Промщит (U505-200-026) | U505-200-026 | 927.47 | |
| 27 | Саморез 4x38 PH2 (UM02-000-041) | UM02-000-041 | - | |
| 28 | Подшипник шариковый 607 RS (19х7х6) (U009-607-RS0) | U009-607-RS0 | 309.15 | |
| 29 | Кольцо стопорное D11 разжимное (UM06-001-004) | UM06-001-004 | 104.04 | |
| 30 | Шестерня (U505-200-030) | U505-200-030 | 721.36 | |
| 31 | Шпонка 3х3х10 (U505-200-031) | U505-200-031 | 103.05 | |
| 32 | Шпиндель под шпонку M6 (U505-200-032) | U505-200-032 | 370.3 | |
| 33 | Кольцо стопорное сжимное D30 (UM06-002-004) | UM06-002-004 | 103.05 | |
| 34 | Фланец (U505-200-034) | U505-200-034 | 309.15 | |
| 35 | Винт M4x14 РН2 (UM01-000-018) | UM01-000-018 | 103.05 | |
| 36 | Ручка глубиномера (U255-122-039) | U255-122-039 | 206.1 | |
| 37 | Кольцо стопорное D5 (UM06-000-004) | UM06-000-004 | 104.04 | |
| 38 | Штифт (U505-200-038) | U505-200-038 | 102 | |
| 39 | Отбойник резиновый (U505-200-039) | U505-200-039 | 31.93 | |
| 40 | Винт M6x24 РН2 (UM01-000-134) | UM01-000-134 | - | |
| 41 | Кожух диска (U505-200-041) | U505-200-041 | 1 707.13 | |
| 42 | Винт M5x15 РН2 (UM01-000-078) | UM01-000-078 | 103.05 | |
| 43 | Винт M6х16 (U255-120-044) | U255-120-044 | 103.05 | |
| 44 | Пружина кручения D50xd47.5xh6 (U505-200-044) | U505-200-044 | 105.36 | |
| 45 | Кожух подвижный (U505-200-045) | U505-200-045 | 1 084.49 | |
| 46 | Пружина стопорная (U505-130-035) | U505-130-035 | 104.04 | |
| 47 | Фланец прижимной D30 внутренний D40x9 (U505-200-047) | U505-200-047 | 272.62 | |
| 49 | Фланец прижимной внешний D40х4.5 (U505-200-049) | U505-200-049 | 143.67 | |
| 50 | Шайба D17хd8.5х2 (UM04-002-016) | UM04-002-016 | 104.04 | |
| 51 | Болт M8x20 усиленный (UM03-000-021) | UM03-000-021 | 102 | |
| 52 | Гайка-барашек М5 (U255-122-062) | U255-122-062 | 103.05 | |
| 53 | Кронштейн (U505-200-053) | U505-200-053 | - | |
| 54 | Скоба (U505-200-054) | U505-200-054 | - | |
| 55 | Болт M5х12 мебельный (U155-150-058) | U155-150-058 | 103.05 | |
| 56 | Гайка-барашек М5 (U255-122-057) | U255-122-057 | 102 | |
| 57 | Заклепка (U255-120-066) | U255-120-066 | 103.05 | |
| 58 | Глубиномер (U505-200-058) | U505-200-058 | - | |
| 59 | Стол (U505-200-059) | U505-200-059 | 2 061.03 | |
| 60 | Заклепка (U505-900-061) | U505-900-061 | - | |
| 61 | Винт-барашек M5 (U255-122-063) | U255-122-063 | 102 | |
| 76 | Шайба-гровер D5 (UM04-001-003) | UM04-001-003 | 103.05 | |
| 77 | Шайба-гровер D4 (UM04-001-002) | UM04-001-002 | 103.05 | |
| 78 | Шпиндель M6 в сборе с шестерней (EV 30-34) # (U505-200-032-C) | U505-200-032-C | 1 053.87 | |