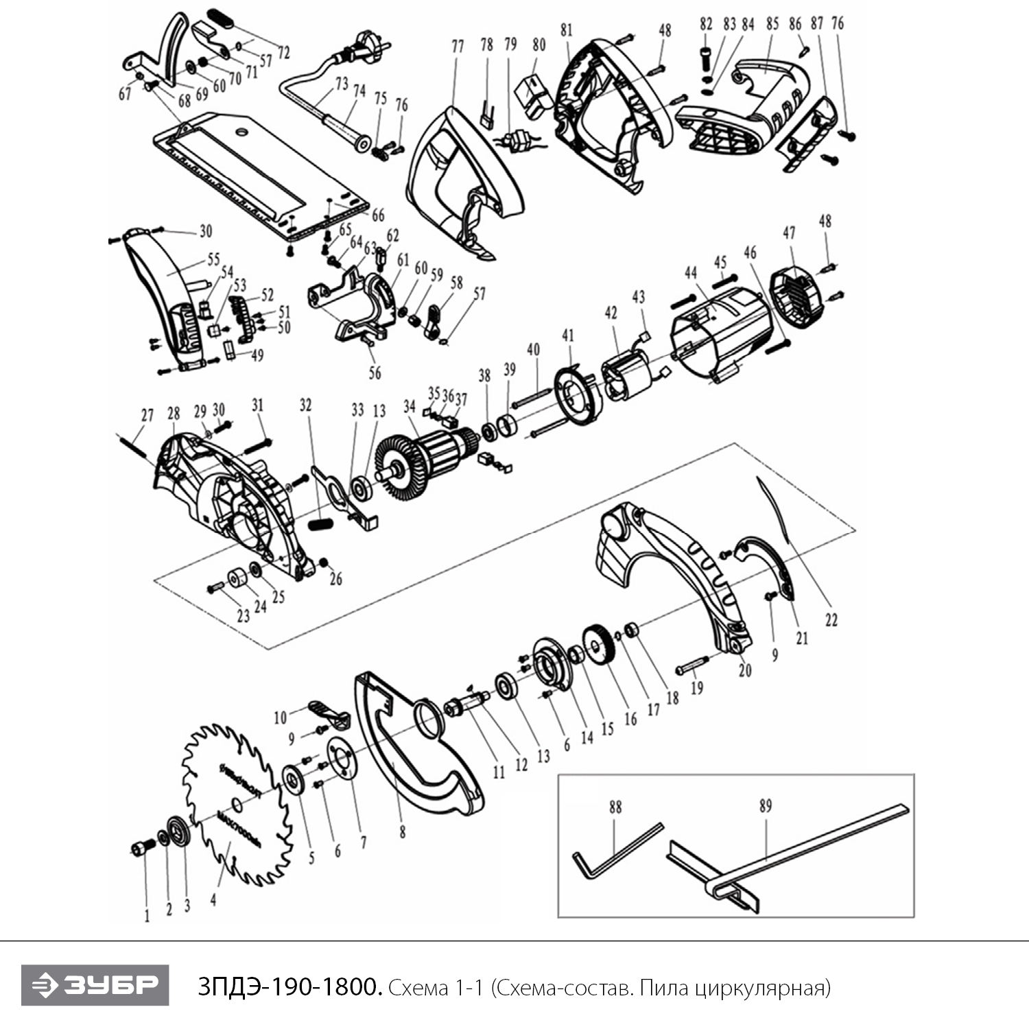
| 1 | Винт M8x24 H6 (UM01-000-126) | UM01-000-126 | 103.05 | |
| 2 | Шайба D24 D8,5 h2 (UM04-002-019) | UM04-002-019 | 103.05 | |
| 3 | Шайба прижимная (N000-004-985) | N000-004-985 | - | |
| 5 | Шайба прижимная (N000-004-987) | N000-004-987 | - | |
| 6 | Винт M4x10 PH2 (UM01-000-011) | UM01-000-011 | 104.04 | |
| 7 | Шайба кожуха (U255-122-053) | U255-122-053 | - | |
| 8 | Кожух диска подвижный (N000-004-990) | N000-004-990 | - | |
| 9 | Винт M4x10 (UM01-000-012) | UM01-000-012 | 103.05 | |
| 10 | Рычаг (N000-004-992) | N000-004-992 | - | |
| 11 | Шпиндель (N000-004-993) | N000-004-993 | 255.41 | |
| 12 | Шпонка сегментная 3х10 (U353-110-006) | U353-110-006 | 103.05 | |
| 13 | Подшипник шариковый 6001-2Z (28х12х8) CHFZ (U009-600-1RS) | U009-600-1RS | 309.15 | |
| 14 | Фланец (N000-004-996) | N000-004-996 | - | |
| 15 | Втулка (U155-150-047) | U155-150-047 | 206.1 | |
| 16 | Шестерня (N000-004-998) | N000-004-998 | 638.5 | |
| 17 | Кольцо стопорное D11 разжимное (UM06-001-004) | UM06-001-004 | 104.04 | |
| 18 | Втулка D12хd8х8 (U352-102-017) | U352-102-017 | 206.1 | |
| 19 | Винт специальный (N000-005-001) | N000-005-001 | - | |
| 20 | Крышка корпуса кожуха (N000-005-002) | N000-005-002 | - | |
| 21 | Щиток (N000-005-003) | N000-005-003 | - | |
| 23 | Винт M6х19 (UM01-000-150) | UM01-000-150 | - | |
| 24 | Отбойник резиновый (U355-180-060) | U355-180-060 | 103.05 | |
| 25 | Шайба D18хd6 (UM04-002-008) | UM04-002-008 | 103.05 | |
| 26 | Гайка M5 (автогровер) (UM05-001-001) | UM05-001-001 | 103.05 | |
| 27 | Пружина подвижного кожуха (U255-122-054) | U255-122-054 | 102 | |
| 28 | Промщит (N000-005-010) | N000-005-010 | 732.11 | |
| 29 | Шайба-гровер D4 (UM04-001-002) | UM04-001-002 | 103.05 | |
| 30 | Винт M4x16 PH2 #F (UM01-000-021) | UM01-000-021 | 103.05 | |
| 31 | Винт M4x32 РН2 #F (UM01-000-027) | UM01-000-027 | 103.05 | |
| 32 | Пружина D7 h40 (N000-005-014) | N000-005-014 | - | |
| 33 | Стопор (N000-005-015) | N000-005-015 | - | |
| 34 | Ротор КДС D48.5x42 (N000-005-016) | N000-005-016 | 3 091.55 | |
| 35 | Крышка щеткодержателя 15x11x2 (N000-005-017) | N000-005-017 | 223.47 | |
| 36 | Щетка графитовая (пара) 6.5х10.9х13 (U505-160-012-W) | U505-160-012-W | 287.47 | |
| 37 | Щеткодержатель 21x6.5x17.2 (N000-005-019) | N000-005-019 | 125.2 | |
| 38 | Подшипник шариковый 608-2RS (22х8х7) CNBALL (U009-608-RS0) | U009-608-RS0 | 330.31 | |
| 39 | Втулка подшипника 608 резиновая (U353-110-031) | U353-110-031 | 115.6 | |
| 40 | Саморез 4x68 PH2 #F (UM02-000-047) | UM02-000-047 | 103.05 | |
| 41 | Защита статора (N000-005-023) | N000-005-023 | - | |
| 42 | Статор (N000-005-024) | N000-005-024 | 2 394.36 | |
| 44 | Корпус двигателя (N000-005-026) | N000-005-026 | - | |
| 45 | Винт M5x47 PH2 #F (UM01-000-065) | UM01-000-065 | 103.05 | |
| 46 | Винт M5x52 PH2 #F (UM01-000-062) | UM01-000-062 | 103.05 | |
| 47 | Крышка задняя (N000-005-029) | N000-005-029 | - | |
| 48 | Винт M5x20 РН2 #F (UM01-000-040) | UM01-000-040 | 103.05 | |
| 57 | Кольцо разжимное D10 #F (UM06-001-014) | UM06-001-014 | 103.05 | |
| 58 | Рычаг (N000-005-040) | N000-005-040 | - | |
| 59 | Гайка специальная М6 (N000-005-041) | N000-005-041 | - | |
| 60 | Шайба D6 (UM04-000-004) | UM04-000-004 | 103.05 | |
| 61 | Кронштейн наклона в сборе (N000-005-043) | N000-005-043 | - | |
| 62 | Винт-барашек M6 (U355-180-028) | U355-180-028 | 103.05 | |
| 64 | Винт M6х16 (U255-120-044) | U255-120-044 | 103.05 | |
| 65 | Винт M5х12 PH2 (UM01-000-147) | UM01-000-147 | 104.04 | |
| 66 | Стол (N000-005-049) | N000-005-049 | - | |
| 68 | Винт M6х18 специальный (U403-120-016) | U403-120-016 | - | |
| 70 | Гайка специальная М6 (N000-005-053) | N000-005-053 | - | |
| 71 | Рычаг (N000-005-054) | N000-005-054 | - | |
| 73 | Шнур сетевой H05RN-F Rubber 2Gх1мм2 2м (U099-004-006) | U099-004-006 | 206.1 | |
| 74 | Воротник шнура #F (U098-002-001) | U098-002-001 | 103.05 | |
| 75 | Прижим шнура (U355-180-066) | U355-180-066 | - | |
| 76 | Саморез 4x16 (UM02-000-024) | UM02-000-024 | 103.05 | |
| 77 | Ручка правая часть (N000-005-059) | N000-005-059 | - | |
| 78 | Конденсатор 0,33мкф (U353-115-041) | U353-115-041 | 103.05 | |
| 80 | Выключатель FADE FA2-210/2DB 12(10)A ~250V 5E4 (V000-000-441) | V000-000-441 | 824.42 | |
| 81 | Ручка левая часть (N000-005-062) | N000-005-062 | - | |
| 82 | Винт M5x25 (UM01-000-045) | UM01-000-045 | 103.05 | |
| 83 | Шайба-гровер D5 (UM04-001-003) | UM04-001-003 | 103.05 | |
| 84 | Шайба D5 #F (UM04-000-003) | UM04-000-003 | 103.05 | |
| 85 | Рукоятка боковая (N000-005-066) | N000-005-066 | - | |
| 86 | Саморез 4x18 PH2 (UM02-000-027) | UM02-000-027 | 103.05 | |
| 87 | Накладка боковой рукоятки (N000-005-068) | N000-005-068 | - | |