| 1 | Саморез 5x28 РН2 #F (UM02-000-079) | UM02-000-079 | - | |
| 2 | Крышка задняя (N000-005-072) | N000-005-072 | 383.09 | |
| 3 | Корпус щеткодержателя (N000-005-073) | N000-005-073 | 134.09 | |
| 4 | Щетка графитовая (пара) 7х17.5х18 (N000-005-074) | N000-005-074 | 344.28 | |
| 5 | Щеткодержатель (N000-005-075) | N000-005-075 | 500.78 | |
| 6 | Винт M5x43 PH2 #F (UM01-000-120) | UM01-000-120 | 103.05 | |
| 7 | Шайба-гровер D5 (UM04-001-003) | UM04-001-003 | 103.05 | |
| 8 | Шайба D5 #F (UM04-000-003) | UM04-000-003 | 103.05 | |
| 9 | Корпус двигателя (N000-005-079) | N000-005-079 | - | |
| 10 | Втулка подшипника 629 резиноваяD30x9 (U253-235-032) | U253-235-032 | 147.22 | |
| 12 | Статор в сборе (N000-005-082) | N000-005-082 | 3 192.49 | |
| 13 | Защита статора (N000-005-083) | N000-005-083 | - | |
| 14 | Подшипник шариковый 6000-2RS (26х10х8) CNBALL (U009-600-0RS) | U009-600-0RS | 330.31 | |
| 15 | Саморез 5x83 PH2 #F (UM02-000-090) | UM02-000-090 | 103.05 | |
| 16 | Ротор в сборе (N000-005-086) | N000-005-086 | 5 107.98 | |
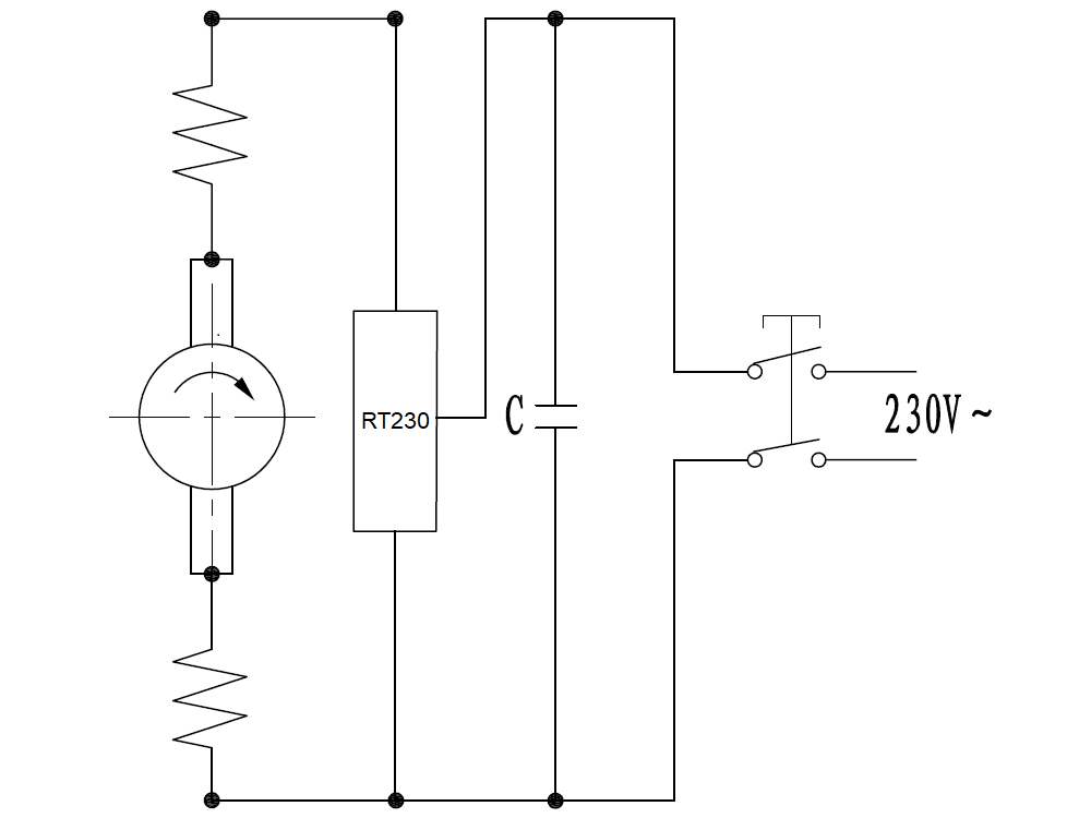
| 17 | Блок плавного пуска RT230-25A 25A 230V~ (V000-000-442) | V000-000-442 | 799.68 | |
| 18 | Накладка стопора (N000-005-087) | N000-005-087 | - | |
| 19 | Стопор (N000-005-088) | N000-005-088 | - | |
| 20 | Пружина D7 h40 (N000-005-014) | N000-005-014 | - | |
| 21 | Подшипник шариковый 6002-2RS (32x15x9) CCEB (U009-600-2RS) | U009-600-2RS | 434.37 | |
| 23 | Промщит (N000-005-092) | N000-005-092 | - | |
| 24 | Кожух левая часть (N000-005-093) | N000-005-093 | 804.44 | |
| 25 | Отбойник резиновый (U355-180-060) | U355-180-060 | 103.05 | |
| 27 | Винт M6х19 (UM01-000-150) | UM01-000-150 | - | |
| 28 | Нож подвижная часть (N000-005-097) | N000-005-097 | - | |
| 30 | Тяга (N000-005-099) | N000-005-099 | - | |
| 31 | Винт M8х26 специальный (U525-160-123) | U525-160-123 | - | |
| 32 | Нож расклинивающий (N000-005-101) | N000-005-101 | 108.71 | |
| 33 | Пластина прижимная (N000-005-102) | N000-005-102 | 102 | |
| 34 | Шайба-гровер D6 (UM04-001-004) | UM04-001-004 | 103.05 | |
| 35 | Винт M6x21 H5 (UM01-000-174) | UM01-000-174 | 102 | |
| 36 | Подшипник шариковый 608-2RS (22х8х7) CNBALL (U009-608-RS0) | U009-608-RS0 | 330.31 | |
| 37 | Кольцо разжимное D14 (UM06-001-006) | UM06-001-006 | 103.05 | |
| 38 | Шестерня (N000-005-107) | N000-005-107 | 718.31 | |
| 39 | Шпиндель (N000-005-108) | N000-005-108 | 351.17 | |
| 40 | Шпонка сегментная 3х10 (U353-110-006) | U353-110-006 | 103.05 | |
| 41 | Фланец (N000-005-110) | N000-005-110 | - | |
| 42 | Винт M5x10 PH2 (потай) (UM01-000-183) | UM01-000-183 | - | |
| 43 | Подшипник шариковый 6202-2RS (35x15x11) n/n (U009-620-2RS) | U009-620-2RS | 206.1 | |
| 44 | Пружина подвижного кожуха (U355-180-092) | U355-180-092 | 206.1 | |
| 45 | Кожух диска подвижный (N000-005-114) | N000-005-114 | 413.45 | |
| 46 | Рычаг (N000-005-115) | N000-005-115 | - | |
| 47 | Винт M5x13 PH2 (UM01-000-193) | UM01-000-193 | - | |
| 48 | Шайба кожуха (N000-005-117) | N000-005-117 | - | |
| 49 | Фланец внутренний прижимной D48хd30хd15 (N000-005-118) | N000-005-118 | 184.54 | |
| 51 | Фланец внешний прижимнойD48хd30хd15 (N000-005-120) | N000-005-120 | 184.54 | |
| 52 | Болт M8х22 (UM03-002-001) | UM03-002-001 | 103.05 | |
| 53 | Кожух правая часть (N000-005-122) | N000-005-122 | - | |
| 55 | Винт M4x16 PH2 #F (UM01-000-021) | UM01-000-021 | 103.05 | |
| 56 | Партубок пылесоса (N000-005-125) | N000-005-125 | - | |
| 58 | Накладка боковой рукоятки (N000-005-127) | N000-005-127 | - | |
| 59 | Рукоятка боковая (N000-005-128) | N000-005-128 | - | |
| 60 | Шайба D6 (UM04-000-004) | UM04-000-004 | 103.05 | |
| 61 | Винт M6x30 (UM01-000-050) | UM01-000-050 | 104.04 | |
| 62 | Винт M5x16 PH2 (UM01-000-035) | UM01-000-035 | 103.05 | |
| 63 | Рычаг (N000-005-132) | N000-005-132 | 108.71 | |
| 64 | Фиксатор (N000-005-133) | N000-005-133 | 108.71 | |
| 65 | Шайба D14 d6 h1,5 (UM04-002-020) | UM04-002-020 | 104.04 | |
| 66 | Ручка левая часть (N000-005-135) | N000-005-135 | - | |
| 67 | Винт M5х30 РН2 (UM01-000-163) | UM01-000-163 | - | |
| 68 | Винт M5х37 РН2 (UM01-000-170) | UM01-000-170 | - | |
| 69 | Саморез 4x18 PH2 (UM02-000-027) | UM02-000-027 | 103.05 | |
| 70 | Прижим шнура (U355-180-066) | U355-180-066 | - | |
| 71 | Ручка правая часть (N000-005-140) | N000-005-140 | - | |
| 72 | Выключатель FADE FA2-210/2DB 12(10)A ~250V 5E4 (V000-000-441) | V000-000-441 | 824.42 | |
| 73 | Конденсатор 0,33мкф (U353-115-041) | U353-115-041 | 103.05 | |
| 74 | Гайка M5 (UM05-000-005) | UM05-000-005 | 103.05 | |
| 75 | Воротник шнура #F (U098-002-001) | U098-002-001 | 103.05 | |
| 76 | Шнур сетевой H05RN-F Rubber 2Gх1мм2 2м (U099-004-006) | U099-004-006 | 206.1 | |
| 77 | Скоба (N000-005-145) | N000-005-145 | - | |
| 78 | Пружина D10,5 h15 (N000-005-146) | N000-005-146 | - | |
| 79 | Винт-барашек M6 (N000-005-147) | N000-005-147 | - | |
| 80 | Стол (N000-005-148) | N000-005-148 | 3 091.55 | |
| 82 | Гайка-барашек М6 (N000-005-150) | N000-005-150 | - | |
| 83 | Кронштейн наклона в сборе (N000-005-151) | N000-005-151 | - | |
| 84 | Гайка M4 (UM05-000-002) | UM05-000-002 | 103.05 | |
| 85 | Винт M4x22 PH2 (UM01-000-133) | UM01-000-133 | - | |
| 87 | Гайка M6 (автогровер) (UM05-001-004) | UM05-001-004 | 103.05 | |
| 88 | Винт M6x25 специальный (U255-140-056) | U255-140-056 | 103.05 | |
| 89 | Винт M6х18 специальный (U403-120-016) | U403-120-016 | - | |
| 92 | Болт M6 специальный (N000-005-160) | N000-005-160 | - | |