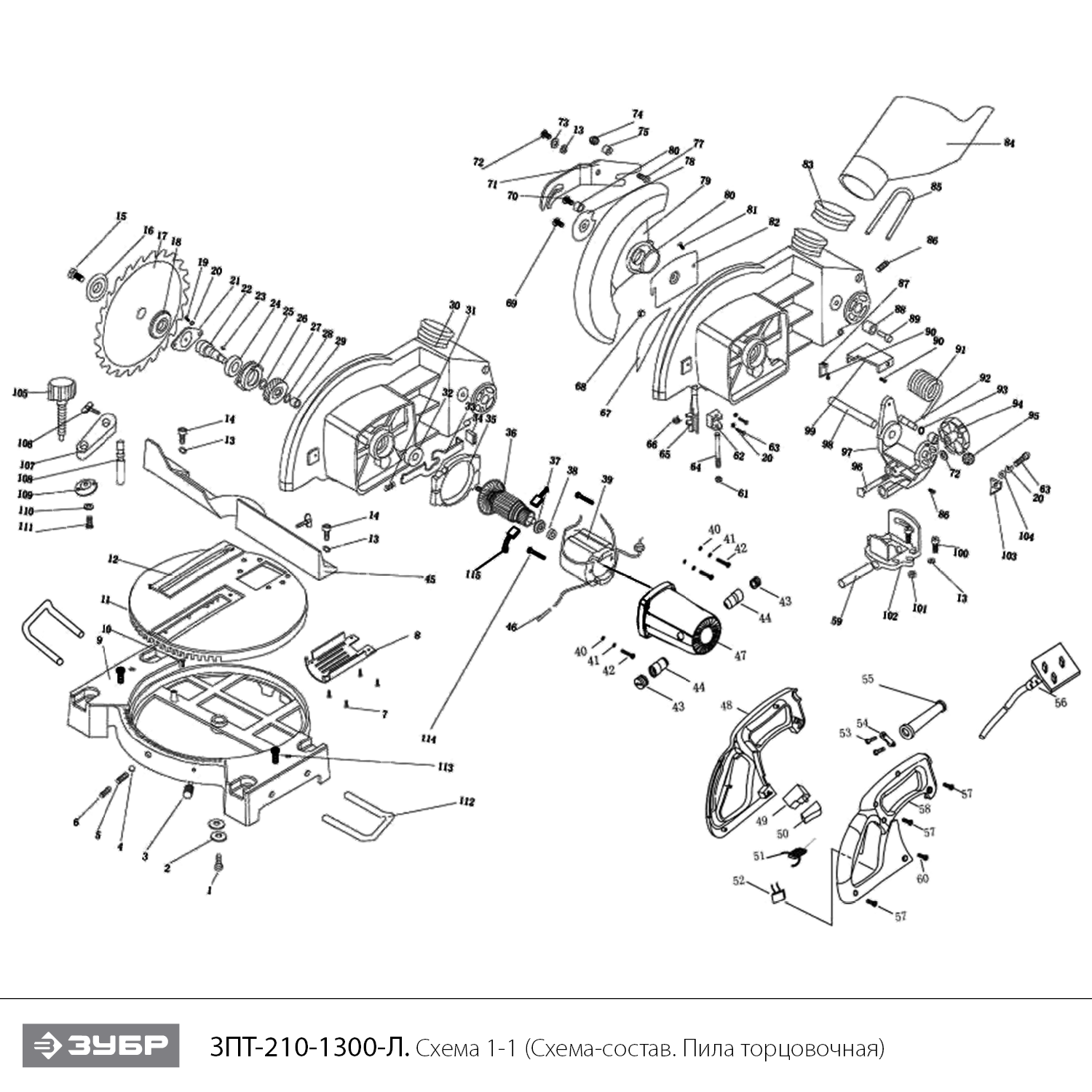
| 1 | Винт специальный (U569-130-001) | U569-130-001 | - | |
| 2 | Шайба D10 (UM04-000-006) | UM04-000-006 | 103.05 | |
| 3 | Винт cтопорный (U569-130-003) | U569-130-003 | - | |
| 4 | Шарик стальной D8 (U351-900-019) | U351-900-019 | 104.04 | |
| 5 | Пружина (U569-130-005) | U569-130-005 | - | |
| 6 | Винт M10х8 H5 установочный (U569-130-006) | U569-130-006 | - | |
| 7 | Винт M5x10 PH2 (потай) (UM01-000-183) | UM01-000-183 | - | |
| 8 | Пластина защитная (U569-130-008) | U569-130-008 | - | |
| 9 | Станина (U569-130-009) | U569-130-009 | 3 091.55 | |
| 11 | Стол поворотный (U569-130-011) | U569-130-011 | 1 030.52 | |
| 12 | Вставка стола (U569-130-012) | U569-130-012 | - | |
| 13 | Шайба-гровер D6 (UM04-001-004) | UM04-001-004 | 103.05 | |
| 14 | Винт M6x24 H5 (UM01-000-125) | UM01-000-125 | - | |
| 15 | Болт M8х22 (Левая резьба) (UM03-003-001) | UM03-003-001 | 102 | |
| 16 | Фланец внешний D45хd30хd18 (U569-130-016) | U569-130-016 | 168.14 | |
| 18 | Фланец внутренний D45хd30хd18 (U569-130-018) | U569-130-018 | 168.14 | |
| 19 | Винт M4x15 (UM01-000-019) | UM01-000-019 | 103.05 | |
| 20 | Шайба-гровер D4 (UM04-001-002) | UM04-001-002 | 103.05 | |
| 21 | Фиксатор подшипника (U569-130-021) | U569-130-021 | - | |
| 22 | Шпиндель (U569-130-022) | U569-130-022 | 846.02 | |
| 23 | Шпонка сегментная 13x5x4 (U353-115-006) | U353-115-006 | 126.48 | |
| 24 | Подшипник шариковый 6002-2RS (32x15x9) CCEB (U009-600-2RS) | U009-600-2RS | 434.37 | |
| 25 | Фланец (U569-130-025) | U569-130-025 | - | |
| 26 | Кольцо разжимное D14 (UM06-001-006) | UM06-001-006 | 103.05 | |
| 27 | Шестерня (U569-130-027) | U569-130-027 | 1 236.62 | |
| 28 | Кольцо стопорное D11 разжимное (UM06-001-004) | UM06-001-004 | 104.04 | |
| 29 | Подшипник игольчатый HK0910 (13х9х10) (U010-091-013) | U010-091-013 | 319.26 | |
| 30 | Корпус (U569-130-030) | U569-130-030 | 3 091.55 | |
| 31 | Пружина (U569-130-031) | U569-130-031 | - | |
| 32 | Подшипник шариковый 6200-2RS (30x10x9) n/n (U009-620-0RS) | U009-620-0RS | 270.21 | |
| 33 | Стопор (U569-130-033) | U569-130-033 | - | |
| 34 | Накладка рычага (U569-130-034) | U569-130-034 | - | |
| 35 | Защита статора (U569-130-035) | U569-130-035 | - | |
| 36 | Ротор (U569-130-036) | U569-130-036 | 3 091.55 | |
| 37 | Кольцо пластиковое (U569-130-037) | U569-130-037 | - | |
| 38 | Подшипник шариковый 608-2RS (22х8х7) CNBALL (U009-608-RS0) | U009-608-RS0 | 330.31 | |
| 39 | Статор (U569-130-039) | U569-130-039 | 1 596.24 | |
| 40 | Шайба D5 #F (UM04-000-003) | UM04-000-003 | 103.05 | |
| 41 | Шайба-гровер D5 (UM04-001-003) | UM04-001-003 | 103.05 | |
| 42 | Винт M5х25 PH2 (UM01-000-184) | UM01-000-184 | - | |
| 44 | Щеткодержатель в сборе 16х12х22 (U569-130-044) | U569-130-044 | 112.68 | |
| 45 | Упор фронтальный (U569-130-045) | U569-130-045 | 957.76 | |
| 47 | Корпус двигателя (U569-130-047) | U569-130-047 | 1 915.49 | |
| 48 | Ручка левая часть (U569-130-048) | U569-130-048 | 319.26 | |
| 49 | Выключатель HY15 12(10)A 250V~ 5E4 (U569-130-049) | U569-130-049 | 798.13 | |
| 51 | Катушка индукторная #Fu (U358-120-017) | U358-120-017 | 103.05 | |
| 52 | Конденсатор 0,33мкф (U353-115-041) | U353-115-041 | 103.05 | |
| 53 | Саморез 4x15 PH2 (UM02-000-022) | UM02-000-022 | 103.05 | |
| 54 | Прижим шнура (U569-130-054) | U569-130-054 | - | |
| 55 | Воротник шнура (U098-004-024) | U098-004-024 | - | |
| 56 | Шнур сетевой H05RN-F Rubber 2Gх1мм2 2м (U099-004-006) | U099-004-006 | 206.1 | |
| 57 | Саморез 4x20 (UM02-000-065) | UM02-000-065 | 103.05 | |
| 59 | Ось (U569-130-059) | U569-130-059 | - | |
| 61 | Гайка M5 (автогровер) (UM05-001-001) | UM05-001-001 | 103.05 | |
| 62 | Скоба (U569-130-062) | U569-130-062 | - | |
| 63 | Винт M4x12 (UM01-000-015) | UM01-000-015 | 103.05 | |
| 64 | Винт специальный (U569-130-064) | U569-130-064 | - | |
| 65 | Блокиратор (U569-130-065) | U569-130-065 | - | |
| 66 | Пружина кручения D8xd6xh4 (U569-130-066) | U569-130-066 | 126.11 | |
| 68 | Гайка M6 (автогровер) (UM05-001-004) | UM05-001-004 | 103.05 | |
| 69 | Винт M6х21 специальный (U569-130-069) | U569-130-069 | 31.53 | |
| 70 | Винт специальный (U569-130-070) | U569-130-070 | - | |
| 71 | Рычаг длинный (U569-130-071) | U569-130-071 | 792.66 | |
| 72 | Винт специальный (U569-130-072) | U569-130-072 | - | |
| 73 | Шайба D8 (UM04-000-005) | UM04-000-005 | 103.05 | |
| 74 | Гайка колпачковая М5 (UM05-007-001) | UM05-007-001 | - | |
| 75 | Втулка металлическая (U569-130-075) | U569-130-075 | - | |
| 76 | Подшипник игольчатый HK0709 (11x7x9) (U010-070-900) | U010-070-900 | 103.05 | |
| 77 | Винт специальный (U569-130-077) | U569-130-077 | - | |
| 78 | Крышка маленькая (U569-130-078) | U569-130-078 | - | |
| 79 | Кожух пластиковый (U569-130-079) | U569-130-079 | - | |
| 80 | Пружина кручения (U569-130-080) | U569-130-080 | 127.7 | |
| 81 | Винт M5х12 PH2 (UM01-000-147) | UM01-000-147 | 104.04 | |
| 82 | Крышка большая (U569-130-082) | U569-130-082 | - | |
| 87 | Ограничитель (U569-130-087) | U569-130-087 | - | |
| 88 | Отбойник резиновый (U569-130-088) | U569-130-088 | - | |
| 89 | Винт специальный (U569-130-089) | U569-130-089 | - | |
| 90 | Винт M4x8 РН2 (потай) #F (UM01-000-009) | UM01-000-009 | 103.05 | |
| 91 | Пружина кручения (U569-130-091) | U569-130-091 | 309.15 | |
| 92 | Штифт стопорный (U569-130-092) | U569-130-092 | - | |
| 93 | Кольцо резиновое (U569-130-093) | U569-130-093 | - | |
| 94 | Гайка-барашек M8 (U569-130-094) | U569-130-094 | - | |
| 95 | Ручка стопорного штифта (U569-130-095) | U569-130-095 | - | |
| 96 | Винт M8х61 специальный (U569-130-096) | U569-130-096 | - | |
| 97 | Держатель корпуса (U569-130-097) | U569-130-097 | - | |
| 98 | Ось (U569-130-098) | U569-130-098 | - | |
| 99 | Планка воздухозаборника (U569-130-099) | U569-130-099 | - | |
| 101 | Гайка M6 (UM05-000-003) | UM05-000-003 | 138.4 | |
| 102 | Седло держателя корпуса (U569-130-102) | U569-130-102 | - | |
| 103 | Указатель (U569-130-103) | U569-130-103 | - | |
| 113 | Винт M6x12 PH3 #F (UM01-000-070) | UM01-000-070 | 103.05 | |
| 114 | Саморез 5х77 РН2 (UM02-000-136) | UM02-000-136 | - | |
| 115 | Щетка графитовая (пара) 6.4х11х13 (U255-122-015-W) | U255-122-015-W | 202.06 | |
| 116 | Шайба (U569-130-116) | U569-130-116 | - | |
| 117 | Шайба D6 (UM04-000-004) | UM04-000-004 | 103.05 | |
| 118 | Винт M5x19 (UM01-000-037) | UM01-000-037 | 103.05 | |
| 119 | Винт M5x9 PH2 #F (UM01-000-087) | UM01-000-087 | 103.05 | |
| 120 | Гайка M5 (UM05-000-005) | UM05-000-005 | 103.05 | |
| 121 | Крышка корпуса (U569-130-121) | U569-130-121 | - | |
| 122 | Отсек батарей (U569-130-122) | U569-130-122 | - | |
| 123 | Выключатель KCD1-11 3A 250V~ 1E4 (U569-130-123) | U569-130-123 | 798.13 | |
| 124 | Крышка отсека батарей (U569-130-124) | U569-130-124 | 53.9 | |
| 125 | Хомут (U569-130-125) | U569-130-125 | - | |
| 126 | Лазер с обоймой (U569-130-126) | U569-130-126 | - | |
| 126С | Лазер в сборе (U569-130-126-C) | U569-130-126-C | 1 648.83 | |
| 127 | Винт-барашек M6 (U569-130-127) | U569-130-127 | 42.03 | |
| 128 | Гайка M8 (автогровер) (UM05-001-003) | UM05-001-003 | 103.05 | |
| 129 | Болт M6х20 (UM03-000-025) | UM03-000-025 | - | |
| 130 | Муфта резиновая (U569-130-130) | U569-130-130 | - | |
| 131 | Катушка индукторная (U253-950-054) | U253-950-054 | 103.05 | |