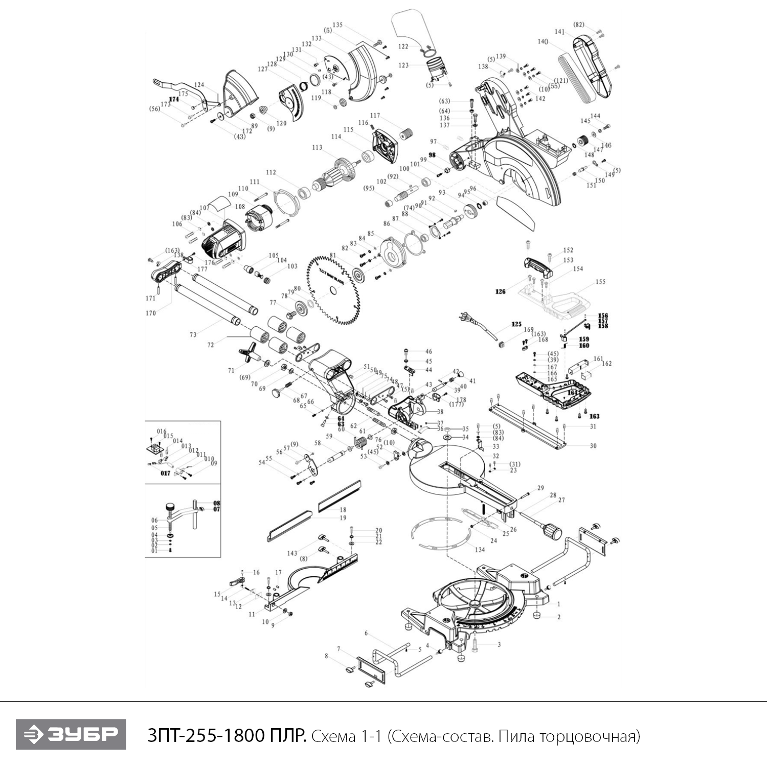
| 01 | Винт M5х12 (N000-023-858) | N000-023-858 | - | |
| 1 | Основание (N000-025-025) | N000-025-025 | 10 305.15 | |
| 02 | Шайба D5 пружинная (N000-025-178) | N000-025-178 | 103.05 | |
| 2 | Ножки основания (N000-025-026) | N000-025-026 | - | |
| 03 | Шайба D6 (N000-025-179) | N000-025-179 | - | |
| 3 | Болт M8х55 (N000-025-027) | N000-025-027 | - | |
| 4 | Ограничитель M5х25 (N000-025-028) | N000-025-028 | - | |
| 04 | Струбцина (N000-025-180) | N000-025-180 | - | |
| 05 | Ручка фиксатор (N000-025-181) | N000-025-181 | - | |
| 5 | Винт M5x10 (N000-013-855) | N000-013-855 | - | |
| 06 | Упор (N000-025-182) | N000-025-182 | - | |
| 6 | Удлинитель стола (N000-025-029) | N000-025-029 | - | |
| 07 | Винт барашек M6х20 (N000-025-183) | N000-025-183 | - | |
| 7 | Ручка удлинителя стола (N000-025-030) | N000-025-030 | - | |
| 8 | Винт барашек M6х20 (N000-025-031) | N000-025-031 | - | |
| 08 | Стойка (N000-025-184) | N000-025-184 | - | |
| 09 | Винт M4х8 (N000-020-789) | N000-020-789 | - | |
| 9 | Контргайка M6 (N000-025-032) | N000-025-032 | - | |
| 10 | Шайба D6 (N000-025-033) | N000-025-033 | - | |
| 010 | Винт M4х4 Hex (N000-025-185) | N000-025-185 | - | |
| 011 | Корпус лазера (N000-025-186) | N000-025-186 | - | |
| 11 | Упор фронтальный (N000-025-034) | N000-025-034 | 1 236.62 | |
| 012 | Лазерная головка (N000-025-187) | N000-025-187 | 515.25 | |
| 12 | Шайба квадратная (N000-025-035) | N000-025-035 | - | |
| 13 | Шайба стопорная (N000-025-036) | N000-025-036 | - | |
| 013 | Фиксатор провода (N000-025-188) | N000-025-188 | - | |
| 014 | Винт M4x6 (N000-022-357) | N000-022-357 | - | |
| 14 | Винт-фиксатор (N000-025-037) | N000-025-037 | - | |
| 15 | Фиксатор (N000-025-038) | N000-025-038 | - | |
| 015 | Трансформатор (N000-025-189) | N000-025-189 | - | |
| 16 | Шпонка круглая D5х15.5 (N000-025-039) | N000-025-039 | - | |
| 016 | Саморез ST3.2х6 (N000-025-190) | N000-025-190 | - | |
| 017 | Фиксатор (N000-025-191) | N000-025-191 | - | |
| 17 | Шпонка круглая D5х9 (N000-025-040) | N000-025-040 | - | |
| 18 | Удлинитель упора левый (N000-025-041) | N000-025-041 | - | |
| 19 | Удлинитель упора правый (N000-025-042) | N000-025-042 | 206.1 | |
| 20 | Винт M8х20 Hex (N000-023-869) | N000-023-869 | - | |
| 21 | Шайба пружинная D8mm (N000-025-043) | N000-025-043 | - | |
| 22 | Шайба D8 (N000-025-044) | N000-025-044 | - | |
| 23 | Прижим (N000-025-045) | N000-025-045 | - | |
| 24 | Контргайка M5 (N000-025-046) | N000-025-046 | - | |
| 25 | Фиксатор положения стола (N000-025-047) | N000-025-047 | - | |
| 26 | Пружина (N000-025-048) | N000-025-048 | - | |
| 27 | Ручка вращения (N000-025-049) | N000-025-049 | - | |
| 28 | Шайба поворотная (N000-025-050) | N000-025-050 | - | |
| 29 | Винт M5х35 Hex (N000-020-804) | N000-020-804 | - | |
| 30 | Вставка стола (N000-025-051) | N000-025-051 | 306.26 | |
| 32 | Основание поворотное (N000-025-052) | N000-025-052 | - | |
| 33 | Указатель поворотный (N000-025-053) | N000-025-053 | - | |
| 34 | Шайба D8 плоская (большая) (N000-025-054) | N000-025-054 | - | |
| 35 | Контргайка M8 (N000-025-055) | N000-025-055 | - | |
| 36 | Ограничитель (N000-025-056) | N000-025-056 | - | |
| 37 | Заклепка D2х4 (N000-025-057) | N000-025-057 | - | |
| 38 | Кронштейн (N000-025-058) | N000-025-058 | 12 366.18 | |
| 39 | Штифт (N000-025-059) | N000-025-059 | - | |
| 40 | Пружина (N000-025-060) | N000-025-060 | - | |
| 41 | Кнопка фиксатор (N000-025-061) | N000-025-061 | - | |
| 42 | Фиксатор круглый D3х16 (N000-025-062) | N000-025-062 | - | |
| 43 | Винт M6x10 (N000-013-865) | N000-013-865 | - | |
| 44 | Ограничитель высоты боковой (N000-025-063) | N000-025-063 | - | |
| 45 | Шайба герметичная D8 (N000-025-064) | N000-025-064 | - | |
| 46 | Винт полукруглый (N000-025-065) | N000-025-065 | - | |
| 47 | Крышка подшипника (N000-025-066) | N000-025-066 | - | |
| 48 | Винт M4x10 (N000-013-843) | N000-013-843 | - | |
| 49 | Ограничитель (N000-025-067) | N000-025-067 | - | |
| 50 | Корпус (N000-025-068) | N000-025-068 | 1 442.72 | |
| 51 | Стопорная шпилька (N000-025-069) | N000-025-069 | - | |
| 52 | Угол блока (N000-025-070) | N000-025-070 | - | |
| 53 | Винт M6x16 (N000-022-362) | N000-022-362 | - | |
| 54 | Винт M6x14 (N000-024-375) | N000-024-375 | - | |
| 55 | Шайба пружинная D6mm (N000-025-071) | N000-025-071 | - | |
| 56 | Винт M6x10 специальный (N000-025-072) | N000-025-072 | - | |
| 57 | Пластина для соединительного стержня (N000-025-073) | N000-025-073 | - | |
| 58 | Ось пружины (N000-025-074) | N000-025-074 | - | |
| 59 | Шайба специальная (N000-025-075) | N000-025-075 | - | |
| 60 | Пружина кручения D56.5xd32.5xh45 (N000-025-076) | N000-025-076 | 337.05 | |
| 61 | Шпилька резьбовая M10х86 (N000-025-077) | N000-025-077 | - | |
| 62 | Шпилька резьбовая M10х50 (N000-025-078) | N000-025-078 | - | |
| 63 | Винт M6х25 Hex (N000-020-820) | N000-020-820 | - | |
| 64 | Гайка M6 (N000-013-840) | N000-013-840 | 102 | |
| 65 | Винт M8х25 Hex (N000-025-079) | N000-025-079 | - | |
| 66 | Гайка тонкая M8 (N000-025-080) | N000-025-080 | - | |
| 67 | Пружина (N000-025-081) | N000-025-081 | - | |
| 68 | Ручка кручения 65Mn (N000-025-082) | N000-025-082 | - | |
| 69 | Шайба D10 (N000-025-083) | N000-025-083 | - | |
| 70 | Контргайка M10 (N000-025-084) | N000-025-084 | - | |
| 71 | Ручка фиксатор (N000-025-085) | N000-025-085 | - | |
| 72 | Подшипник линейный D40хd25х35 (N000-025-086) | N000-025-086 | 384.46 | |
| 73 | Направляющие (N000-025-087) | N000-025-087 | - | |
| 74 | Шайба D4 пружинная (N000-025-088) | N000-025-088 | - | |
| 75 | Шайба D4 (N000-025-089) | N000-025-089 | - | |
| 76 | Гайка (тонкая) M10 (N000-025-090) | N000-025-090 | - | |
| 77 | Винт M8х18 Hex (N000-025-091) | N000-025-091 | - | |
| 78 | Фланец внешний D53хd30хd15.5 (N000-025-092) | N000-025-092 | 273.22 | |
| 79 | Кольцо установочное наружнее (N000-025-093) | N000-025-093 | 210.17 | |
| 80 | Диск пильный 10" (N000-025-094) | N000-025-094 | - | |
| 81 | Фланец внутренний D52хd30хd15.5 (N000-025-095) | N000-025-095 | 270.21 | |
| 82 | Винт M5х20 (N000-020-799) | N000-020-799 | - | |
| 83 | Пружинная шайба D5 (N000-025-096) | N000-025-096 | - | |
| 84 | Шайба D5 (N000-025-097) | N000-025-097 | - | |
| 85 | Крышка передняя (N000-025-098) | N000-025-098 | - | |
| 86 | Прокладка бумажная (N000-025-099) | N000-025-099 | - | |
| 87 | Подшипник шариковый 6003-2RS (35х17х10) n/n (U009-600-3RS) | U009-600-3RS | 206.1 | |
| 88 | Крышка подшипника (N000-025-100) | N000-025-100 | - | |
| 89 | Защита (N000-025-101) | N000-025-101 | 618.31 | |
| 90 | Винт M4х12 (N000-023-855) | N000-023-855 | - | |
| 91 | Вал выходной (N000-025-102) | N000-025-102 | 136.62 | |
| 92 | Шпонка 4х4х8 (N000-025-103) | N000-025-103 | - | |
| 93 | Шестерня большая (N000-025-104) | N000-025-104 | 378.31 | |
| 94 | Кольцо стопорное D15 (N000-025-105) | N000-025-105 | - | |
| 95 | Подшипник игольчатый НК1010 (14х10х10) (U010-141-010) | U010-141-010 | 216.17 | |
| 96 | Кожух (N000-025-106) | N000-025-106 | - | |
| 97 | Винт M6х10 Hex (N000-020-818) | N000-020-818 | - | |
| 98 | Корпус (N000-025-107) | N000-025-107 | - | |
| 98.1 | Кожух диска подвижный в сборе (N000-014-078) | N000-014-078 | - | |
| 99 | Ограничитель (N000-025-108) | N000-025-108 | - | |
| 100 | Подшипник шариковый 6001-2Z (28х12х8) CHFZ (U009-600-1RS) | U009-600-1RS | 309.15 | |
| 101 | Винт (N000-025-109) | N000-025-109 | - | |
| 102 | Вал шестерня (N000-025-110) | N000-025-110 | 136.62 | |
| 103 | Крышка щеткодержателя (N000-025-113) | N000-025-113 | - | |
| 104 | Щетка графитовая (пара) 6.5х16х13.5 (N000-025-112) | N000-025-112 | 259.63 | |
| 105 | Щеткодержатель (N000-025-111) | N000-025-111 | 133.94 | |
| 106 | Винт M5x35 (N000-013-824) | N000-013-824 | 103.05 | |
| 107 | Корпус двигателя (N000-025-114) | N000-025-114 | 6 935.68 | |
| 108 | Наклейка (N000-025-115) | N000-025-115 | - | |
| 109 | Статор СДС (N000-025-116) | N000-025-116 | 2 669.19 | |
| 110 | Саморез ST4.8х65 (N000-025-117) | N000-025-117 | - | |
| 111 | Кольцо (N000-025-118) | N000-025-118 | - | |
| 112 | Подшипник шариковый 6000-2RS (26х10х8) CNBALL (U009-600-0RS) | U009-600-0RS | 330.31 | |
| 113 | Ротор КДС (N000-025-119) | N000-025-119 | 3 707.66 | |
| 114 | Подшипник шариковый 6002-2RS (32x15x9) CCEB (U009-600-2RS) | U009-600-2RS | 434.37 | |
| 115 | Крышка средняя (N000-025-120) | N000-025-120 | - | |
| 116 | Винт M8х25 Hex (N000-025-121) | N000-025-121 | - | |
| 117 | Шкив малый (N000-025-122) | N000-025-122 | 206.1 | |
| 118 | Ролик (N000-025-123) | N000-025-123 | - | |
| 119 | Кольцо стопорное D5 (N000-025-124) | N000-025-124 | - | |
| 120 | Ролик (N000-025-125) | N000-025-125 | - | |
| 121 | Винт M6х20 Hex (N000-020-819) | N000-020-819 | - | |
| 122 | Мешок пылесборный (N000-025-126) | N000-025-126 | - | |
| 123 | Патрубок пылесборника (N000-025-127) | N000-025-127 | - | |
| 124 | Рычаг (N000-025-128) | N000-025-128 | - | |
| 125 | Шнур сетевой ZUBR, H05VV-F, PVC, 2x1.0mm2, 2m (V000-006-357) | V000-006-357 | 618.31 | |
| 126 | Винт M5x40 (N000-020-815) | N000-020-815 | 102 | |
| 127 | Крышка (N000-025-129) | N000-025-129 | 412.2 | |
| 128 | Пружина кручения D47xd44xh6 (N000-025-130) | N000-025-130 | 147.12 | |
| 129 | Шайба защитная (большая) (N000-025-131) | N000-025-131 | 103.05 | |
| 130 | Кольцо резиновое (квадрат) (N000-025-132) | N000-025-132 | 103.05 | |
| 131 | Винт M6x7 специальный (N000-025-133) | N000-025-133 | - | |
| 132 | Пластина (N000-025-134) | N000-025-134 | - | |
| 133 | Защита (N000-025-135) | N000-025-135 | 853.9 | |
| 134 | Шайба (N000-025-136) | N000-025-136 | - | |
| 135 | Винт M6x14 специальный (N000-025-137) | N000-025-137 | - | |
| 136 | Винт M6х35 Hex (N000-023-864) | N000-023-864 | - | |
| 137 | Гайка регулировки глубины (N000-025-138) | N000-025-138 | - | |
| 138 | Фиксатор провода (N000-025-139) | N000-025-139 | - | |
| 139 | Шайба плоская (маленькая) D6 (N000-025-140) | N000-025-140 | - | |
| 140 | Ремень поликлиновой 6PJ508 (N000-025-141) | N000-025-141 | 945.78 | |
| 141 | Кожух ремня (N000-025-142) | N000-025-142 | - | |
| 142 | Винт M6х16 Hex (N000-025-143) | N000-025-143 | - | |
| 143 | Винт барашек M6 (N000-025-144) | N000-025-144 | - | |
| 144 | Винт M6х16 (Левая резьба) (N000-025-145) | N000-025-145 | - | |
| 145 | Шайба пружинная D6mm (N000-025-146) | N000-025-146 | - | |
| 146 | Шайба большая (толстая) D6 (N000-025-147) | N000-025-147 | - | |
| 147 | Шкив (N000-025-148) | N000-025-148 | 136.62 | |
| 148 | Шайба D28 (N000-025-149) | N000-025-149 | - | |
| 149 | Фиксатор (N000-025-150) | N000-025-150 | - | |
| 150 | Ось пружины (N000-025-151) | N000-025-151 | - | |
| 151 | Пружина (N000-025-152) | N000-025-152 | - | |
| 152 | Саморез ST6х18 (N000-025-153) | N000-025-153 | - | |
| 153 | Ручка (N000-025-154) | N000-025-154 | - | |
| 154 | Винт M5х50 (N000-025-155) | N000-025-155 | - | |
| 155 | Ручка крышки верхняя часть (N000-025-156) | N000-025-156 | 349.22 | |
| 156 | Фиксатор (N000-025-157) | N000-025-157 | - | |
| 157 | Штифт блокировки включения (N000-025-158) | N000-025-158 | - | |
| 158 | Кнопка фиксатор правая (N000-025-159) | N000-025-159 | - | |
| 159 | Кнопка фиксатор левая (N000-025-160) | N000-025-160 | - | |
| 160 | Пружина кручения D6.7xd5.4xh2 (N000-025-161) | N000-025-161 | 102 | |
| 161 | Кнопка выключателя (N000-025-162) | N000-025-162 | - | |
| 162 | Выключатель KR1040 12(12)A ~250V 5E4 (V000-003-346) | V000-003-346 | 483.39 | |
| 163 | Саморез ST3.9х14 (N000-025-163) | N000-025-163 | - | |
| 164 | Саморез ST3.9х10 (N000-025-164) | N000-025-164 | - | |
| 165 | Ручка крышки нижняя часть (N000-025-165) | N000-025-165 | 446.21 | |
| 166 | Шайба D5 (N000-025-166) | N000-025-166 | - | |
| 167 | Шайба (N000-025-167) | N000-025-167 | - | |
| 168 | Фиксатор кабеля (N000-025-168) | N000-025-168 | - | |
| 169 | Прокладка резиновая (N000-025-169) | N000-025-169 | - | |
| 170 | Крышка задняя (N000-025-170) | N000-025-170 | - | |
| 171 | Ось пружины D5х40 (N000-025-171) | N000-025-171 | - | |
| 172 | Шайба (N000-025-172) | N000-025-172 | - | |
| 173 | Винт M6x10 специальный (N000-025-173) | N000-025-173 | - | |
| 174 | Заклепка (N000-025-174) | N000-025-174 | - | |
| 175 | Планка (N000-025-175) | N000-025-175 | - | |
| 176 | Саморез ST4.8x20 (N000-022-383) | N000-022-383 | - | |
| 177 | Струбцины провода (N000-025-176) | N000-025-176 | - | |
| 178 | Винт M5х18 в потай (N000-025-177) | N000-025-177 | - | |