| 2 | Винт M4x32 РН2 #F (UM01-000-027) | UM01-000-027 | 103.05 | |
| 3 | Кожух (U533-350-003) | U533-350-003 | - | |
| 4 | Гайка стопорная (U533-350-004) | U533-350-004 | - | |
| 5 | Шкив ведомый (U533-350-005) | U533-350-005 | - | |
| 6 | Винт M5х15 H4 (UM01-000-160) | UM01-000-160 | 103.05 | |
| 7 | Ремень клиновой Y-560 (U533-350-007) | U533-350-007 | 657.46 | |
| 8 | Подшипник шариковый 6004-2RS (42х20х12) LXB (U009-600-4RS) | U009-600-4RS | 206.1 | |
| 9 | Кольцо стопорное сжимное D46 (UM06-002-008) | UM06-002-008 | 103.05 | |
| 10 | Шайба D8 (UM04-000-005) | UM04-000-005 | 103.05 | |
| 11 | Шайба-гровер D8 (UM04-001-005) | UM04-001-005 | 103.05 | |
| 12 | Винт M8х33 (UM01-000-177) | UM01-000-177 | - | |
| 13 | Бабка передняя (U533-350-013) | U533-350-013 | 4 739.38 | |
| 14 | Шпиндель (U533-350-014) | U533-350-014 | - | |
| 15 | Планшайба (U533-350-015) | U533-350-015 | 937.69 | |
| 16 | Центр передней бабки (U533-350-016) | U533-350-016 | 4 794 | |
| 17 | Гайка M8 (автогровер) (UM05-001-003) | UM05-001-003 | 103.05 | |
| 18 | Пластина стальная (U533-350-018) | U533-350-018 | - | |
| 19 | Пружина сжатия (U533-350-019) | U533-350-019 | - | |
| 20 | Болт специальный (U533-350-020) | U533-350-020 | - | |
| 21 | Вал эксцентриковый (U533-350-021) | U533-350-021 | - | |
| 23 | Винт M4x18 PH2 #F (UM01-000-071) | UM01-000-071 | 103.05 | |
| 24 | Кронштейн подручника (U533-350-024) | U533-350-024 | - | |
| 25 | Подручник (U533-350-025) | U533-350-025 | - | |
| 26 | Втулка стальная (U533-350-026) | U533-350-026 | 102 | |
| 27 | Болт специальный (U533-350-027) | U533-350-027 | 109.52 | |
| 28 | Втулка зубчатая (U533-350-028) | U533-350-028 | 147.63 | |
| 29 | Пружина сжатия (U533-350-029) | U533-350-029 | - | |
| 30 | Рукоятка фиксации малая (U533-350-030) | U533-350-030 | 255.29 | |
| 31 | Рукоятка фиксации большая (U533-350-031) | U533-350-031 | 255.29 | |
| 32 | Электродвигатель постоянного тока 350Вт в сборе (статор постоянные магниты) (U533-350-032) | U533-350-032 | 7 456.7 | |
| 34 | Пружина сжатия (U533-350-034) | U533-350-034 | - | |
| 35 | Винт специальный (U533-350-035) | U533-350-035 | - | |
| 36 | Центр задней бабки (U533-350-036) | U533-350-036 | 3 503.75 | |
| 37 | Втулка резьбовая (U533-350-037) | U533-350-037 | - | |
| 38 | Подшипник шариковый 608-2RS (22х8х7) CNBALL (U009-608-RS0) | U009-608-RS0 | 330.31 | |
| 39 | Вал эксцентриковый (U533-350-039) | U533-350-039 | - | |
| 40 | Конус центра (U533-350-040) | U533-350-040 | 618.31 | |
| 41 | Бабка задняя (U533-350-041) | U533-350-041 | - | |
| 42 | Болт специалный (U533-350-042) | U533-350-042 | - | |
| 43 | Винт M6х8 Н2.5 установочный (UM01-003-003) | UM01-003-003 | - | |
| 44 | Пиноль (U533-350-044) | U533-350-044 | - | |
| 45 | Гайка M6 (автогровер) (UM05-001-004) | UM05-001-004 | 103.05 | |
| 46 | Маховик (U533-350-045) | U533-350-045 | - | |
| 47 | Рукоятка (U533-350-046) | U533-350-046 | - | |
| 48 | Винт специальный (U533-350-047) | U533-350-047 | - | |
| 49 | Заглушка (U533-350-048) | U533-350-048 | - | |
| 51 | Винт M4x14 H3 (цилиндр) #F (UM01-000-114) | UM01-000-114 | 103.05 | |
| 52 | Шайба D4 (UM04-000-002) | UM04-000-002 | 103.05 | |
| 53 | Кожух левый (U533-350-053) | U533-350-053 | - | |
| 54 | Ограничитель (U533-350-054) | U533-350-054 | - | |
| 55 | Кожух правый (U533-350-055) | U533-350-055 | - | |
| 56 | Опора резиновая (U533-350-056) | U533-350-056 | - | |
| 57 | Винт M10x21 H8 (цилиндр) (UM01-000-217) | UM01-000-217 | - | |
| 58 | Станина (U533-350-058) | U533-350-058 | - | |
| 59 | Фланец (U533-350-059) | U533-350-059 | - | |
| 60 | Шайба D5 #F (UM04-000-003) | UM04-000-003 | 103.05 | |
| 61 | Винт M5x19 (UM01-000-037) | UM01-000-037 | 103.05 | |
| 62 | Шайба D6 (UM04-000-004) | UM04-000-004 | 103.05 | |
| 63 | Шайба-гровер D6 (UM04-001-004) | UM04-001-004 | 103.05 | |
| 64 | Винт M6x21 H5 (UM01-000-174) | UM01-000-174 | 102 | |
| 65 | Саморез 4x12 PH2 (UM02-000-018) | UM02-000-018 | 103.05 | |
| 66 | Саморез 4x14 PH2 (UM02-000-021) | UM02-000-021 | 103.05 | |
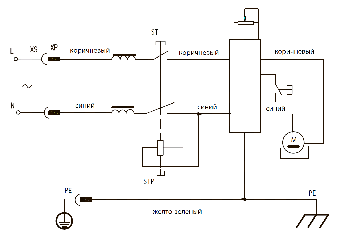
| 67 | Выключатель электромагнитный KEDU KJD17B 16(12)А 250В с грибком (U533-350-067) | U533-350-067 | 1 140.85 | |
| 68 | Ручка потенциометра (U533-350-068) | U533-350-068 | - | |
| 72 | Кольцо декоративное (U533-350-072) | U533-350-072 | 150.89 | |
| 74 | Короб пластиковый (U533-350-074) | U533-350-074 | - | |
| 75 | Втулка резиновая (U533-350-075) | U533-350-075 | - | |
| 76 | Плата управления электродвигателем (регулятор оборотов) (U533-350-076) | U533-350-076 | 2 354.54 | |
| 77 | Саморез 3x8 PH1 (UM02-000-067) | UM02-000-067 | 103.05 | |
| 78 | Катушка индукторная (U533-350-078) | U533-350-078 | - | |
| 79 | Крышка короба (U533-350-079) | U533-350-079 | - | |
| 80 | Саморез 3x11 PH1 (UM02-000-004) | UM02-000-004 | - | |
| 82 | Шкив ведущий (U533-350-082) | U533-350-082 | - | |
| 83 | Винт M5х14 PH2 (UM01-000-164) | UM01-000-164 | - | |
| 85 | Прижим шнура (U533-350-085) | U533-350-085 | - | |
| 86 | Скоба крепежная (U533-350-086) | U533-350-086 | - | |
| 87 | Пластина прижимная (U533-350-087) | U533-350-087 | - | |
| 88 | Воротник шнура (U098-004-010) | U098-004-010 | 103.05 | |
| 90 | Шнур сетевой резин. 3x0.75мм 2м (U099-004-009) | U099-004-009 | 206.1 | |
| 91 | Шайба стопорная D4 (UM04-003-001) | UM04-003-001 | 103.05 | |
| 92 | Винт M5х12 PH2 (UM01-000-147) | UM01-000-147 | 104.04 | |
| 93 | Винт специальный (U533-350-095) | U533-350-095 | - | |
| 94 | Винт M10x45 H8 (цилиндр) (UM01-000-218) | UM01-000-218 | - | |
| 95 | Выключатель автоматический 250В 3А (U533-350-096) | U533-350-096 | 1 053.52 | |
| 96 | Щетка графитовая (пара) 6х8х14 (U529-250-193-W) | U529-250-193-W | 391.24 | |
| 97 | Кольцо разжимное D19 #F (UM06-001-015) | UM06-001-015 | 103.05 | |
| 98 | Гайка M5 (UM05-000-005) | UM05-000-005 | 103.05 | |
| 99 | Винт M4x10 (UM01-000-012) | UM01-000-012 | 103.05 | |
| 100 | Крышка боковая (U533-350-097) | U533-350-097 | - | |