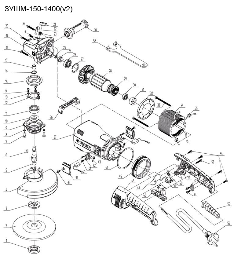
| 1 | Фланец прижимной внешний M14 (U353-115-001) | U353-115-001 | 111.07 | |
| 3 | Фланец внутренний D14 Ls17.5 (U353-001-416) | U353-001-416 | 103.05 | |
| 4 | Кожух диска (U503-140-004) | U503-140-004 | 431.12 | |
| 5 | Шпиндель (U503-140-005) | U503-140-005 | 309.15 | |
| 6 | Шпонка сегментная 13x5x4 (U353-115-006) | U353-115-006 | 126.48 | |
| 7 | Винт M5x16 PH2 (UM01-000-035) | UM01-000-035 | 103.05 | |
| 8 | Шайба-гровер D5 (UM04-001-003) | UM04-001-003 | 103.05 | |
| 9 | Крышка корпуса редуктора (U503-140-009) | U503-140-009 | 515.25 | |
| 10 | Шайба пылезащитная (U503-140-010) | U503-140-010 | - | |
| 11 | Подшипник шариковый 6202 открытый (35х15х11) n/n (U009-620-200) | U009-620-200 | 394.08 | |
| 12 | Фиксатор подшипника шпинделя (U503-140-012) | U503-140-012 | - | |
| 13 | Шайба-гровер D4 (UM04-001-002) | UM04-001-002 | 103.05 | |
| 14 | Винт M4x14 РН2 (UM01-000-018) | UM01-000-018 | 103.05 | |
| 15 | Шестерня ведомая D49хL17 Z36 (U503-140-015) | U503-140-015 | 538.91 | |
| 16 | Кольцо разжимное D13 #F (UM06-001-005) | UM06-001-005 | 103.05 | |
| 17 | Подшипник игольчатый HK0910 (13х9х10) (U010-091-013) | U010-091-013 | 319.26 | |
| 18 | Саморез 5х31 РН2 (UM02-000-138) | UM02-000-138 | 102 | |
| 19 | Корпус редуктора усиленный 83x84xh95 (U503-140-019-2) | U503-140-019-2 | 828.68 | |
| 19 | Корпус редуктора (U503-140-019) | U503-140-019 | 927.47 | |
| 20 | Саморез 5x28 РН2 #F (UM02-000-079) | UM02-000-079 | - | |
| 21 | Кнопка стопора D7x25.4 (U503-140-021) | U503-140-021 | 127.7 | |
| 22 | Стопор D7x25.6 (U503-140-022) | U503-140-022 | 124.5 | |
| 23 | Пружина стопора D9xh13 (U503-140-023) | U503-140-023 | 103.05 | |
| 24 | Гайка M8 (автогровер) (UM05-001-003) | UM05-001-003 | 103.05 | |
| 25 | Шестерня ведущая D20x14 Z12 (U503-140-025) | U503-140-025 | 309.15 | |
| 26 | Подшипник шариковый 6200-2RS (30x10x9) n/n (U009-620-0RS) | U009-620-0RS | 270.21 | |
| 27 | Кольцо стопорное сжимное D34 (UM06-002-002) | UM06-002-002 | 104.04 | |
| 28 | Ротор КД под шлиц D50x44.1 (U503-140-028) | U503-140-028 | 3 091.55 | |
| 29 | Кольцо пылезащитное (U503-140-029) | U503-140-029 | 102 | |
| 30 | Подшипник шариковый 608-2RS (22х8х7) CNBALL (U009-608-RS0) | U009-608-RS0 | 330.31 | |
| 31 | Втулка подшипника 608 резиновая (U353-110-031) | U353-110-031 | 115.6 | |
| 32 | Диффузор (U503-140-032) | U503-140-032 | - | |
| 33 | Саморез 4x62 PH2 #F (UM02-000-046) | UM02-000-046 | - | |
| 34 | Статор КД D50x73 (U503-140-034) | U503-140-034 | 2 413.97 | |
| 35 | Катушка индукционная ферромагнитная (U253-120-055) | U253-120-055 | 103.05 | |
| 36 | Накладка резиновая (U503-140-036) | U503-140-036 | - | |
| 37 | Корпус двигателя (U503-140-037) | U503-140-037 | 2 380 | |
| 38 | Саморез 4x12 PH2 (UM02-000-018) | UM02-000-018 | 103.05 | |
| 39 | Крышка щеткодержателя (U503-140-039) | U503-140-039 | 102 | |
| 40 | Щетка графитовая (пара) 10х6.5х15 (U503-140-040-W) | U503-140-040-W | 158 | |
| 41 | Саморез 3x14 PH1 (UM02-000-008) | UM02-000-008 | 103.05 | |
| 42 | Щеткодержатель с пружиной (пара) (U503-140-042) | U503-140-042 | 241.98 | |
| 44 | Шайба пластиковая (U503-140-044) | U503-140-044 | - | |
| 45 | Вставка амортизационная (U503-140-045) | U503-140-045 | - | |
| 46 | Ручка левая часть (U503-140-046) | U503-140-046 | 206.1 | |
| 47 | Конденсатор 0,33мкф (U353-115-041) | U353-115-041 | 103.05 | |
| 48 | Выключатель HL-8A 8(8)A 250V~ 5E4 (V000-003-301) | V000-003-301 | 272.05 | |
| 49 | Кнопка фиксатора (U503-140-049) | U503-140-049 | 102 | |
| 50 | Пружина (U503-140-050) | U503-140-050 | - | |
| 51 | Ручка правая часть (U503-140-051) | U503-140-051 | 206.1 | |
| 52 | Прижим шнура (U503-140-052) | U503-140-052 | - | |
| 53 | Саморез 4x34 PH2 #F (UM02-000-039) | UM02-000-039 | 103.05 | |
| 54 | Саморез 4x18 PH2 (UM02-000-027) | UM02-000-027 | 103.05 | |
| 55 | Воротник шнура (U098-004-025) | U098-004-025 | 103.05 | |
| 56 | Шнур сетевой Rubber 2x1,0мм, 3м (U099-004-006-3) | U099-004-006-3 | 412.2 | |
| 57 | Ручка боковая дополнительная (U503-600-019) | U503-600-019 | 206.1 | |
| 59 | Щеткодержатель 18x10x6.5 (U503-140-059) | U503-140-059 | 242 | |