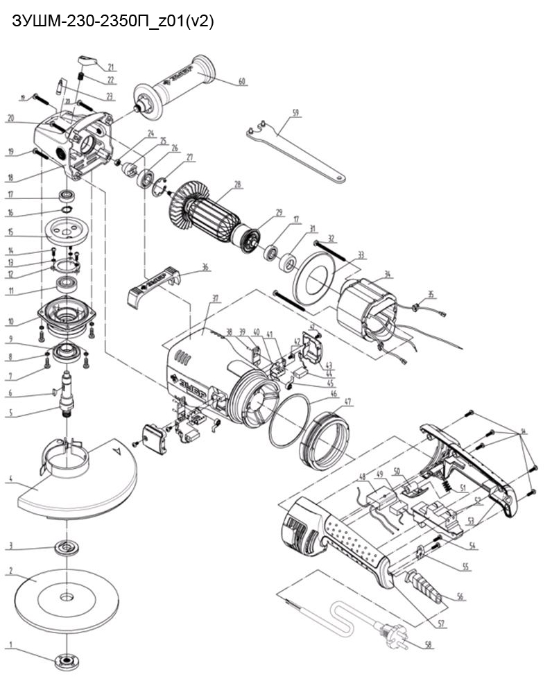
| 1 | Фланец прижимной внешний M14 (U353-115-001) | U353-115-001 | 111.07 | |
| 3 | Фланец внутренний D14 Ls17.5 (U353-001-420) | U353-001-420 | 117.1 | |
| 4 | Кожух диска (U503-211-004) | U503-211-004 | 618.31 | |
| 5 | Шпиндель (U503-236-005) | U503-236-005 | 277.44 | |
| 6 | Шпонка сегментная 13x5x4 (U353-115-006) | U353-115-006 | 126.48 | |
| 7 | Винт M5x19 (UM01-000-037) | UM01-000-037 | 103.05 | |
| 8 | Шайба-гровер D5 (UM04-001-003) | UM04-001-003 | 103.05 | |
| 9 | Кольцо пылезащитное (U503-181-009) | U503-181-009 | 206.1 | |
| 10 | Крышка корпуса редуктора (U503-236-010) | U503-236-010 | 2 576.29 | |
| 11 | Подшипник шариковый 6202 открытый (35х15х11) n/n (U009-620-200) | U009-620-200 | 394.08 | |
| 12 | Фиксатор подшипника шпинделя D42xh2,2 (U253-235-013) | U253-235-013 | 103.05 | |
| 13 | Шайба-гровер D4 (UM04-001-002) | UM04-001-002 | 103.05 | |
| 14 | Винт M4x14 РН2 (UM01-000-018) | UM01-000-018 | 103.05 | |
| 15 | Шестерня ведомая D75xd15 Z43 (U503-236-015) | U503-236-015 | 847.62 | |
| 16 | Кольцо разжимное D14 (UM06-001-006) | UM06-001-006 | 103.05 | |
| 17 | Подшипник шариковый 629-2Z (26х9х8) OG (U009-629-RS0) | U009-629-RS0 | 317.22 | |
| 18 | Корпус редуктора 119x104x104 (U503-236-018) | U503-236-018 | 1 044.86 | |
| 18 | Корпус редуктора усиленный 119x104x104 (U503-236-018-2) | U503-236-018-2 | 1 172.77 | |
| 19 | Саморез 5х31 РН2 (UM02-000-138) | UM02-000-138 | 102 | |
| 20 | Саморез 5x39 РН2 #F (UM02-000-057) | UM02-000-057 | - | |
| 21 | Кнопка стопора 30.3x27.7x9.5 (U503-236-021) | U503-236-021 | 105.36 | |
| 22 | Пружина стопора D9xh13 (U503-140-023) | U503-140-023 | 103.05 | |
| 23 | Стопор D8,42x12,34 (U503-236-023) | U503-236-023 | 124.5 | |
| 24 | Гайка М8 автогровер (UM05-001-008) | UM05-001-008 | 102 | |
| 25 | Шестерня ведущая D21xd9 Z10 (U503-236-025) | U503-236-025 | 1 012.03 | |
| 26 | Подшипник шариковый 6201-2RS (32х12х10) n/n (U009-620-1RS) | U009-620-1RS | 206.1 | |
| 27 | Кольцо стопорное сжимное D36 (UM06-002-009) | UM06-002-009 | 103.05 | |
| 28 | Ротор КД D60x51.8 (U503-236-028) | U503-236-028 | 3 835.2 | |
| 29 | Кольцо пылезащитное D29 (U503-181-030) | U503-181-030 | 126.48 | |
| 31 | Втулка подшипника 629 резиноваяD30x9 (U253-235-032) | U253-235-032 | 147.22 | |
| 32 | Саморез 5x74 РН2 #F (UM02-000-062) | UM02-000-062 | - | |
| 33 | Диффузор (U503-236-033) | U503-236-033 | 6 698.35 | |
| 34 | Статор КД D60x90 (U503-236-034) | U503-236-034 | 3 278.69 | |
| 35 | Катушка индукционная ферромагнитная (U253-120-055) | U253-120-055 | 103.05 | |
| 36 | Накладка резиновая (U503-236-036) | U503-236-036 | 103.05 | |
| 37 | Корпус двигателя (U503-236-037) | U503-236-037 | 1 170.97 | |
| 40 | Щеткодержатель в сборе с пружиной (U503-236-040) | U503-236-040 | 404.12 | |
| 41 | Клемма (U503-181-042) | U503-181-042 | 103.05 | |
| 42 | Саморез 4x12 PH2 (UM02-000-018) | UM02-000-018 | 103.05 | |
| 43 | Крышка щеткодержателя (U503-236-043) | U503-236-043 | 102 | |
| 44 | Щетка графитовая (пара) 7x14x21 (U503-236-044-W) | U503-236-044-W | 225 | |
| 46 | Шайба пластиковая (U503-236-046) | U503-236-046 | - | |
| 47 | Вставка амортизационная (U503-236-047) | U503-236-047 | 206.1 | |
| 48 | Блок плавного пуска RT230-16A 16A 230V~ (U203-210-040) | U203-210-040 | 562.6 | |
| 49 | Конденсатор 0,47 M х2 40/085/21C 275V~ (U503-181-050) | U503-181-050 | - | |
| 50 | Кнопка фиксатора (U503-236-050) | U503-236-050 | 104.04 | |
| 51 | Пружина (U503-181-052) | U503-181-052 | 206.1 | |
| 52 | Выключатель S230B 12(12)A 250V ~ 5E4 (V000-003-389) | V000-003-389 | 612.51 | |
| 53 | Ручка правая часть (U503-236-053) | U503-236-053 | 412.2 | |
| 54 | Саморез 4x18 PH2 (UM02-000-027) | UM02-000-027 | 103.05 | |
| 55 | Прижим шнура (U503-181-056) | U503-181-056 | - | |
| 56 | Воротник шнура (U098-004-025) | U098-004-025 | 103.05 | |
| 57 | Ручка левая часть (U503-236-057) | U503-236-057 | 412.2 | |
| 58 | Шнур сетевой Rubber 2x1,5mm2 3m (U099-004-008-3) | U099-004-008-3 | 412.2 | |
| 60 | Ручка боковая дополнительная (U503-210-019) | U503-210-019 | 309.15 | |
| 61 | Щеткодержатель (U503-236-058) | U503-236-058 | 103.29 | |