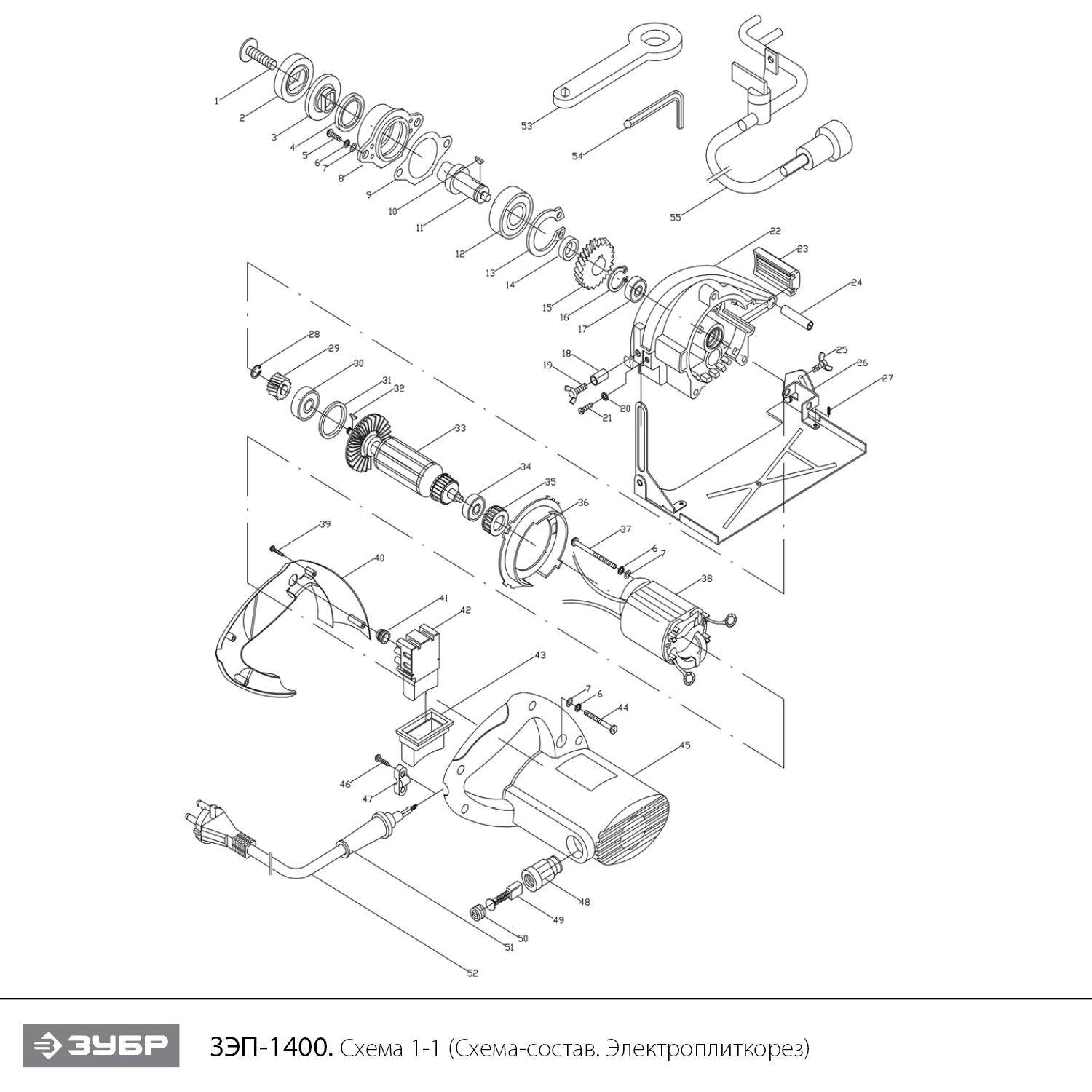
| 1 | Болт M8х26 (UM03-002-002) | UM03-002-002 | 103.05 | |
| 2 | Шайба прижимная (U516-140-002) | U516-140-002 | 105.36 | |
| 3 | Шайба прижимная (U516-140-003) | U516-140-003 | 105.36 | |
| 4 | Сальник D24xd18xh3 (U376-128-041) | U376-128-041 | 194.54 | |
| 5 | Винт M5x20 РН2 #F (UM01-000-040) | UM01-000-040 | 103.05 | |
| 6 | Шайба-гровер D5 (UM04-001-003) | UM04-001-003 | 103.05 | |
| 7 | Шайба D5 #F (UM04-000-003) | UM04-000-003 | 103.05 | |
| 8 | Фланец (U516-140-008) | U516-140-008 | 159.63 | |
| 9 | Прокладка фланца картонная (U376-128-040) | U376-128-040 | - | |
| 10 | Шпонка сегментная 13x5x4 (U353-115-006) | U353-115-006 | 126.48 | |
| 11 | Шпиндель (U516-140-011) | U516-140-011 | 412.2 | |
| 12 | Подшипник шариковый 6201-2RS (32х12х10) n/n (U009-620-1RS) | U009-620-1RS | 206.1 | |
| 13 | Кольцо сжимное D32 (UM06-002-001) | UM06-002-001 | 103.05 | |
| 14 | Втулка (U255-120-040) | U255-120-040 | 206.1 | |
| 15 | Шестерня (U516-140-015) | U516-140-015 | 618.31 | |
| 16 | Кольцо стопорное D11 разжимное (UM06-001-004) | UM06-001-004 | 104.04 | |
| 17 | Подшипник шариковый 606-2Z (40х17х12) ZXBRS (U009-606-RS0) | U009-606-RS0 | 103.05 | |
| 18 | Втулка металлическая (U516-140-018) | U516-140-018 | - | |
| 19 | Винт-барашек M6х26 (U376-128-063) | U376-128-063 | 103.05 | |
| 20 | Шайба-гровер D4 (UM04-001-002) | UM04-001-002 | 103.05 | |
| 21 | Винт M4x14 РН2 (UM01-000-018) | UM01-000-018 | 103.05 | |
| 22 | Промщит (U516-140-022) | U516-140-022 | 3 091.55 | |
| 23 | Решетка вентиляционная (U516-140-023) | U516-140-023 | - | |
| 24 | Штифт (U516-140-024) | U516-140-024 | - | |
| 25 | Винт-барашек M6х8 (U516-140-025) | U516-140-025 | - | |
| 26 | Стол в сборе (U516-140-026-C) | U516-140-026-C | 1 030.52 | |
| 27 | Винт M5х12 (U516-140-027) | U516-140-027 | - | |
| 28 | Кольцо разжимное D7 (UM06-001-016) | UM06-001-016 | 103.05 | |
| 29 | Шестерня (U516-140-029) | U516-140-029 | 721.36 | |
| 30 | Подшипник шариковый 629-2Z (26х9х8) OG (U009-629-RS0) | U009-629-RS0 | 317.22 | |
| 31 | Кольцо уплотнительное D29 D26 h3 (U516-140-031) | U516-140-031 | - | |
| 32 | Шпонка сегментная 3х10 (U353-110-006) | U353-110-006 | 103.05 | |
| 33 | Ротор (U516-140-033) | U516-140-033 | 3 091.55 | |
| 34 | Подшипник шариковый 608-2RS (22х8х7) CNBALL (U009-608-RS0) | U009-608-RS0 | 330.31 | |
| 35 | Втулка подшипника 627 резиновая (U253-850-031) | U253-850-031 | 103.05 | |
| 36 | Защита статора (U516-140-036) | U516-140-036 | - | |
| 37 | Саморез 5x74 РН2 #F (UM02-000-062) | UM02-000-062 | - | |
| 38 | Статор (U516-140-038) | U516-140-038 | 1 692.02 | |
| 39 | Саморез 4x20 (UM02-000-065) | UM02-000-065 | 103.05 | |
| 40 | Крышка ручки (U516-140-040) | U516-140-040 | 412.2 | |
| 41 | Пыльник резиновый (U516-140-041) | U516-140-041 | 105.36 | |
| 42 | Выключатель электромагнитный KJD6 8А 250В 5E4 (V000-003-284) | V000-003-284 | 525.43 | |
| 43 | Пыльник резиновый (U516-140-043) | U516-140-043 | 102 | |
| 44 | Винт M5x28 PH2 (UM01-000-081) | UM01-000-081 | 103.05 | |
| 45 | Корпус двигателя (U516-140-045) | U516-140-045 | 1 030.52 | |
| 46 | Саморез 4x14 PH2 (UM02-000-021) | UM02-000-021 | 103.05 | |
| 47 | Прижим шнура (U253-120-047) | U253-120-047 | 103.05 | |
| 48 | Щеткодержатель (U516-140-048) | U516-140-048 | 202.06 | |
| 49 | Щетка графитовая (пара) 7х11х14 (U376-128-008-W) | U376-128-008-W | 244.12 | |
| 50 | Крышка щеткодержателя D16x7 (U376-128-007) | U376-128-007 | 103.05 | |
| 51 | Воротник шнура (U098-004-005) | U098-004-005 | 103.05 | |
| 52 | Шнур сетевой H05RN-F Rubber 2Gх1мм2 2м (U099-004-006) | U099-004-006 | 206.1 | |
| 55С | Устройство подачи воды в сборе (U516-140-055-C) | U516-140-055-C | 1 442.72 | |
| 56 | Шайба D16хd6х2 (UM04-002-022) | UM04-002-022 | 104.04 | |
| 57 | Кольцо щеткодержателя (U103-120-038) | U103-120-038 | 103.05 | |
| 58 | Пыльник (кольцо пластиковое) (U376-128-027) | U376-128-027 | 103.05 | |
| 59 | Устройство подачи воды (U516-140-059) | U516-140-059 | 255.41 | |
| 60 | Шланг для подачи воды (U376-128-069) | U376-128-069 | 103.05 | |
| 61 | Переходник (U376-128-070) | U376-128-070 | 206.1 | |