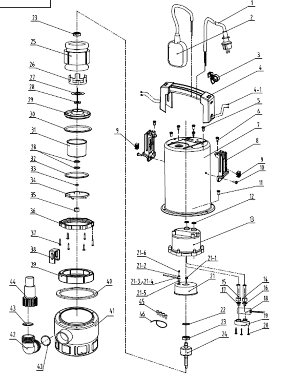
| 1 | Шнур сетевой Rubber 3x0.75мм 10м (U099-004-009-10) | U099-004-009-10 | 515.25 | |
| 2 | Поплавок в сборе (U452-400-002) | U452-400-002 | 702.34 | |
| 3 | Хомут (N000-026-043) | N000-026-043 | - | |
| 4 | Ручка (N000-026-044) | N000-026-044 | - | |
| 4.1 | Саморез (N000-026-045) | N000-026-045 | - | |
| 5 | Саморез (N000-026-046) | N000-026-046 | - | |
| 6 | Саморез (N000-026-047) | N000-026-047 | - | |
| 7 | Корпус насоса (N000-026-048) | N000-026-048 | - | |
| 8 | Направляющая ручки правая (N000-026-049) | N000-026-049 | - | |
| 9 | Направляющая ручки левая (N000-026-050) | N000-026-050 | - | |
| 10 | Заклепка (N000-025-995) | N000-025-995 | - | |
| 11 | Винт M4x12 (UM01-000-015) | UM01-000-015 | 103.05 | |
| 12 | Кольцо уплотнительное (N000-010-184) | N000-010-184 | - | |
| 13 | Кронштейн насоса (N000-010-185) | N000-010-185 | - | |
| 14 | Воротник шнура (N000-010-079) | N000-010-079 | - | |
| 15 | Воротник шнура (N000-000-608) | N000-000-608 | 164.88 | |
| 16 | Шайба прижима пласт. (U452-400-008) | U452-400-008 | 105.36 | |
| 17 | Втулка кабеля (N000-000-610) | N000-000-610 | 164.88 | |
| 18 | Конденсатор 16мФ 300В (V000-007-560) | V000-007-560 | 309.15 | |
| 19 | Планка прижима (U452-400-011) | U452-400-011 | 206.1 | |
| 20 | Саморез 4x34 PH2 #F (UM02-000-039) | UM02-000-039 | 103.05 | |
| 21 | Крышка двигателя верхняя (N000-000-613) | N000-000-613 | - | |
| 21.1 | Уплотнитель провода (N000-000-614) | N000-000-614 | - | |
| 21.2 | Шайба стопорная D4 (UM04-003-001) | UM04-003-001 | 103.05 | |
| 21.3 | Провод соеденительный (N000-025-950) | N000-025-950 | - | |
| 21.4 | Клемма обжимная (N000-000-617) | N000-000-617 | - | |
| 21.5 | Трубка термоусадочная (N000-000-618) | N000-000-618 | - | |
| 21.6 | Шайба-гровер D4 (UM04-001-002) | UM04-001-002 | 103.05 | |
| 21.7 | Винт M4x10 (UM01-000-012) | UM01-000-012 | 103.05 | |
| 22 | Кольцо пружинное D31 (U365-150-038) | U365-150-038 | 103.05 | |
| 23 | Подшипник шариковый 6201-2RS (32х12х10) n/n (U009-620-1RS) | U009-620-1RS | 206.1 | |
| 24 | Ротор (N000-026-051) | N000-026-051 | - | |
| 25 | Статор (N000-010-095) | N000-010-095 | - | |
| 25.C | Двигатель в сборе 550 Вт (V000-001-034) | V000-001-034 | 5 757.52 | |
| 26 | Уплотнение (N000-000-732) | N000-000-732 | - | |
| 27 | Прокладка (N000-000-626) | N000-000-626 | - | |
| 28 | Сальник D24xd12xh4.5 (N000-025-787) | N000-025-787 | 206.1 | |
| 29 | Щит двигателя (N000-000-628) | N000-000-628 | - | |
| 30 | Кольцо уплотнительное (N000-000-629) | N000-000-629 | - | |
| 31 | Крышка нижняя (N000-000-737) | N000-000-737 | - | |
| 32 | Уплотнение электродвигателя D92x5 (U452-400-014) | U452-400-014 | 309.15 | |
| 33 | Прокладка регулировочная (N000-000-634) | N000-000-634 | - | |
| 34 | Крыльчатка (N000-010-105) | N000-010-105 | 199.67 | |
| 35 | Гайка M8 (автогровер) (UM05-001-003) | UM05-001-003 | 103.05 | |
| 36 | Кольцо (N000-026-052) | N000-026-052 | - | |
| 37 | Саморез (N000-026-053) | N000-026-053 | - | |
| 38 | Соединитель (N000-010-220) | N000-010-220 | - | |
| 39 | Кольцо проставочное (N000-026-054) | N000-026-054 | - | |
| 40 | Прокладка (N000-026-055) | N000-026-055 | - | |
| 41 | Основание насоса (N000-026-056) | N000-026-056 | 412.2 | |
| 42 | Патрубок D48x72x72 (U452-400-020) | U452-400-020 | 206.1 | |
| 43 | Кольцо уплотнительное D43хd37хh3.0 (N000-025-823) | N000-025-823 | 103.05 | |
| 44 | Штуцер выходной D54x100 (U452-400-021) | U452-400-021 | 103.05 | |
| 45 | Разъем (N000-000-644) | N000-000-644 | - | |
| 45 | Разъем (N000-000-643) | N000-000-643 | - | |
| 46 | Хомут (N000-000-646) | N000-000-646 | - | |