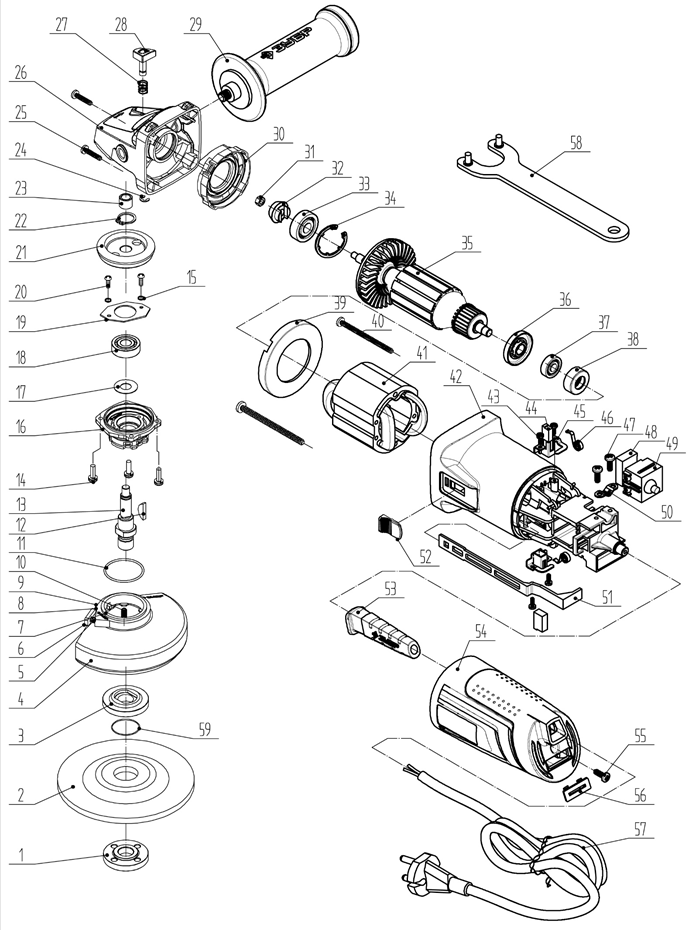
| 1 | Фланец прижимной внешний M14 (U353-115-001) | U353-115-001 | 111.07 | |
| 3 | Фланец внутренний D14 Ls17.5 (N000-019-862) | N000-019-862 | 135.8 | |
| 4 | Кожух защитный (N000-029-388) | N000-029-388 | 618.31 | |
| 5 | Пружина кожуха (N000-029-389) | N000-029-389 | - | |
| 6 | Рычаг (N000-029-390) | N000-029-390 | - | |
| 7 | Шайба D4 (N000-018-803) | N000-018-803 | - | |
| 8 | Штифт D4х10 (N000-029-391) | N000-029-391 | - | |
| 9 | Кольцо (N000-029-392) | N000-029-392 | - | |
| 10 | Саморез ST4x10 (N000-018-766) | N000-018-766 | - | |
| 11 | Кольцо уплотнительное D38 h2 (U501-900-036) | U501-900-036 | - | |
| 12 | Шпонка сегментная 3х10 (U353-110-006) | U353-110-006 | 103.05 | |
| 13 | Шпиндель (N000-019-880) | N000-019-880 | 271.62 | |
| 14 | Винт M4x14 (N000-027-646) | N000-027-646 | - | |
| 15 | Шайба-гровер D4 (UM04-001-002) | UM04-001-002 | 103.05 | |
| 16 | Крышка редуктора (N000-029-394) | N000-029-394 | - | |
| 17 | Шайба защитная (N000-019-882) | N000-019-882 | - | |
| 18 | Подшипник шариковый 6000-2RS (26х10х8) CNBALL (U009-600-0RS) | U009-600-0RS | 330.31 | |
| 19 | Прижим подшипника (N000-029-395) | N000-029-395 | - | |
| 20 | Винт M4x12 (N000-018-505) | N000-018-505 | - | |
| 21 | Шестерня ведомая D49хd9.5 Z36 (N000-019-883) | N000-019-883 | 554.85 | |
| 22 | Кольцо стопорное D10 (N000-019-884) | N000-019-884 | - | |
| 23 | Подшипник игольчатый HK0810 (12x8x10) (U010-081-000) | U010-081-000 | 126.48 | |
| 24 | Кольцо стопорное D5 Е-образное (N000-019-886) | N000-019-886 | 110.16 | |
| 25 | Саморез 4х30 PH2 (UM02-000-129) | UM02-000-129 | - | |
| 26 | Корпус редуктора (N000-019-887) | N000-019-887 | 423.46 | |
| 27 | Пружина стопора D9xh13 (U503-140-023) | U503-140-023 | 103.05 | |
| 28 | Штифт блокировки вала с кнопкой в сборе D7x25,6мм (V.3) (N000-019-888) | N000-019-888 | 184.27 | |
| 29 | Рукоятка боковая (N000-019-914) | N000-019-914 | 279.21 | |
| 30 | Щиток воздушный (N000-019-889) | N000-019-889 | 216.17 | |
| 31 | Гайка M6 (N000-019-841) | N000-019-841 | 103.05 | |
| 32 | Шестерня ведущая D18 h13.5 Z11 (N000-019-890) | N000-019-890 | 279.09 | |
| 33 | Подшипник шариковый 629-2Z (26х9х8) OG (U009-629-RS0) | U009-629-RS0 | 317.22 | |
| 34 | Стопорное кольцо (N000-027-417) | N000-027-417 | - | |
| 35 | Ротор КД (N000-028-992) | N000-028-992 | 1 917.42 | |
| 36 | Кольцо пылезащитное D17 (N000-027-384) | N000-027-384 | 126.48 | |
| 37 | Подшипник шариковый 607 RS (19х7х6) (U009-607-RS0) | U009-607-RS0 | 309.15 | |
| 38 | Втулка подшипника 607 резиновая (U253-600-029) | U253-600-029 | 103.05 | |
| 39 | Диффузор (N000-019-893) | N000-019-893 | 476 | |
| 41 | Статор КД (N000-028-993) | N000-028-993 | 1 573.28 | |
| 42 | Корпус двигателя (V.2 - 20,5 см) (N000-019-895-2) | N000-019-895-2 | 614.31 | |
| 42 | Корпус двигателя (V.1 - 19,8 см) (N000-019-895) | N000-019-895 | 594.49 | |
| 43 | Саморез 3х8 (N000-007-087) | N000-007-087 | - | |
| 44 | Щетка графитовая (пара) 6x10x15.5 (N000-019-896) | N000-019-896 | 246 | |
| 45 | Щеткодержатель (N000-019-898) | N000-019-898 | 152.15 | |
| 46 | Пружина кручения (N000-019-897) | N000-019-897 | - | |
| 47 | Саморез d4x12 (N000-007-752) | N000-007-752 | - | |
| 48 | Конденсатор 0.22uF (N000-019-847) | N000-019-847 | - | |
| 49 | Выключатель S125G 8(8)A 5E4 (V000-003-405) | V000-003-405 | 230.82 | |
| 49 | Выключатель SF125 5(5)A 5E4 (V000-003-302) | V000-003-302 | 356.22 | |
| 50 | Прижим шнура (U253-120-047) | U253-120-047 | 103.05 | |
| 51 | Тяга выключателя L=154мм (N000-019-902) | N000-019-902 | 126.48 | |
| 52 | Клавиша (вкл/выкл) (V.2) (N000-027-709) | N000-027-709 | 126.48 | |
| 53 | Воротник шнура 23M125-0-11 (N000-019-899) | N000-019-899 | - | |
| 54 | Крышка задняя (N000-019-900) | N000-019-900 | 666.55 | |
| 55 | Саморез ST4x16 (N000-020-687) | N000-020-687 | - | |
| 56 | Заглушка (N000-028-994) | N000-028-994 | - | |
| 57 | Шнур сетевой PVC, H05RN-F, 2x1mm2, 3m (N000-019-901) | N000-019-901 | 412.2 | |