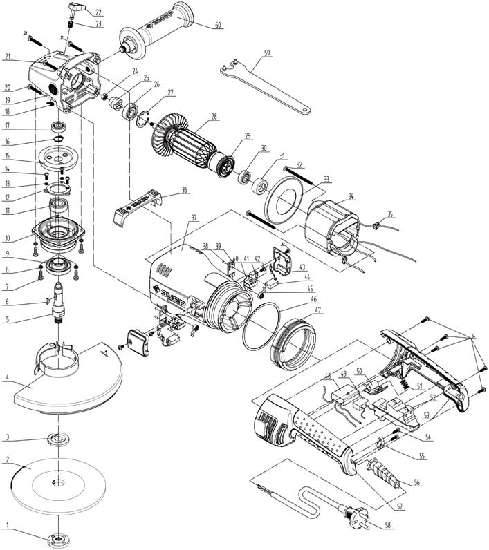
| 1 | Фланец прижимной внешний M14 (U353-115-001) | U353-115-001 | 111.07 | |
| 3 | Фланец внутренний D14 Ls17.5 (N000-019-862) | N000-019-862 | 135.8 | |
| 4 | Кожух диска (U503-211-004) | U503-211-004 | 618.31 | |
| 5 | Шпиндель D24x84 (U503-181-005) | U503-181-005 | 448.8 | |
| 6 | Шпонка сегментная 13x5x4 (U353-115-006) | U353-115-006 | 126.48 | |
| 7 | Винт M5x19 (UM01-000-037) | UM01-000-037 | 103.05 | |
| 8 | Шайба-гровер D5 (UM04-001-003) | UM04-001-003 | 103.05 | |
| 9 | Кольцо пылезащитное (U503-181-009) | U503-181-009 | 206.1 | |
| 10 | Крышка редуктора (N000-019-903) | N000-019-903 | 11 916.88 | |
| 11 | Подшипник шариковый 6202-2RS (35x15x11) n/n (U009-620-2RS) | U009-620-2RS | 206.1 | |
| 12 | Фиксатор подшипника шпинделя D42xh2,2 (U253-235-013) | U253-235-013 | 103.05 | |
| 13 | Шайба-гровер D4 (UM04-001-002) | UM04-001-002 | 103.05 | |
| 14 | Винт M4x14 РН2 (UM01-000-018) | UM01-000-018 | 103.05 | |
| 15 | Шестерня ведомая D65 Z41 (U503-211-015) | U503-211-015 | 638.52 | |
| 16 | Кольцо разжимное D13 #F (UM06-001-005) | UM06-001-005 | 103.05 | |
| 17 | Подшипник шариковый 608-2RS (22х8х7) CNBALL (U009-608-RS0) | U009-608-RS0 | 330.31 | |
| 18 | Кольцо стопорное D5 (N000-019-904) | N000-019-904 | - | |
| 19 | Корпус редуктора усиленный (U503-181-018-2) | U503-181-018-2 | 963.79 | |
| 20 | Саморез ST4.8x30 (N000-019-906) | N000-019-906 | - | |
| 21 | Саморез ST4.8x25 (N000-019-907) | N000-019-907 | - | |
| 22 | Кнопка блокировки вала (N000-019-908) | N000-019-908 | 206.04 | |
| 23 | Пружина стопора D9xh13 (U503-140-023) | U503-140-023 | 103.05 | |
| 24 | Гайка М8 автогровер (UM05-001-008) | UM05-001-008 | 102 | |
| 25 | Шестерня ведущая D19.4x14 Z10 (U503-211-025) | U503-211-025 | 412.2 | |
| 26 | Подшипник шариковый 6200-2RS (30x10x9) n/n (U009-620-0RS) | U009-620-0RS | 270.21 | |
| 27 | Кольцо стопорное сжимное D34 (UM06-002-002) | UM06-002-002 | 104.04 | |
| 28 | Ротор КД (U503-211-028) | U503-211-028 | 3 458.62 | |
| 29 | Кольцо пылезащитное D29 (U503-181-030) | U503-181-030 | 126.48 | |
| 30 | Подшипник шариковый 629-2Z (26х9х8) OG (U009-629-RS0) | U009-629-RS0 | 317.22 | |
| 31 | Втулка подшипника 629 резиноваяD30x9 (U253-235-032) | U253-235-032 | 147.22 | |
| 32 | Саморез 5x74 РН2 #F (UM02-000-062) | UM02-000-062 | - | |
| 33 | Диффузор D87.5х51 (U503-181-034) | U503-181-034 | 102 | |
| 34 | Статор КД (U503-211-034-2) | U503-211-034-2 | 2 689.83 | |
| 35 | Катушка индукционная ферромагнитная (U253-120-055) | U253-120-055 | 103.05 | |
| 36 | Накладка резиновая (U503-181-037) | U503-181-037 | - | |
| 37 | Корпус двигателя (U503-181-038) | U503-181-038 | 1 648.83 | |
| 40 | Щеткодержатель c пружиной (U503-181-041) | U503-181-041 | 353.24 | |
| 41 | Клемма (U503-181-042) | U503-181-042 | 103.05 | |
| 42 | Саморез 4x12 PH2 (UM02-000-018) | UM02-000-018 | 103.05 | |
| 43 | Крышка щеткодержателя (U503-181-044) | U503-181-044 | 102 | |
| 44 | Щетка графитовая (пара) 7х12х19 (U503-181-045-W) | U503-181-045-W | 167 | |
| 46 | Шайба пластиковая (U503-181-047) | U503-181-047 | 206.1 | |
| 47 | Вставка амортизационная (U503-181-048) | U503-181-048 | 721.36 | |
| 48 | Блок плавного пуска SF-16/D3 16A 250V~ 50Hz (V000-004-294) | V000-004-294 | 512.16 | |
| 49 | Конденсатор 0,47 M х2 40/085/21C 275V~ (U503-181-050) | U503-181-050 | - | |
| 50 | Кнопка фиксатора (U503-181-051) | U503-181-051 | 309.15 | |
| 51 | Пружина (U503-181-052) | U503-181-052 | 206.1 | |
| 52 | Выключатель S230B 12(12)A 250V ~ 5E4 (V000-003-265) | V000-003-265 | 612 | |
| 53 | Ручка правая часть (U503-181-054) | U503-181-054 | 1 648.83 | |
| 54 | Саморез 4х55 PH2 (UM02-000-130) | UM02-000-130 | - | |
| 55 | Прижим шнура (U503-140-052) | U503-140-052 | - | |
| 56 | Воротник шнура (U098-004-025) | U098-004-025 | 103.05 | |
| 57 | Ручка левая часть (U503-181-058) | U503-181-058 | 1 648.83 | |
| 58 | Шнур сетевой с вилкой резиновый H07RN-F, 2x1.5 mm2, 3m (N000-019-909) | N000-019-909 | - | |
| 60 | Рукоятка дополнительная M12 (N000-019-910) | N000-019-910 | - | |