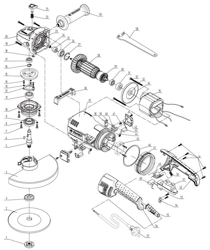
| 1 | Фланец прижимной внешний M14 (U353-115-001) | U353-115-001 | 111.07 | |
| 3 | Фланец внутренний D14 Ls17.5 (N000-019-814) | N000-019-814 | 126.11 | |
| 4 | Кожух защитный (N000-019-815) | N000-019-815 | 1 363.09 | |
| 5 | Шпиндель (N000-019-816) | N000-019-816 | 365.16 | |
| 6 | Шпонка сегментная 13x5x4 (U353-115-006) | U353-115-006 | 126.48 | |
| 9 | Кольцо пылезащитное (U503-181-009) | U503-181-009 | 206.1 | |
| 10 | Крышка редуктора (N000-019-817) | N000-019-817 | - | |
| 11 | Подшипник шариковый 6202-2RS (35x15x11) n/n (U009-620-2RS) | U009-620-2RS | 206.1 | |
| 12 | Фиксатор подшипника шпинделя D42xh2,2 (U253-235-013) | U253-235-013 | 103.05 | |
| 13 | Шайба-гровер D5 (UM04-001-003) | UM04-001-003 | 103.05 | |
| 14 | Винт M5x19 (UM01-000-037) | UM01-000-037 | 103.05 | |
| 15 | Шестерня ведомая D82 Z48 (N000-019-818) | N000-019-818 | 1 142.48 | |
| 16 | Кольцо разжимное D14 (UM06-001-006) | UM06-001-006 | 103.05 | |
| 17 | Подшипник шариковый 629-2Z (26х9х8) OG (U009-629-RS0) | U009-629-RS0 | 317.22 | |
| 18 | Кольцо стопорное D6 Е-образное (UM06-000-013) | UM06-000-013 | 126.48 | |
| 20 | Корпус редуктора (N000-019-819) | N000-019-819 | 1 363.71 | |
| 21 | Кнопка блокировки вала | N000-045-625 | 112.2 | |
| 22 | Пружина (N000-027-397) | N000-027-397 | 102 | |
| 23 | Кольцо защитное (N000-019-822) | N000-019-822 | 102 | |
| 24 | Гайка М8 автогровер (UM05-001-008) | UM05-001-008 | 102 | |
| 25 | Шестерня ведущая Z11 (N000-019-823) | N000-019-823 | 608.9 | |
| 26 | Подшипник шариковый 6201-2RS (32х12х10) n/n (U009-620-1RS) | U009-620-1RS | 206.1 | |
| 27 | Кольцо стопорное сжимное D36 (UM06-002-009) | UM06-002-009 | 103.05 | |
| 28 | Ротор КД (N000-019-824) | N000-019-824 | 4 083.83 | |
| 29 | Кольцо пылезащитное D29 (U503-181-030) | U503-181-030 | 126.48 | |
| 30 | Подшипник шариковый 629-2RS (26х9х8) Outdo (U206-210-042) | U206-210-042 | 412.2 | |
| 31 | Втулка подшипника 629 резиноваяD30x9 (U253-235-032) | U253-235-032 | 147.22 | |
| 33 | Кольцо магнитное датчик оборотов D20xd7,5x7, в пластике (N000-019-825) | N000-019-825 | 138.09 | |
| 34 | Диффузор (N000-019-826) | N000-019-826 | 309.15 | |
| 35 | Статор КД (N000-019-827-2) | N000-019-827-2 | 2 945.76 | |
| 35 | Статор КД (N000-019-827) | N000-019-827 | 3 803.12 | |
| 36 | Накладка резиновая (N000-019-828) | N000-019-828 | - | |
| 37 | Корпус двигателя (N000-019-829) | N000-019-829 | 1 410.56 | |
| 40 | Щеткодержатель (пара) (N000-019-830) | N000-019-830 | 169.07 | |
| 42 | Крышка щеткодержателя (U503-236-043) | U503-236-043 | 102 | |
| 43 | Щетка графитовая (пара) 7x18x21 (N000-019-831) | N000-019-831 | 286 | |
| 45 | Блок плавного пуска KJC-150 (V000-004-316) | V000-004-316 | 1 768.36 | |
| 46 | Шайба пластиковая (U503-236-046) | U503-236-046 | - | |
| 47 | Вставка амортизационная (U503-236-047) | U503-236-047 | 206.1 | |
| 48 | Конденсатор 0,47 M х2 40/085/21C 275V~ (U503-181-050) | U503-181-050 | - | |
| 49 | Кнопка фиксатора (U503-236-050) | U503-236-050 | 104.04 | |
| 50 | Пружина (U503-181-052) | U503-181-052 | 206.1 | |
| 51 | Выключатель S230B 12(12)A 250V ~ 5E4 (V000-003-265) | V000-003-265 | 612 | |
| 52 | Ручка правая часть (U503-236-053) | U503-236-053 | 412.2 | |
| 53 | Саморез 5х31 РН2 (UM02-000-138) | UM02-000-138 | 102 | |
| 54 | Прижим шнура (U503-181-056) | U503-181-056 | - | |
| 55 | Воротник шнура (U098-004-025) | U098-004-025 | 103.05 | |
| 56 | Ручка левая часть (U503-236-057) | U503-236-057 | 412.2 | |
| 57 | Шнур сетевой с вилкой резиновый H07RN-F, 2x1.5 mm2, 3m (N000-019-909) | N000-019-909 | - | |
| 58 | Ручка боковая дополнительная (U503-210-019) | U503-210-019 | 309.15 | |