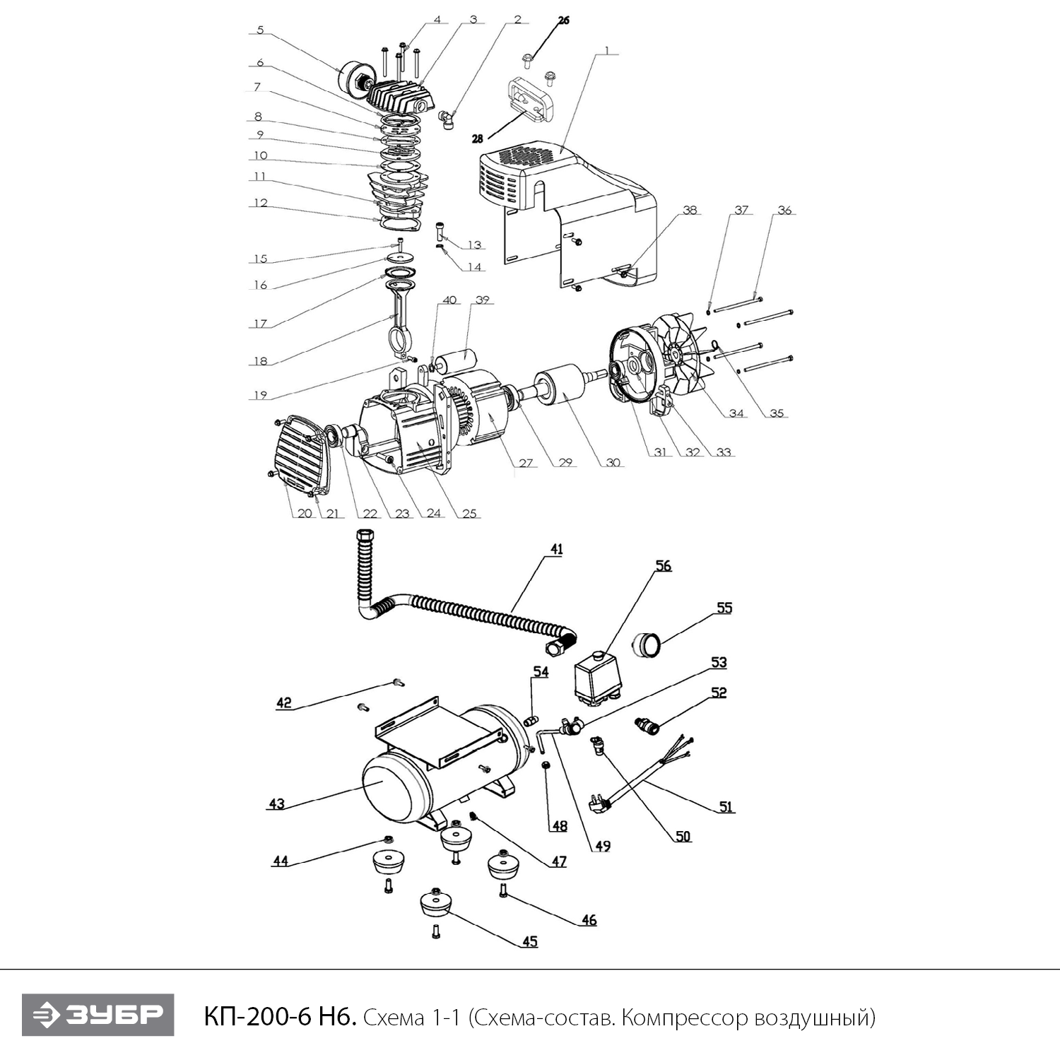
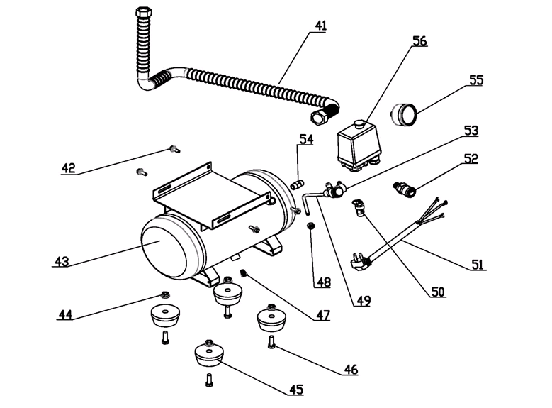
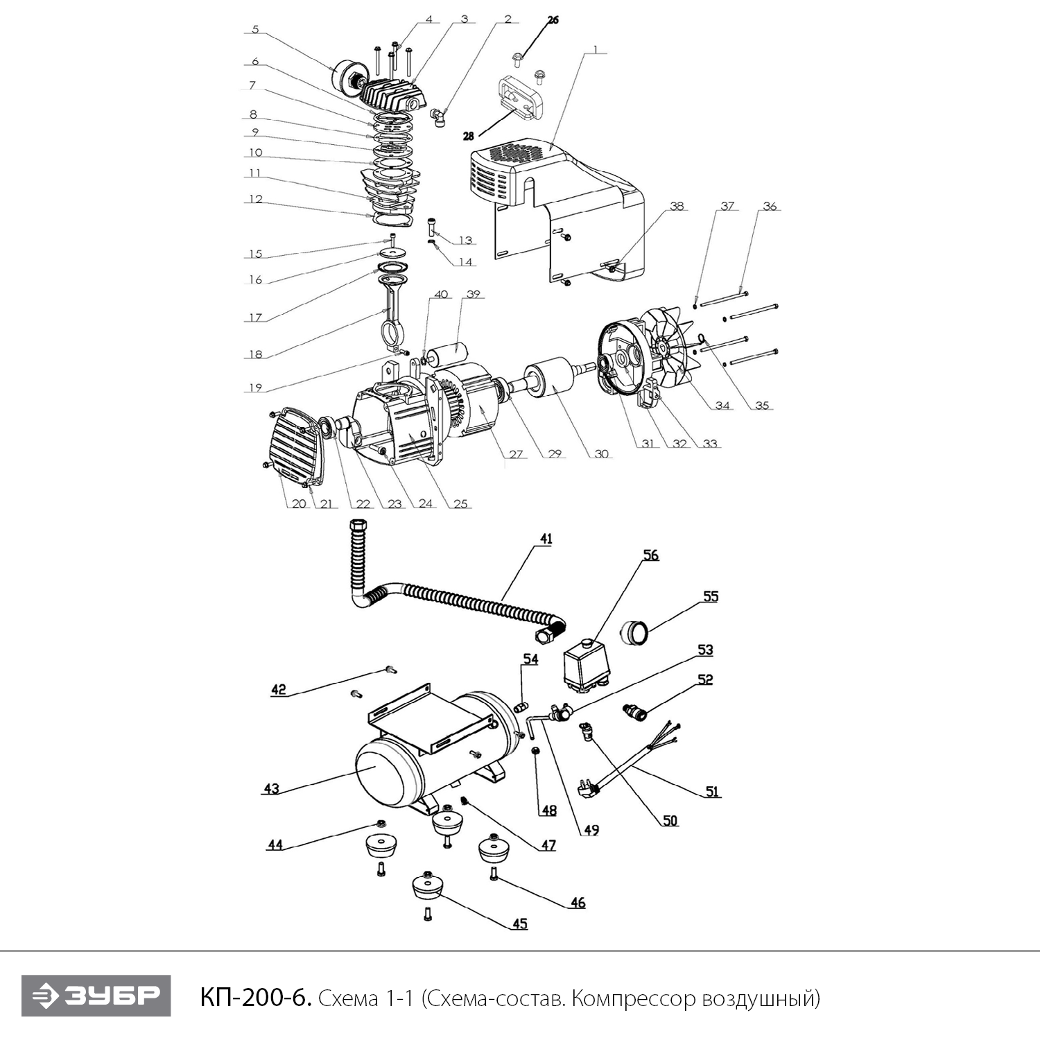
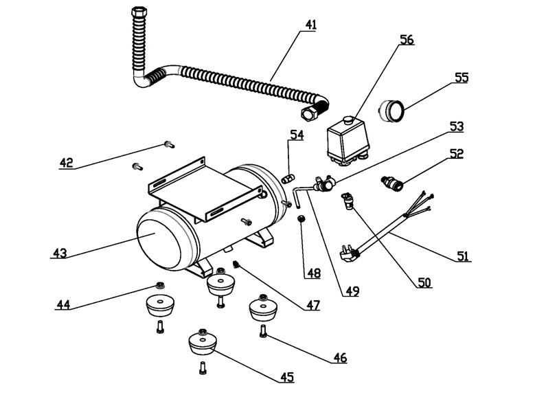
ЗУБР 200 л/мин, 6 л, 1500 Вт, безмасляный компрессор (КП-200-6)
Качественное и надежное переносное оборудование для периодических работ дома, на даче, в небольшой мастерской, а так же для регулярной очистки от пыли офисной и бытовой техники . Безмасляный компрессор - это чистый, без примесей масла, воздух на выходе. При правильной эксплуатации ресурс данных компрессоров составляет не менее 1000 часов*. * на основании результатов испытаний лаборатории компании АО «ЗУБР ОВК»
Преимущества
- Готов к работе сразу после покупки
- Вырабатываемый воздух не содержит примесей масла, что не требует установки дорогостоящих маслоотделителей
- Поршневой тип компрессора наиболее производителен среди другим типов
- Не требует заправки маслом и контроля за наличием и его замены
- Прямой привод упрощает конструкцию и увеличивает надежность
- Выключатель давления обеспечивает автоматическое включение/выключение изделия при расходе сжатого воздуха
- Сменный воздушный фильтр на входе защищает цилиндро-поршневую группу от абразивного износа
- Быстросъемный штуцер обеспечивает удобное и быстрое подключение и отключение пневмоинструмента
- Контроль давления в ресивере и на выходе при помощи двух манометров
- Самовосстанавливающийся термопредохранитель
- Регулировка давления на выходе позволяет настраивать давление воздуха зависимости от используемого пневмоинструмента
- Механический клапан сброса давления
- Шумозащитный пластиковый кожух
- Удобная ручка для транспортировки
Использование
Для накопления, хранения и подачи воздуха
| Габариты, см | 44x18x46 |
| Масса изделия, кг | 12 |
| Масса в упаковке, кг | 13 |
| Гарантия | 60 |
| Мощность, Вт | 1500 |
| Термопредохранитель | есть |
| Напряжение, В/Гц | 220±10% /50 |
| Тип компрессора | поршневой |
| Тип смазки | безмасляный |
| Тип привода | прямой |
| Частота вращения, об/мин | 2850 |
| Макс производительность, л/мин | 200 |
| Мак. давление, Атм | 8 |
| Объем ресивера, л | 6 |
| Набор пневмоинструментов | нет |
| Кол-во выходов, шт | 1 |
| Тип соединения | быстросъемный |
| Тип упаковки | коробка картонная |





