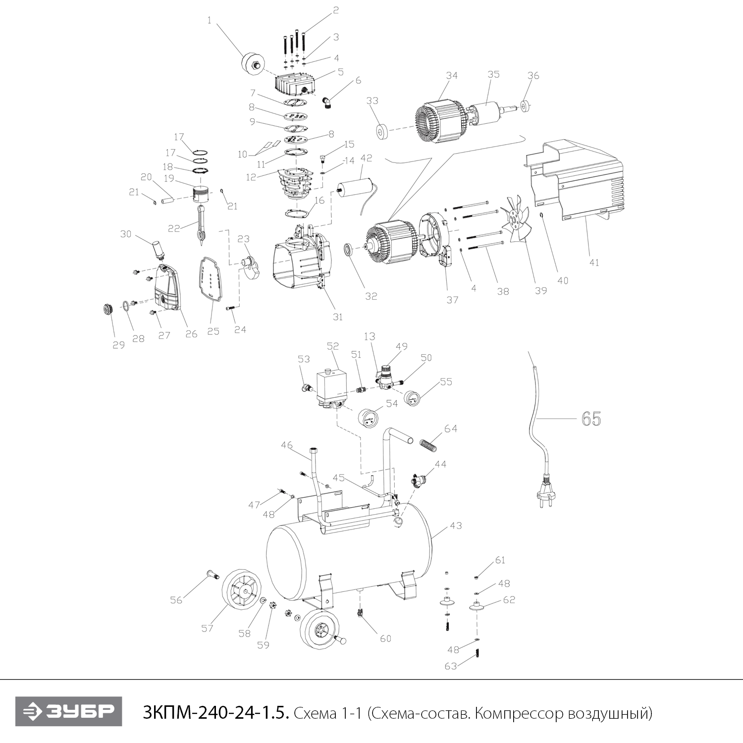
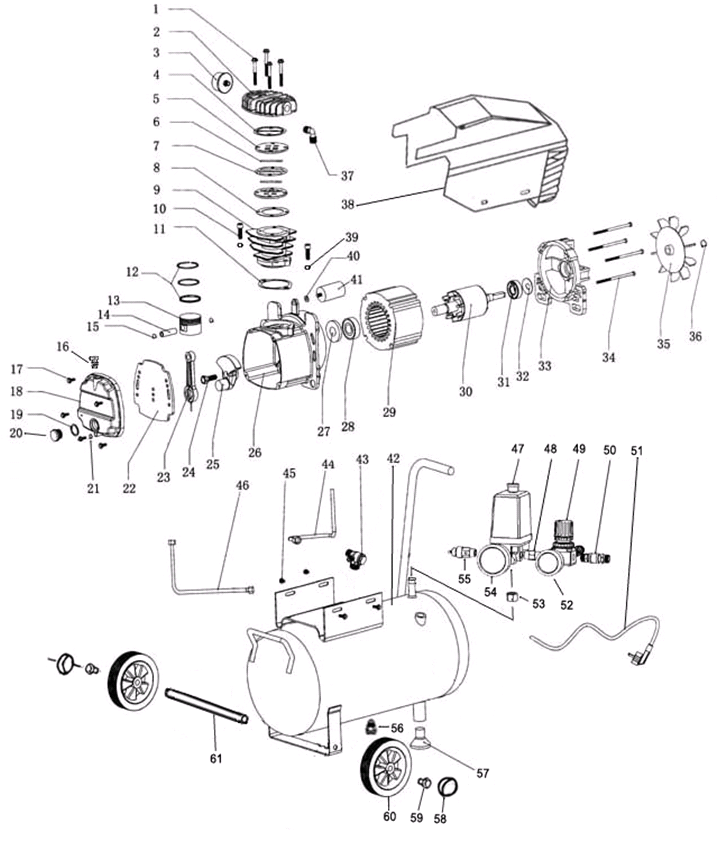
ЗУБР 240 л/мин, 24 л, 1500 Вт, масляный компрессор (КПМ-240-24)
Производительные и надежные универсальные аппараты, которые помогут Вам во время работы в мастерской, Высокая производительность, возможность регулирования расхода воздуха и автоматический режим работы изделия позволяют работать без простоев. При правильной эксплуатации в соответствии с рекомендациями производителя ресурс данных компрессоров – не менее 2500 часов*. * на основании результатов испытаний лаборатории компании АО «ЗУБР ОВК»
Преимущества
- Масляный тип смазки продлевает срок службы наиболее важной части изделия - цилиндро-поршневой группы
- Поршневой тип компрессора наиболее производителен среди другим типов
- Прямой привод упрощает конструкцию и увеличивает надежность
- Мощные чугунные цилиндры и алюминиевая головка
- Выключатель давления обеспечивает автоматическое включение/выключение изделия при расходе сжатого воздуха
- Восстанавливаемый термопредохранитель
- Сменный воздушный фильтр на входе защищает цилиндро-поршневую группу от абразивного износа
- Быстросъемный штуцер обеспечивает удобное и быстрое подключение и отключение пневмоинструмента
- Контроль давления в ресивере и на выходе при помощи двух манометров
- Регулировка давления на выходе позволяет настраивать давление воздуха в зависимости от используемого пневмоинструмента
- Механический клапан сброса давления
- Шумозащитный пластиковый кожух
- Эргономичная ручка и колеса для удобства транспортировки
- Возможность подсоединения дополнительного ресивера или штуцера
Использование
Для накопления, хранения и подачи воздуха
| Габариты, см | 58х28х62 |
| Масса изделия, кг | 20 |
| Масса в упаковке, кг | 22 |
| Гарантия | 60 |
| Мощность, Вт | 1500 |
| Термопредохранитель | есть |
| Напряжение, В/Гц | 220±10% /50 |
| Тип компрессора | поршневой |
| Тип смазки | масляный |
| Тип привода | прямой |
| Частота вращения, об/мин | 2850 |
| Макс производительность, л/мин | 240 |
| Мак. давление, Атм | 8 |
| Объем ресивера, л | 24 |
| Набор пневмоинструментов | нет |
| Кол-во выходов, шт | 1 |
| Тип соединения | быстросъемный |
| Тип упаковки | коробка картонная |






