ЗУБР 1100 Вт, М14, дрель-миксер (МР-1100)
Универсальный миксер для эффективного перемешивания любых растворов, вплоть до тяжелых с включением крупных фракций. Двухступенчатый редуктор обеспечивает большой крутящий момент. Электронная регулировка оборотов и широкий выбор сменных насадок помогает одинакого хорошо работать с различными материалами
Преимущества
- Формат обычной дрели для большего удобства в работе
- Высокий крутящий момент благодаря двухступенчатому передаточному механизму
- Металлический корпус редуктора для надежности при больших нагрузках
- Электронная регулировка числа оборотов колесиком и степенью нажатия на выключатель позволяет начать перемешивание на минимальных оборотах и регулировать ее в процессе работы
- Патрон М14 для установки наиболее распространенного типа насадок
- Кнопка фиксации выключателя в нажатом положении помогает при длительных работах
- Шейка редуктора диаметром 56 мм позволяет фиксировать изделие в стойке для организации стационарного перемешивания
- Эргономичная конструкция уменьшает нагрузку на руки и спину при работе
- Дополнительная рукоятка для надежного удержания изделия при перемешивании
- Облегченный доступ к щеткам для удобства замены
- Основная рукоятка с противоскользящими накладками для удобного хвата
- Выход кабеля в сторону исключает попадание его в рабочую область
Использование
Для перемешивания компонентов (сухой смеси и жидкости) при получении различных строительных и отделочных материалов (бетона, штукатурки, плиточных и обойных клеев, дисперсных красок и т.д.) при установке сооответствующих насадок
| Частота вращения шпинделя, об/мин | 0-600 |
| Число скоростей | 1 |
| Максимальный крутящий момент, Н*м | 120 |
| Реверс | есть |
| Габариты, см | 36.5x11x26 |
| Масса изделия, кг | 3.5 |
| Масса в упаковке, кг | 4.2 |
| Гарантия | 60 |
| Плавный пуск | нет |
| Быстрая замена щеток | нет |
| Электронная регулировка оборотов | есть |
| Напряжение питания, В/Гц | 230 / 50 |
| Мощность, Вт | 1100 |
| Длина кабеля, м | 3 |
| Тип миксера | одинарный |
| Максимальный рекомендованный объем, л | 120 |
| Патрон | резьбовой |
| Присоединительный размер насадки, мм | М14 |
| Количество шпинделей | 1 |
| Поддержание оборотов под нагрузкой | нет |
| Автоматически отключающиеся щетки | нет |
| Тип упаковки | коробка картонная |
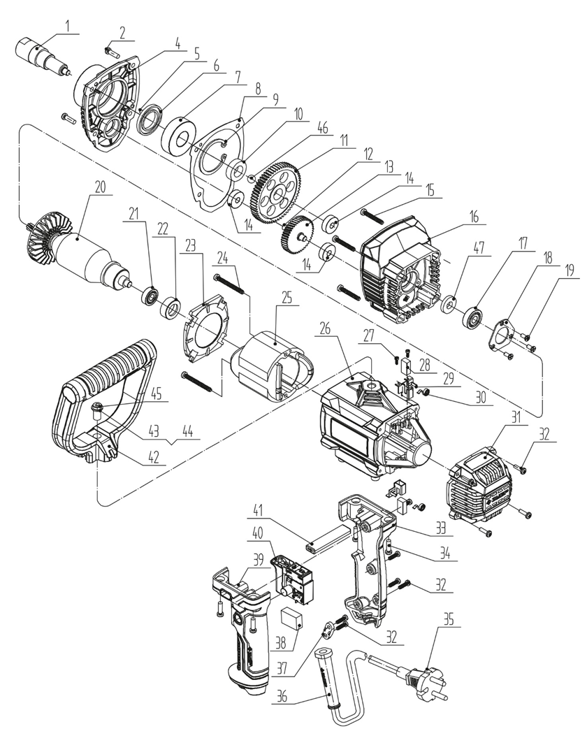
Схема сборки и запчасти ЗУБР 1100 Вт, М14, дрель-миксер (МР-1100)
| № | Наименование | Артикул | Цена | |
|---|---|---|---|---|
| 1 | Шпиндель | N000-030-429 | 538.56 | |
| 2 | Винт M5x14 | N000-016-402 | 103.05 | |
| 3 | Шайба гровер D5 | N000-013-878 | - | |
| 4 | Крышка корпуса редуктора | N000-030-430 | 615.14 | |
| 5 | Штифт D4х10 | N000-029-391 | - | |
| 6 | Сальник D40xd24x7 | N000-030-431 | 102 | |
| 7 | Подшипник шариковый 6204-2RS (47х20х14) ZYTL | U009-620-4R1 | 1 925.78 | |
| 9 | Кольцо стопорное D47 | N000-030-432 | - | |
| 10 | Втулка шпинделя | N000-030-433 | 115.34 | |
| 11 | Шестерня ведомая D80хZ61 | N000-030-434 | 551.06 | |
| 13 | Шестерня промежуточная D47.5хd10 Z44 | N000-030-435 | 320.38 | |
| 14 | Подшипник шариковый 627 (22х7х7) | U009-627-RS0 | 103.05 | |
| 15 | Саморез ST4.8x35 | N000-016-853 | - | |
| 16 | Корпус редуктора | N000-030-436 | 884.26 | |
| 17 | Подшипник шариковый 629-2Z (26х9х8) OG | U009-629-RS0 | 317.22 | |
| 18 | Планка прижимная D29 | N000-030-437 | - | |
| 19 | Винт M4x10 | N000-027-194 | 102 | |
| 20 | Ротор | N000-030-438 | 2 797.15 | |
| 21 | Подшипник шариковый 608-2RS (22х8х7) CNBALL | U009-608-RS0 | 330.31 | |
| 22 | Втулка подшипника 608 резиновая | N000-025-370 | 194.46 | |
| 23 | Защита статора | N000-030-439 | - | |
| 24 | Саморез ST4.2x60 | N000-022-381 | - | |
| 25 | Статор | N000-030-440 | 2 447.73 | |
| 26 | Корпус двигателя | N000-030-441 | 615.14 | |
| 27 | Саморез ST2.9х10 | N000-004-835 | - | |
| 28 | Щетка графитовая (пара) 6.5х10х18 | N000-030-442 | 272.7 | |
| 29 | Щеткодержатель | N000-030-443 | 138.2 | |
| 30 | Пружина спиральная | N000-030-444 | - | |
| 31 | Крышка корпуса двигателя | N000-030-445 | - | |
| 32 | Саморез ST4.2x14 | N000-027-168 | - | |
| 33 | Рукоятка правая часть | N000-030-446 | - | |
| 34 | Саморез ST4.8x16 | N000-027-152 | - | |
| 35 | Кабель | N000-030-447 | - | |
| 36 | Воротник кабеля | N000-030-448 | - | |
| 37 | Прижим кабеля | N000-030-449 | - | |
| 38 | Конденсатор 0,33мкф | U353-115-041 | 103.05 | |
| 39 | Рукоятка левая часть | N000-030-450 | - | |
| 40 | Выключатель FD20-1106 6(6) A | V000-003-420 | 730.47 | |
| 41 | Переключатель реверса | N000-030-452 | - | |
| 42 | Рукоятка дополнительная | N000-030-453 | 563.88 | |
| 43 | Шайба D10 | N000-027-603 | - | |
| 44 | Шайба-гровер D10 #F | UM04-001-006 | 103.05 | |
| 45 | Рукоятка в сборе | N000-030-451 | 640.76 | |
| 46 | Шарик стальной D5 | U201-850-020 | 104.04 | |
