ЗУБР 750 Вт, дренажный насос для грязной воды, Профессионал (НПГ-Т3-750)
Автоматическое включение и выключение, термопредохранитель для защиты двигателя, высокие эксплуатационные свойства и простота конструкции обеспечивают надёжное и безопасное применение для перекачивания чистой воды на садовых участках, при осушении ёмкостей и водоёмов, организации забора воды с глубины (колодцы, скважины) и подачи на высоту, использовании в системах аэрации и дренажа. Для увеличения срока службы насоса используются материалы только высокого качества. При помощи этого насоса вы без труда решите поставленную задачу.
Преимущества
- Двигатель с медной обмоткой имеет увеличенный ресурс, позволяющий использовать изделие в интенсивном режиме более 5 лет
- Ударопрочный корпус насоса изготовлен из гигиенического армированного стекловолокном пластика
- Поплавковый выключатель обеспечивает автоматическое вкл/выкл при изменении уровня воды
- Регулировка уровней вкл/выкл насоса
- Термопредохранитель для защиты от перегрева
- Износостойкая рабочая крыльчатка гарантирует тихую и бесперебойную работу
- Универсальный соединительный штуцер от 1'' до 1 1/4'' для шлангов и от G1″ до G1 1/2″ для трубопроводов
- Кабель длиной 10 м, который может использоваться даже на большой глубине
Использование
Для автоматического перекачивания воды из емкостей и водоемов, организации забора воды с колодцев, скважин и подачи на высоту. Допускается использование насоса в загрязненной воде.
| Габариты, см | 22x19x39 |
| Масса изделия, кг | 5.0 |
| Масса в упаковке, кг | 5.5 |
| Гарантия | 60 |
| Тип | погружной |
| Мощность, Вт | 750 |
| Производительность, л/мин | 230 |
| Напор, м | 8 |
| Макс.размер пропускаемых частиц, мм | 35 |
| Присоединительная резьба, дюйм | 1, 1 1/4, G1, G1 1/2 |
| Термопредохранитель | есть |
| Класс электрической защиты | 1 |
| Степень защиты | IP 68 |
| Напряжение, В/Гц | 220±10% /50 |
| Материал корпуса | пластик |
| Поддержание заданного уровня воды | есть |
| Макс. глубина установки, м | 7 |
| Режим работы | автоматический |
| Длина кабеля, м | 10 |
| Мин. уровень забора воды, мм | 135 |
| Мин. остаточный уровень воды, мм | 40 |
| Макс. температура воды, °C | 35 |
| Тип упаковки | коробка картонная |
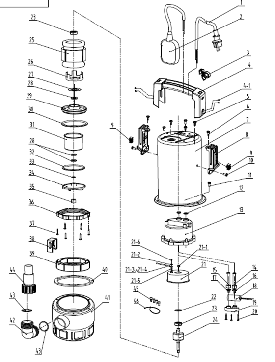
Схема сборки и запчасти ЗУБР 750 Вт, дренажный насос для грязной воды, Профессионал (НПГ-Т3-750)
| № | Наименование | Артикул | Цена | |
|---|---|---|---|---|
| 1 | Поплавок в сборе | U452-400-002 | 688.57 | |
| 2 | Шнур сетевой Rubber, 3x0,75мм.кв, 15м | U099-004-009-15 | 515.13 | |
| 3 | Хомут | N000-025-987 | - | |
| 4 | Втулка | N000-025-988 | - | |
| 5 | Ручка | N000-025-989 | 264.91 | |
| 6 | Саморез | N000-025-990 | - | |
| 7 | Шайба | N000-025-991 | - | |
| 8 | Пружина | N000-025-992 | - | |
| 9 | Заклепка | N000-025-993 | - | |
| 10 | Саморез 4х33 PH2 | UM02-900-018 | - | |
| 11 | Шайба D5 | UM04-900-001 | 101.03 | |
| 12 | Саморез | N000-025-994 | - | |
| 13 | Заклепка | N000-025-995 | - | |
| 14 | Корпус двигателя | N000-025-996 | 706.46 | |
| 15 | Воротник шнура | N000-010-079 | - | |
| 16 | Воротник шнура | N000-000-608 | 161.65 | |
| 17 | Шайба прижима пласт. | U452-400-008 | 103.29 | |
| 18 | Втулка кабеля | N000-000-610 | 161.65 | |
| 19 | Конденсатор 4мФ 450В CBB60 | V000-000-036 | - | |
| 20 | Планка прижима | U452-400-011 | 202.06 | |
| 21 | Саморез 4x34 PH2 #F | UM02-000-039 | 101.03 | |
| 22 | Крышка двигателя верхняя | N000-000-613 | - | |
| 22.1 | Уплотнитель провода | N000-000-614 | - | |
| 22.2 | Шайба стопорная D4 | UM04-003-001 | 101.03 | |
| 22.3 | Провод заземления | N000-000-616 | - | |
| 22.4 | Клемма обжимная | N000-000-617 | - | |
| 22.5 | Трубка термоусадочная | N000-000-618 | - | |
| 22.6 | Шайба-гровер D4 | UM04-001-002 | 101.03 | |
| 22.7 | Винт M4x10 | UM01-000-012 | 101.03 | |
| 23 | Кольцо пружинное D31 | U365-150-038 | 101.03 | |
| 24 | Подшипник шариковый 6201-2RS (32х12х10) n/n | U009-620-1RS | 202.06 | |
| 25 | Ротор | N000-026-003 | - | |
| 26 | Статор | N000-026-005 | - | |
| 26.C | Двигатель в сборе 750 Вт D92xL116 | V000-001-689 | 5 195.32 | |
| 27 | Уплотнение | N000-000-732 | - | |
| 28 | Прокладка | N000-000-626 | - | |
| 29 | Сальник D24xd12xh4.5 | N000-025-787 | 202.06 | |
| 30 | Щит двигателя | N000-000-628 | - | |
| 31 | Кольцо уплотнительное | N000-000-629 | - | |
| 32 | Крышка нижняя | N000-000-737 | - | |
| 33 | Уплотнение электродвигателя D92x5 | U452-400-014 | 303.09 | |
| 34 | Прокладка регулировочная | N000-000-634 | - | |
| 35 | Крыльчатка | N000-010-269 | 162 | |
| 36 | Гайка M8 (автогровер) | UM05-001-003 | 101.03 | |
| 37 | Корпус насоса | N000-026-004 | - | |
| 37.1 | Шарик стальной D6 | N000-010-109 | - | |
| 37.2 | Шайба | N000-010-110 | - | |
| 37.3 | Саморез ST2.9х8.5 | N000-010-111 | - | |
| 38 | Кольцо уплотнительное D126х3 | U452-400-025 | 202.06 | |
| 39 | Основание насоса | N000-026-001 | 808.25 | |
| 40 | Саморез | N000-010-219 | - | |
| 41 | Крышка | N000-026-002 | 505.15 | |
| 42 | Саморез | N000-010-179 | - | |
| 43 | Кольцо уплотнительное D43хd37хh3.0 | N000-025-823 | 101.03 | |
| 44 | Патрубок D48x72x72 | U452-400-020 | 202.06 | |
| 45 | Штуцер выходной D54x100 | U452-400-021 | 101.03 | |
| 46 | Провод заземления | N000-000-642 | - | |
| 47 | Разъем | N000-000-644 | - | |
| 47 | Разъем | N000-000-643 | - | |
| 48 | Зажим | N000-000-645 | - | |
| 49 | Хомут | N000-000-646 | - | |

