ЗУБР 355 мм, 2000 Вт, монтажная пила (отрезная), Профессионал (ПОМ-355)
ПОМ-355 Профессиональная отрезная пила для пильных дисков по металлу. Диск с твердосплавными пластинами (в комплект не входит), позволяет получить стабильный производительный рез высокго качества, с минимальным количеством искр, без заусенцев и окалин.
Преимущества
- Мощный электродвигатель и усиленный редуктор обеспечивают непрерывный режим работы S1
- Высокая производительность, качество и точность реза
- Поворотные тиски 90...45 градусов.
- Холодная резка металла с минимальным количеством искр, без заусенцев и окалин
- Быстрая и надёжная фиксация заготовки
- Простая замена угольных щёток
- Прочное штампованное основание
- Резиновые опоры для снижения вибраций.
- Лазерный указатель
Использование
Для прямой и косой отрезки металлических заготовок пильным диском с твердосплавными пластинами.
| Тип двигателя | Коллекторный |
| Масса изделия, кг | 24.5 |
| Гарантия | 5 лет |
| Мощность, Вт | 2000 |
| Режим работы | S1 |
| Длина кабеля, м | 2 |
| Макс. глубина пропила под углом 90°, мм | 130 |
| Частота вращения, мин-1 | 1300 |
| Посадочный диаметр диска, мм | 25.4 |
| Макс. ширина пропила под углом 90°, мм | 180 |
| Масса изделия в упаковке, кг | 26 |
| Диаметр диска (в комплект не входит), мм | 355 |
| Питание, В/Гц | 220-240~/50 |
| Морозоустойчивый провод | да |
| Быстрая замена угольных щеток | да |
| Тип упаковки | коробка картонная |
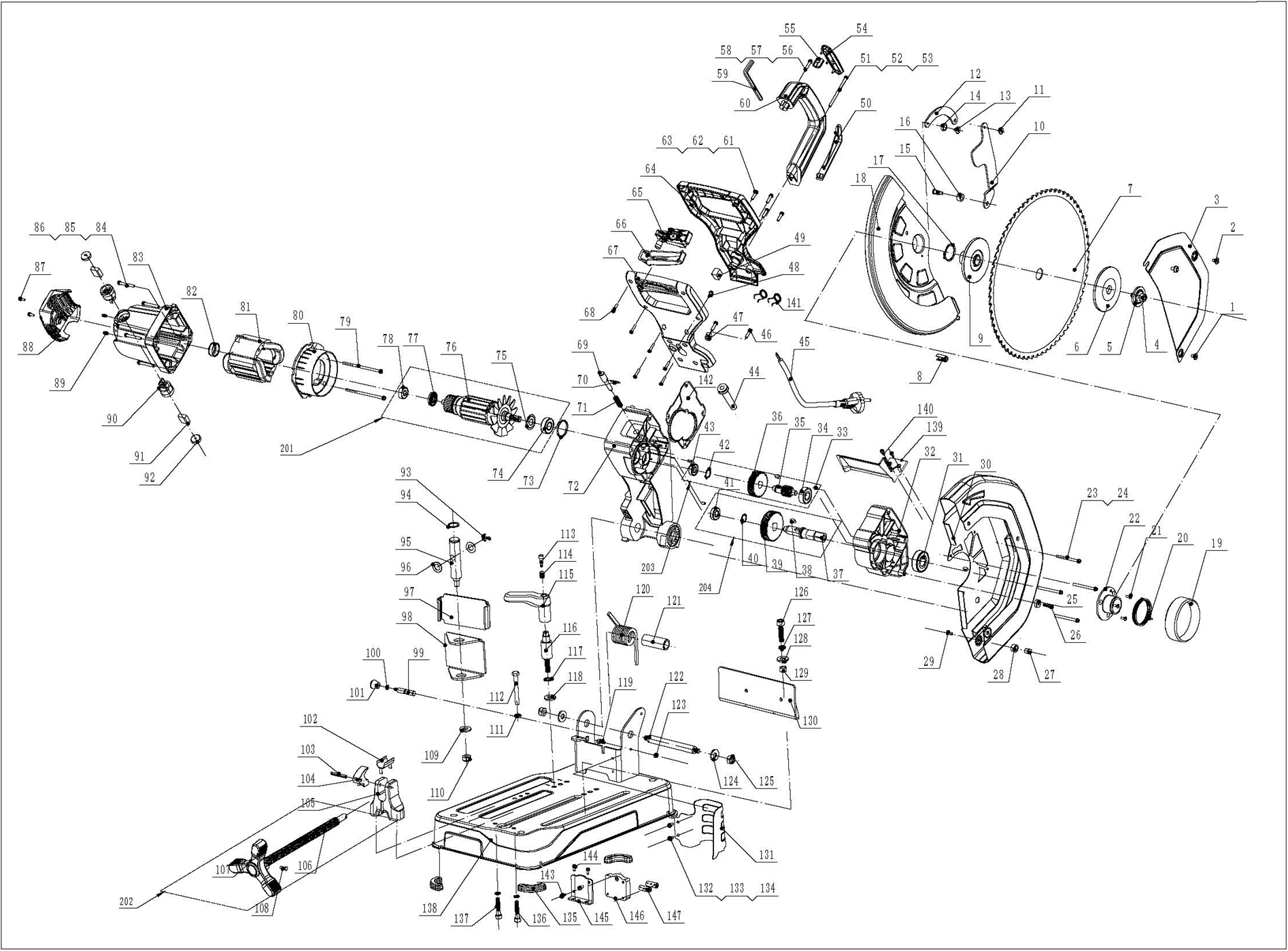
Схема сборки и запчасти ЗУБР 355 мм, 2000 Вт, монтажная пила (отрезная), Профессионал (ПОМ-355)
| № | Наименование | Артикул | Цена | |
|---|---|---|---|---|
| 3 | Крышка кожуха | N000-036-419 | - | |
| 4 | Винт M10х25 Hex | N000-036-420 | 102 | |
| 5 | Шайба | N000-036-421 | 102 | |
| 6 | Фланец прижимной внешний D89хd25.4 | N000-036-422 | 633.89 | |
| 8 | Демпфер кожуха | N000-036-423 | 102 | |
| 9 | Фланец прижимной внутренний D89хd25.4 | N000-036-424 | 752.4 | |
| 10 | Кронштейн | N000-036-425 | - | |
| 11 | Винт | N000-036-426 | - | |
| 12 | Тяга | N000-036-427 | - | |
| 13 | Винт | N000-036-428 | - | |
| 14 | Втулка | N000-036-429 | - | |
| 15 | Винт | N000-036-430 | - | |
| 16 | Втулка | N000-036-431 | - | |
| 18 | Кожух подвижный | N000-036-432 | 1 148.52 | |
| 19 | Стакан пружины | N000-036-433 | - | |
| 20 | Пружина | N000-036-434 | - | |
| 21 | Винт M4x12 | N000-027-711 | - | |
| 22 | Крышка редуктора | N000-036-435 | - | |
| 23 | Винт M5x60 H4 | UM01-000-199 | - | |
| 25 | Подшипник шариковый 606-2Z (40х17х12) ZXBRS | U009-606-RS0 | 103.05 | |
| 26 | Винт M6x16 | N000-027-605 | - | |
| 27 | Муфта соединительная | N000-036-436 | - | |
| 28 | Демпфер | N000-036-437 | - | |
| 29 | Винт M5х12 | N000-023-858 | - | |
| 30 | Кожух неподвижный | N000-036-438 | - | |
| 31 | Подшипник шариковый 6204-2RS (47х20х14) ZYTL | U009-620-4R1 | 1 925.78 | |
| 32 | Корпус редуктора | N000-036-439 | 922.08 | |
| 33 | Штифт разрезной D5х8 | N000-036-440 | 102 | |
| 34 | Подшипник шариковый 6200-2RS (30x10x9) n/n | U009-620-0RS | 270.21 | |
| 35 | Вал-шестерня | N000-036-441 | 4 122.06 | |
| 36 | Шестерня | N000-036-442 | 585.13 | |
| 37 | Шпиндель | N000-036-443 | 390.09 | |
| 38 | Шпонка 4х13 | N000-036-444 | 102 | |
| 39 | Шестерня | N000-036-445 | 670.47 | |
| 41 | Подшипник шариковый 6001-2Z (28х12х8) CHFZ | U009-600-1RS | 309.15 | |
| 43 | U009-600-0RS | 330.31 | | |
| 49 | Вставка рукоятки | N000-036-447 | - | |
| 50 | Конденсатор 0.22µF | N000-019-425 | - | |
| 51 | Винт M5х80 | U353-200-041 | - | |
| 54 | Вставка рукоятки | N000-036-448 | - | |
| 55 | Втулка резиновая | N000-036-449 | - | |
| 56 | Винт M5x25 | N000-025-255 | - | |
| 60 | Рукоятка | N000-036-451 | - | |
| 61 | Винт M5х20 | N000-020-799 | - | |
| 64 | Рукоятка верхняя часть | N000-036-452 | 634.88 | |
| 65 | Выключатель Jiaben S400 15(15A) 250V 5E4 TUV | V000-003-478 | 798.33 | |
| 66 | Курок выключателя | N000-036-453 | 102 | |
| 67 | Рукоятка нижняя часть | N000-036-454 | 630.83 | |
| 69 | Штифт блокировки вала | N000-036-455 | 110.16 | |
| 70 | Штифт пружинный D4 | N000-036-456 | 102 | |
| 71 | Пружина | N000-036-457 | - | |
| 72 | Корпус | N000-036-458 | - | |
| 73 | Прокладка | N000-036-459 | - | |
| 74 | Подшипник шариковый 6202-2RS (35x15x11) n/n | U009-620-2RS | 206.1 | |
| 75 | Прокладка пылезащитная | N000-036-460 | - | |
| 76 | Ротор КД | N000-036-461 | 3 962.22 | |
| 77 | Кольцо ограничительное | N000-036-462 | 102 | |
| 78 | Подшипник шариковый 629-2Z (26х9х8) OG | U009-629-RS0 | 317.22 | |
| 80 | Дефлектор | N000-036-463 | 123.66 | |
| 81 | Статор КД | N000-036-464 | 2 840.32 | |
| 82 | Втулка подшипника 629 резиновая | N000-030-894 | 206.1 | |
| 83 | Корпус двигателя | N000-036-465 | 661.9 | |
| 84 | Винт M5x40 | N000-002-920 | - | |
| 88 | Крышка двигателя | N000-036-466 | 194.21 | |
| 89 | Винт M5х8 Hex | N000-020-809 | - | |
| 90 | Щёткодержатель (пара) | N000-036-467 | 346.59 | |
| 91 | Щётка графитовая (пара) 7х18х18 | N000-036-468 | 404.12 | |
| 92 | Крышка щёткодержателя (пара) D22 | N000-036-469 | 102 | |
| 93 | Штифт | N000-036-470 | - | |
| 95 | Вал | N000-036-471 | - | |
| 97 | Упор насадной | N000-036-472 | - | |
| 98 | Упор подвижный | N000-036-473 | - | |
| 99 | Штифт | N000-036-474 | - | |
| 100 | Прокладка 5х1.5 | N000-036-475 | - | |
| 101 | Крышка | N000-036-476 | - | |
| 102 | Прокладка | N000-036-477 | - | |
| 103 | Штифт разрезной D6х40 | N000-036-478 | 102 | |
| 104 | Собачка | N000-036-479 | 428.4 | |
| 105 | Кронштейн | N000-036-480 | - | |
| 106 | Шпилька резьбовая | N000-036-481 | 397.8 | |
| 107 | Рукоятка | N000-036-482 | - | |
| 108 | Заклёпка | N000-036-483 | - | |
| 111 | Гайка М8 | N000-027-540 | - | |
| 112 | Болт M8х55 | N000-025-027 | - | |
| 113 | Винт установочный | N000-036-484 | - | |
| 114 | Пружина | N000-036-485 | - | |
| 115 | Рукоятка | N000-036-486 | - | |
| 116 | Винт прижимной | N000-036-487 | - | |
| 120 | Пружина кручения | N000-036-488 | 367.89 | |
| 121 | Втулка | N000-036-489 | - | |
| 122 | Шпилька | N000-036-490 | - | |
| 123 | Гайка М6 | N000-027-549 | - | |
| 129 | Прокладка | N000-036-491 | - | |
| 130 | Упор | N000-036-492 | 298.85 | |
| 131 | Искрогаситель | N000-036-493 | - | |
| 135 | Ножка резиновая | N000-036-494 | - | |
| 138 | Основание | N000-036-495 | - | |
| 139 | Экран защитный | N000-036-496 | - | |
| 141 | Кольцо индукционное | N000-039-720 | - | |
| 142 | Прокладка бумажная | N000-039-721 | 102 | |
| 145 | Опора лазера | N000-039-722 | - | |
| 146 | Лазер 0.5 mW | N000-039-723 | 752.28 | |
| 202 | Тиски в сборе (EV 93-98.102-110) | N000-045-637 | 2 111.4 | |



