Сабельная пила DongCheng DJF02-30, 1300 Вт
Сабельная пила DongCheng DJF02-30 представляет собой мощный инструмент для распила дерева и металла. Мощность 1300 Вт, регулируемая скорость холостого хода 0-2900 ход/мин и величина хода 30 мм обеспечивают высокую производительность при распиле дерева глубиной до 255 мм и трубы до 130 мм. В комплектацию входят пильное полотно по дереву, пильное полотно по металлу, угольные щетки и пластиковый кейс.
Ключевые особенности:
- Мощность и производительность
Двигатель мощностью 1300 Вт и ход полотна 30 мм обеспечивают эффективный рез различных материалов и большую глубину распила.
- Универсальность применения
Инструмент предназначен для работы с деревом и металлом. В комплектацию входят два типа полотен, что обеспечивает готовность к выполнению различных задач.
- Контроль над процессом
Плавная регулировка скорости (0–2900 ход/мин) позволяет точно выбрать режим работы для разных материалов
-Эргономика и надежность
Конструкция с весом 3,8 кг обеспечивает баланс между мощностью и управляемостью. Наличие запасных угольных щеток способствует длительной эксплуатации.
- Смена оснастки без инструментов
Удобная система смены пильных полотен без использования дополнительных инструментов.
- Электронное поддержание постоянной скорости
Пила не останавливается и не заклинивает в материале при резком изменении нагрузки, сохраняя скорость реза и защищая двигатель.
- Комплектация для работы и хранения
В комплекте поставляются основные пильные полотна и пластиковый кейс для удобной транспортировки и сохранности инструмента.
Срок гарантии — 3 года на инструмент и 1 год на аккумуляторы и зарядные устройства. DongCheng предоставляет самый быстрый и удобный способ ремонта инструмента благодаря услуге «Сервис Онлайн».
DongCheng – инструмент, которым построен Китай.
| Комплектация | Пильное полотно (дерево), пильное полотно (металл), угольные щетки, пластиковый кейс |
| Номинальная потребляемая мощность | 1300 Вт |
| Величина хода | 30 мм |
| Глубина распила дерево | 255 мм |
| Глубина распила труба | 130 мм |
| Скорость холостого хода | 0-2900 ход/мин |
| Вес нетто | 3,8 кг |
| Упаковка | Пластиковый кейс |
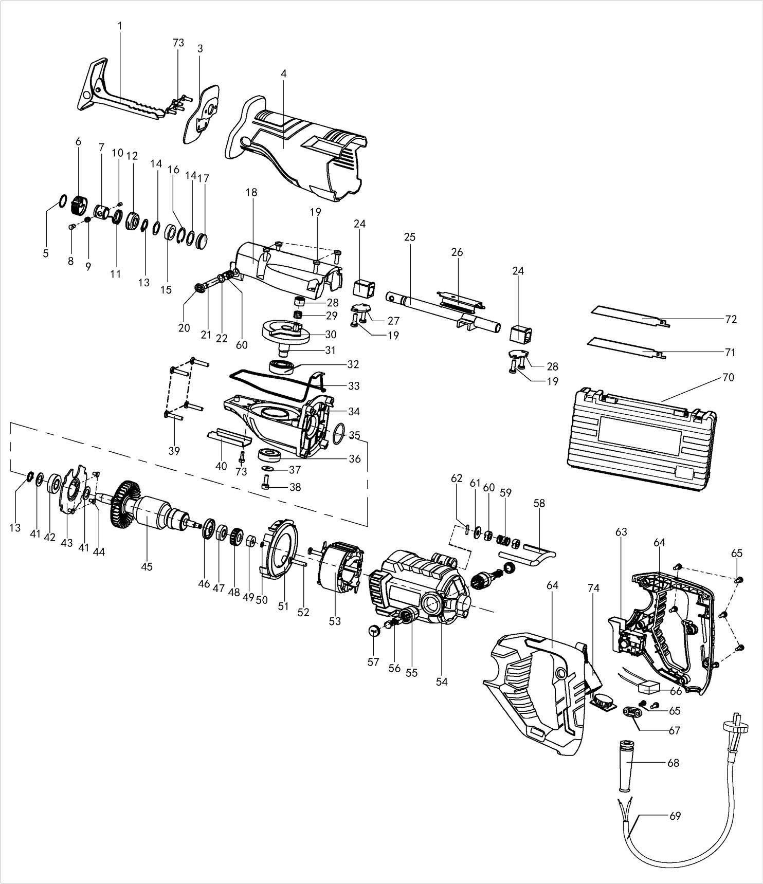
Схема сборки и запчасти Сабельная пила DongCheng DJF02-30, 1300 Вт
| № | Наименование | Артикул | Цена | |
|---|---|---|---|---|
| 13 | Стопорное кольцо | 30021600013 | 75 | |
| 19 | Винт с крестообразным шлицем и потайной головкой M5×18 (с пружинной и плоской шайбами) | 30021100045 | 75 | |
| 32 | Шарикоподшипник 6202ZZ | 30021400103 | 315 | |
| 38 | Винт с внутренним шестигранником M5×12 | 30021100095 | 48 | |
| 39 | Винт самонарезающий с полукруглой головкой и крестообразным шлицем ST5×25 | 30021200034 | 48 | |
| 41 | Шайба | 30021600456 | 75 | |
| 42 | Шарикоподшипник 6001-2RS | 30021400461 | 246 | |
| 46 | Пылеотбойное кольцо | 30016300056 | 74 | |
| 52 | Самонарезающий винт с крестообразным шлицем и полукруглой головкой ST4.8×44 | 30021200018 | 48 | |
| 61 | Шайба | 30029901712 | 75 | |
| 65 | Винт самонарезающий с полукруглой головкой и шайбой ST4×16 | 30021200008 | 24 | |
| 67 | Фиксатор кабеля | 30016300005 | 74 | |
| 73 | Винт с крестообразным шлицем и потайной головкой M4×16 (с пружинной и плоской шайбами) | 30021100063 | 24 | |





