ЗУБР Профессионал ППТ-305-П пила торцовочная с протяжкой, d 305 х 30 мм, 2000 Вт
Удобная торцовочная пила с обновлённой жёсткой и компактной конструкцией для работы с древесиной, пластиком и тонкостенным алюминием (при установке соответствующих дисков). Подвижная голова позволяет обрабатывать заготовки шириной до 340 мм. Возможность наклона головы +-45 град. Торцовочные пилы ЗУБР ПРОФЕССИОНАЛ - надёжный и точный инструмент
Преимущества
- Увеличенная ширина пиления благодаря сдвижной голове диска и диску максимального диаметра
- Обновлённая конструкция сдвига режущей головы позволяет сэкономить место в мастерской
- Возможность наклона в обе стороны позволяет уменьшить количество вспомогательных операций при работе
- LED-подсветка с указанием линии реза
- Блокировка шпинделя для простой замены диска
- Автоматически закрывающийся защитный кожух защищает оператора от травм и повреждений
- Фиксирующийся в любом положении поворотный стол и удобная регулировка наклона облегчают установку угла пиления
- Специальный сплав обеспечивает легкость и прочность конструкции и, соответственно, точность пиления
- Эффективный пылеотвод способствует более чистой работе
- Струбцина в комплекте для надежного удержания заготовки
- Удлинительные опоры стола предотвращают опрокидывание отпиленной заготовки, что повышает безопасность
Использование
Для прямого, косого, под наклоном и комбинированного пиления заготовок из древесины и ее производных (в том числе с пластиковыми покрытиями), а также тонкого алюминиевого профиля
| Масса изделия, кг | 22.01 |
| Гарантия | 5 лет |
| Плавный пуск | есть |
| Регулировка глубины реза | нет |
| Диаметр диска, мм | 305 |
| Мощность, Вт | 2000 |
| Напряжение, В/Гц | 230/50 |
| Режим работы | S1 |
| Длина кабеля, м | 2 |
| Частота вращения, об/мин | 5000 |
| Макс. глубина пропила под углом 90°, мм | 105 |
| Макс. глубина пропила под углом 45°, мм | 60 |
| Посадочный диаметр диска, мм | 30 |
| Наклон головы, град | -47…47 |
| Макс. ширина пропила под углом 90°, мм | 340 |
| Макс. ширина пропила под углом 45°, мм | 235 |
| Регулировка стола влево/вправо, град | 45/45 |
| Сдвижная консоль | есть |
| Ременная передача | нет |
| Пылеудаление | есть |
| Количество зубьев, шт | 40 |
| Подсветка с указателем реза | есть |
| Тип упаковки | коробка картонная |
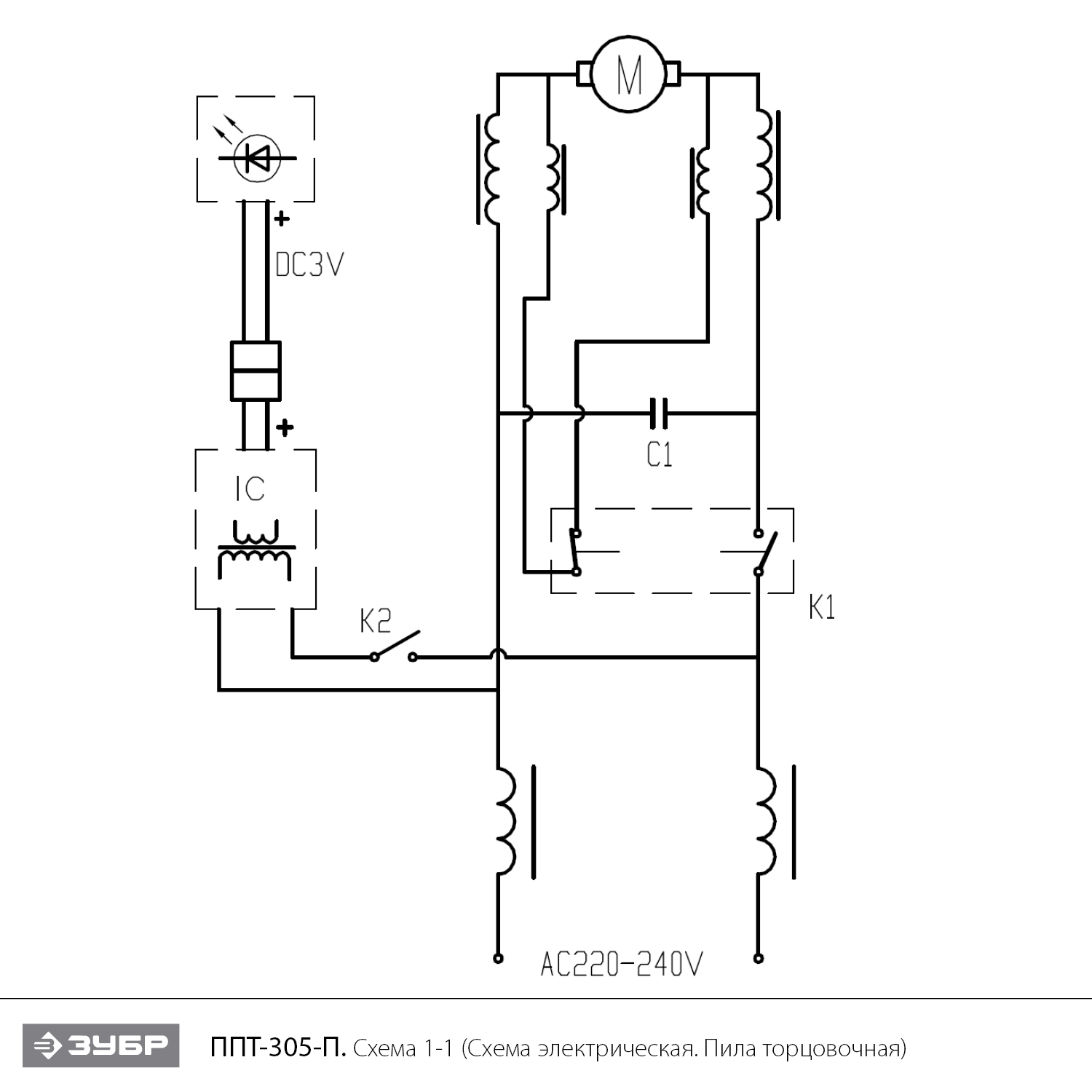
Схема сборки и запчасти ЗУБР Профессионал ППТ-305-П пила торцовочная с протяжкой, d 305 х 30 мм, 2000 Вт
| № | Наименование | Артикул | Цена | |
|---|---|---|---|---|
| 1 | Двигатель в сборе КД | V000-001-711 | - | |
| 1.01 | Винт M5x35 | N000-027-276 | - | |
| 1.02 | Саморез ST4.2х16 | N000-020-411 | - | |
| 1.03 | Ручка верхняя часть | N000-029-267 | - | |
| 1.04 | Пружина переключателя | N000-029-268 | - | |
| 1.05 | Микровыключатель MSB-2213B 13(13)A 250V~20A T85 5E4 | V000-000-272 | 196.12 | |
| 1.06 | Рычаг реверса | N000-036-361 | 234.6 | |
| 1.08 | Пластина прижимная | N000-029-271 | - | |
| 1.09 | Пылезащита выключателя подсветки | N000-032-473 | - | |
| 1.10 | Выключатель Jiaben KND1-6/1 6(6)A 250V 5E4 | V000-003-435 | 102 | |
| 1.11 | Блок питания LED подсветки AC240V/DC4.1V | V000-007-055 | 616.25 | |
| 1.12 | Конденсатор MEX GPF 0.22uF Kx2 ~275V | V000-007-555 | 309.15 | |
| 1.13 | Ручка нижняя часть | N000-029-273 | - | |
| 1.14 | Воротник шнура | N000-026-119 | - | |
| 1.15 | Шнур сетевой ZUBR, H05VV-F, PVC, 2x1.0mm2, 2m | V000-006-357 | 618.31 | |
| 1.16 | Винт M6x20 | N000-022-364 | - | |
| 1.17 | Шайба D6 | N000-025-179 | - | |
| 1.18 | Ручка для переноски | N000-029-276 | - | |
| 1.19 | Винт M5x20 | N000-022-391 | - | |
| 1.20 | Кронштейн | N000-029-274 | 3 091.55 | |
| 1.22 | Корпус двигателя с неподвижным кожухом | N000-017-078 | 938.4 | |
| 1.23 | Крышка щеткодержателя D20х8.5 | N000-029-283 | 102 | |
| 1.24 | Щетка графитовая (пара) 19х7х16.9 | N000-029-284 | 447.24 | |
| 1.25 | Щеткодержатель | N000-029-285 | 259.63 | |
| 1.27 | Корпус двигателя | N000-029-286 | 581.87 | |
| 1.30 | Винт M6x10 | N000-013-922 | - | |
| 1.31 | Крышка корпуса двигателя | N000-029-287 | - | |
| 1.32 | Статор КДА | N000-032-597 | 1 819.68 | |
| 1.33 | Саморез ST4.8x60 | N000-018-010 | - | |
| 1.34 | Втулка подшипника 608 резиновая | N000-029-281 | 110.16 | |
| 1.35 | Подшипник шариковый 608-2RS (22х8х7) CNBALL | U009-608-RS0 | 330.31 | |
| 1.36 | Ротор КДС | N000-032-598 | 3 518.59 | |
| 1.37 | Кольцо стопорное разжимное D15 | N000-029-297 | 102 | |
| 1.38/8.06 | Подшипник шариковый 6202-2RS (35x15x11) n/n | U009-620-2RS | 206.1 | |
| 1.39 | Вставка вентиляционная | N000-029-279 | 2 856 | |
| 1.40 | Винт M6х50 ограничитель глубины пропила | N000-029-292 | - | |
| 1.41 | Гайка с накаткой М6 | N000-029-291 | - | |
| 1.42 | Штифт стопорный | N000-029-293 | - | |
| 1.43 | Кольцо стопорное D6 | N000-029-295 | - | |
| 1.44 | Пружина | N000-029-294 | - | |
| 1.45 | Винт M4x8 | N000-020-649 | - | |
| 1.46 | Подшипник шариковый 607 RS (19х7х6) | U009-607-RS0 | 309.15 | |
| 1.47 | Гайка М6 | N000-027-549 | - | |
| 1.48 | Винт M6x30 | N000-026-444 | - | |
| 1.49 | Кронштейн пылеуловителя | N000-032-599 | 285.6 | |
| 1.50 | Пылеуловитель | N000-032-600 | 15 300 | |
| 1.51 | Лампа светодиодная | N000-032-601 | 140.96 | |
| 1.52 | Отражатель | N000-032-602 | 412.2 | |
| 1.53 | Крышка лампы | N000-032-603 | 206.1 | |
| 1.54 | Крышка подсветки левая | N000-032-604 | - | |
| 1.55 | Крышка подсветки првая | N000-032-605 | - | |
| 1.57 | Кольцо индукционное | N000-032-484 | - | |
| 1.58 | Блок плавного пуска AOL DS12A 230V | V000-004-455 | 719.3 | |
| 2 | Консоль наклонная в сборе | N000-032-606 | 10 305.15 | |
| 2.01 | Кронштейн опорный | N000-032-607 | 10 305.15 | |
| 2.03 | Шайба-гровер D8 | N000-018-202 | - | |
| 2.04 | Винт M8x30 | N000-013-933 | - | |
| 2.05 | Направляющая | N000-032-608 | - | |
| 2.06 | Винт M4x12 | N000-027-711 | - | |
| 2.07 | Защита линейного подшипника | N000-032-609 | - | |
| 2.08 | Шайба войлочная D32хd24.5х2 | N000-032-610 | - | |
| 2.09 | Подшипник линейный (40х25х35) LM25UU TDB | N000-032-611 | 897.08 | |
| 2.10 | Защита подшипника | N000-032-612 | - | |
| 2.11 | Кронштейн | N000-032-613 | 2 576.11 | |
| 2.13 | Пружина | N000-032-493 | 285.6 | |
| 2.14 | Винт барашек M6х30 | N000-032-494 | 380.8 | |
| 2.17 | Шайба D7 | N000-024-388 | - | |
| 2.18 | Ограничитель глубины реза | N000-032-614 | - | |
| 2.21 | Винт M6х6 установочный | N000-032-615 | - | |
| 2.22 | Заглушка направляющей | N000-032-616 | - | |
| 2.23 | Кольцо | N000-032-617 | - | |
| 3 | Основание в сборе | N000-032-618 | 30 600 | |
| 3.02 | Вставка стола | N000-032-619 | - | |
| 3.03 | Пружина | N000-032-508 | - | |
| 3.05 | Рычаг блокировки поворотного стола | N000-032-620 | 217.06 | |
| 3.06 | Винт M6x45 | N000-022-932 | - | |
| 3.07 | Клавиша блокировки | N000-032-621 | 102 | |
| 3.08 | Втулка | N000-032-511 | - | |
| 3.09 | Винт M5x35 | N000-024-374 | - | |
| 3.10 | Штифт D6x80 | N000-032-622 | - | |
| 3.12 | Указатель угла поворота | N000-029-348 | - | |
| 3.13 | Головка фиксатора | N000-029-347 | - | |
| 3.15 | Шайба D8 | N000-018-462 | - | |
| 3.18 | Указатель угла наглона | N000-029-345 | - | |
| 3.19 | Фиксатор наклона | N000-029-342 | - | |
| 3.20 | Пружина фиксатора | N000-029-343 | - | |
| 3.21 | Вал опорного кронштейна | N000-029-344 | - | |
| 3.22 | Планка упорная левая | N000-029-359 | 118.14 | |
| 3.23 | Упор фронтальный правый | N000-032-623 | 412.2 | |
| 3.25 | Шайба-гровер D6 | N000-018-181 | - | |
| 3.28 | Винт-барашек M6х25 | N000-029-321 | - | |
| 3.30 | Упор фронтальный | N000-029-361 | 936.77 | |
| 3.31 | Стол | N000-029-346 | 30 600 | |
| 3.32 | Винт M8х20 | U355-180-071 | - | |
| 3.34 | Шайба-гровер D8 #F | UM04-002-007 | 103.05 | |
| 3.35 | Рычаг | N000-029-373 | - | |
| 3.36 | Ограничитель | N000-029-358 | - | |
| 3.38 | Пластина прижимная | N000-032-624 | - | |
| 3.39 | Пружина | N000-029-356 | - | |
| 3.40 | Стойка стола опорная передняя | N000-029-355 | - | |
| 3.41 | Удлинитель стола правый | N000-032-625 | 412.2 | |
| 3.42 | Винт M4x8 | N000-018-712 | - | |
| 3.43 | Пружина | N000-029-354 | - | |
| 3.44 | Фиксатор правый | N000-029-372 | - | |
| 3.46 | Гайка М5 | N000-027-164 | - | |
| 3.47 | Гайка М8 | N000-027-752 | - | |
| 3.48 | Шкала поворота | N000-032-626 | - | |
| 3.49 | Онование | N000-032-627 | - | |
| 3.50 | Удлинитель стола левый | N000-032-628 | - | |
| 3.51 | Винт-барашек M6х10 | N000-029-369 | - | |
| 4 | Струбцина в сборе | N000-032-647 | 909.89 | |
| 4.01 | Саморез ST4.2x13 | N000-013-826 | - | |
| 4.02 | Фиксатор правая часть | N000-032-629 | - | |
| 4.03 | Крышка | N000-032-522 | - | |
| 4.04 | Пружина | N000-032-523 | - | |
| 4.05 | Крышка | N000-032-524 | - | |
| 4.06 | Кронштейн струбцины | N000-032-525 | - | |
| 4.07 | Винт M6х10 H3 установочный | UM01-003-012 | - | |
| 4.08 | Фиксатор левая часть | N000-032-526 | - | |
| 4.09 | Соединитель | N000-032-527 | - | |
| 4.10 | Пружина | N000-032-528 | - | |
| 4.12 | Пластина прижимная | N000-032-530 | - | |
| 5 | Кожух защитный в сборе | N000-032-630 | 721.36 | |
| 5.02 | Опора кожуха | N000-029-307 | - | |
| 5.03 | Пружина торсионная D49xh14 | N000-029-308 | 102 | |
| 5.04 | Кожух подвижный защитный в сборе | N000-029-309 | 6 953.74 | |
| 5.05 | Шайба D5 | N000-025-166 | - | |
| 5.06 | Шайба кожуха упорная | N000-029-306 | - | |
| 5.07 | Опора центральная | N000-029-311 | - | |
| 5.08 | Заклёпка D4х16 | N000-032-631 | - | |
| 6 | Рукоятка фиксатора поворота в сборе | N000-032-632 | 3 915.96 | |
| 6.01 | Стержень рукоятки | N000-032-633 | - | |
| 6.02 | Ручка поворотного стола | N000-026-191 | 515.25 | |
| 6.04 | Крышка ручки | N000-026-192 | 206.1 | |
| 7 | Рукоятка наклона в сборе | N000-032-634 | - | |
| 7.02 | Рукоятка | N000-032-635 | - | |
| 7.03 | Болт M10х108 | UM03-000-032 | - | |
| 8 | Шпиндель с шестерней D54 Z34 в сборе | N000-032-636 | 1 640.36 | |
| 8.01 | Кольцо стопорное D15 | N000-027-261 | - | |
| 8.02 | Шестерня D54 Z34 | N000-029-298 | 964.92 | |
| 8.03 | Шпонка 4х4х12 | N000-029-300 | 103.05 | |
| 8.04 | Шпиндель | N000-029-299 | 327.87 | |
| 8.05 | Винт M5x10 | N000-027-513 | - | |
| 8.07 | Крышка редуктора | N000-029-301 | 126.48 | |
| 11 | Винт M6x22 | N000-018-774 | - | |
| 12 | Винт M5x70 | N000-013-837 | - | |
| 13 | Мешок пылесборник | N000-032-637 | 205.04 | |
| 14 | Переходник | N000-032-638 | - | |
| 16 | Винт M5x16 | N000-018-546 | - | |
| 17 | Фланец внутренний D54хd30хd15.5 | N000-029-302 | 171.16 | |
| 18 | Диск пильный D305хd30х3 40Т | N000-032-639 | - | |
| 19 | Фланец внешний D54хd30хd15.5 | N000-029-304 | 171.16 | |
| 20 | Винт M8х20 (Левая резьба) Hex с шайбой | N000-024-379 | 412.2 | |
| 23 | Тяга | N000-032-640 | 309.15 | |
| 25 | Винт M6х16 | N000-007-128 | - | |
| 27 | Винт M6x14 | N000-018-471 | - | |
| 28 | Штифт стопорный | N000-032-641 | 5 814 | |
| 29 | Кольцо стопорное D10 разжимное | N000-001-873 | 102 | |
| 30 | Гайка M12 | N000-013-905 | - | |
| 31 | Шайба D22xd12.2x1.5 | N000-013-903 | - | |
| 32 | Шайба D22xd12.7x0.3 | N000-013-904 | - | |
| 33 | Втулка | N000-032-544 | - | |
| 35 | Винт M8x25 | N000-018-775 | - | |
| 36 | Вал | N000-032-642 | - | |
| 37 | Втулка | N000-032-643 | - | |
| 38 | Пружина кручения D42xd27xh38 | N000-032-644 | 576.7 | |
| 40 | Шкала наклона | N000-032-645 | - | |
| 41 | Винт M8x35 | N000-017-067 | - | |





