STEHER 70х198 мм, 300 Вт, 3 мм, бесщеточная плоскошлифовальная машина (BPS-720)
Производительная замена кропотливому и утомительному ручному труду по финишной доводке поверхности. Бесщеточный BRUSHLESS двигатель обеспечивает плавность работы, бесшумность и долговечность. Колебания с широкой амплитудой и высокой частотой существенно увеличивают эффективность обработки по сравнению с ручной работой. Плавная регулировка частоты колебаний позволяет работать с разными материалами
Благодаря размеру основания оптимально походит для шлифовки кузовных шпатлевок и грунтовок
Преимущества
- Идеальное качество шлифования без задиров и заусенцев для профессионального результата
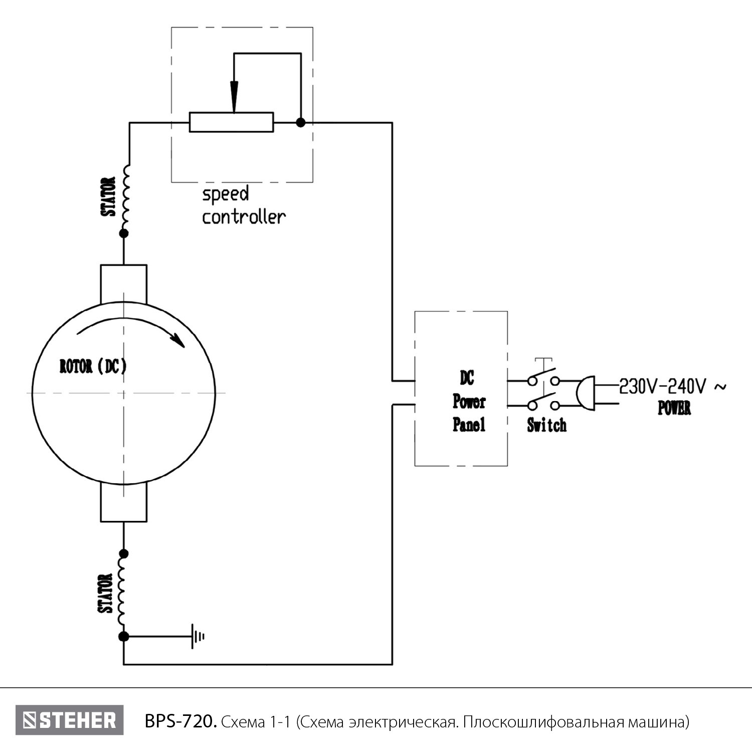
- Бесщеточный двигатель Brushless обладает целым рядом преимуществ по сравнению с обычным щеточным двигателем:
- высокие мощностные характеристики по сравнению с аналогичным щеточным двигателем,
- высокий КПД,
- контроллер двигателя позволяет гибко регулировать мощность и поддерживать ее на максимальном уровне в широком диапазоне оборотов,
- отсутствие нагрева и потерь от постоянн - Все возможные электронные системы для лучшего качества работы:
- защита от повторного включения:
-плавный пуск для мягкого старта,
- регулировка оборотов (7 ступеней) для различных видов работ,
- защита от перегрузки предохраняет оператора и изделие - Плавная регулировка частоты колебаний, в пределах установленного максимума, степенью нажатия на рычаг
- Специальный размер основания для шлифовки кузовных шпатлевок и грунтовок
- Эксцентриковый ход 3 мм способствует эффективной работе
- Система крепления шлифовальной бумаги Velcro для быстрой и простой замены листов
- Эргономичный дизайн с удобным хватом
- Обрезиненное покрытие поверхности хвата для надежного удержания
- Эффективная система пылеудаления через множественную перфорацию в основании
- Надежная конструкция с необслуживаемым двигателем и прямым приводом с минимумом движущихся деталей
- Длинный кабель 6 м позволяет работать вдали от розетки
- Низкий уровень вибрации для длительной комфортной работы
- Выходной патрубок диаметром 20 мм для подключения тонкого шланга для большей мобильности
- Адаптер для подключения к пылесосу в комплекте
- Прочная литая подошва обеспечивает надежность на весь срок службы
Использование
Для сухого шлифования поверхностей и заготовок из различных материалов, а также очистки поверхностей от загрязнений (ржавчины, остатков лака и краски)
| Защита от перегрузки | есть |
| Тип двигателя | BRUSHLESS, бесщеточный |
| Габариты, см | 39x17x14 |
| Масса изделия, кг | 1.9 |
| Масса в упаковке, кг | 2.5 |
| Гарантия | 12 |
| Плавный пуск | есть |
| Поддержание постоянных оборотов под нагрузкой | есть |
| Электронная регулировка оборотов | есть |
| Мощность, Вт | 300 |
| Напряжение, В/Гц | 230 / 50 |
| Длина кабеля, м | 6 |
| Частота вращения, об/мин | 4000-10000 |
| Возможность подключения к пылесосу | есть |
| Диаметр адаптера под пылесос, мм | 20 - 56 |
| Размер абразивной бумаги, мм | 70х198 |
| Амплитуда колебаний платформы, мм | 3.0 |
| Крепление бумаги | Velcro |
| Пылеотвод через основание | есть |
| Кол-во отверстий пылеотвода, шт | 46 |
| Контейнер для пыли | нет |
| Тип упаковки | коробка картонная |
| Защита от повторного пуска | есть |
Схема сборки и запчасти STEHER 70х198 мм, 300 Вт, 3 мм, бесщеточная плоскошлифовальная машина (BPS-720)
| № | Наименование | Артикул | Цена | |
|---|---|---|---|---|
| 3 | Площадка шлифовальная 70х197 | N000-040-435 | 1 297.44 | |
| 5 | Платформа 70х197 | N000-040-436 | 348.84 | |
| 6 | Штифт D2х5 | N000-040-437 | - | |
| 7 | Шпиндель | N000-040-438 | 377.4 | |
| 8 | Прокладка | N000-040-439 | - | |
| 9 | Прокладка резиновая D20хd12х1.5 | N000-040-416 | - | |
| 10 | Кольцо стопорное D28 | N000-040-417 | - | |
| 11 | Подшипник шариковый 6206-2RS (62х30х16) LFB | N000-006-273 | 831.92 | |
| 12 | Эксцентрик | N000-040-440 | 726.24 | |
| 13 | Крыльчатка | N000-040-441 | - | |
| 14 | U009-600-0RS | 330.31 | | |
| 15 | Втулка подшипника 6000 резиновая | N000-040-442 | 208.08 | |
| 16 | Опора пружинная | N000-040-443 | 112.2 | |
| 17 | Корпус двигателя | N000-040-444 | 234.6 | |
| 18 | Ротор АД | N000-040-421 | - | |
| 19 | Статор АД | N000-040-422 | 2 162.4 | |
| 20 | Блок электронный регулятор оборотов | V000-004-630 | 6 364.8 | |
| 21 | Втулка кнопки | N000-040-433 | - | |
| 22 | Прокладка фетровая 17х19.5х8 | N000-040-432 | - | |
| 23_40 | Корпус в сборе левая и правая часть (EV23.40) | N000-040-445 | 599.76 | |
| 26 | Подшипник шариковый 698-2RS (19х8х6) Outdo | N000-009-109 | 184.31 | |
| 27 | Плата электронная датчика Холла | V000-004-631 | 693.6 | |
| 30 | Шнур сетевой H05RN-F Rubber 2Gх0.75мм2 6м | V000-006-407 | - | |
| 31 | Рычаг включения | N000-040-446 | 153 | |
| 33 | Магнит цилиндрический D3х3 | N000-040-423 | 112.2 | |
| 34 | Пружина рычага | N000-040-447 | - | |
| 35 | Блок плавного пуска с защитой от перегрузки | V000-004-632 | 3 376.2 | |
| 36 | Накладка верхняя | N000-040-448 | - | |
| 37 | Линза | N000-040-428 | 112.2 | |
| 38 | Патрубок пылеотводный | N000-040-449 | 153 | |
| 39 | Адаптер 1 | N000-040-450 | 108.12 | |
| 42 | Адаптер 2 | N000-040-451 | 153 | |
| 43 | Адаптер 3 | N000-040-452 | 153 | |

