STEHER d225 мм, 500 Вт, подсветка, бесщеточная шлифовальная машина для стен (жираф), кейс (DWB-500)
Машина шлифовальная для стен (жираф) с бесщеточным BRUSHLESS двигателем - незаменимый инструмент для обработки как горизонтальных, так и вертикальных поверхностей при подготовке к окраске или поклейке обоев. Облегченная конструкция и высокая надежность благодаря малогабаритному и высокотехнологичному двигателю, не требующему обслуживания
Преимущества
- Бесщеточный двигатель Brushless обладает целым рядом преимуществ по сравнению с обычным щеточным двигателем:
- высокие мощностные характеристики по сравнению с аналогичным щеточным двигателем,
- высокий КПД,
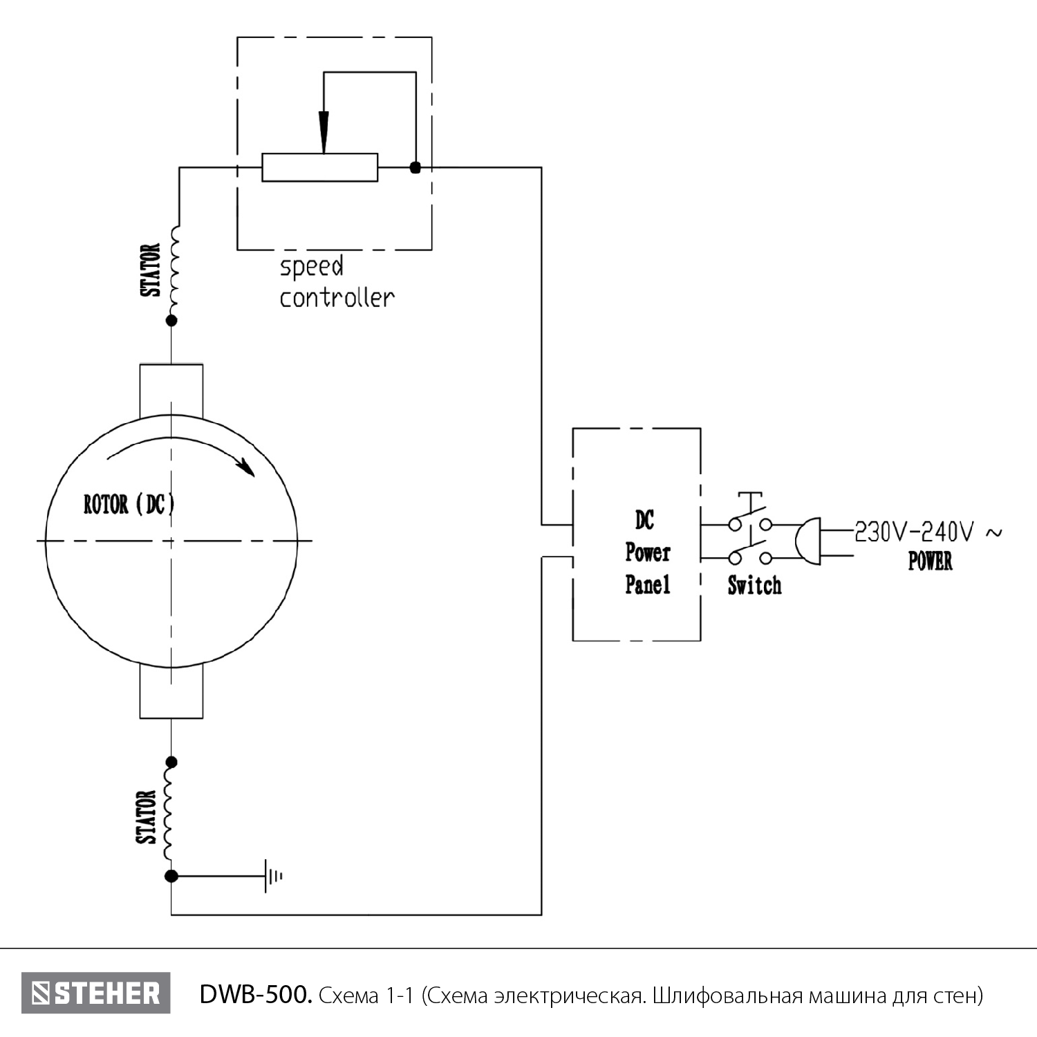
- контроллер двигателя позволяет гибко регулировать мощность и поддерживать ее на максимальном уровне в широком диапазоне оборотов,
- отсутствие нагрева и потерь от постоянн - Все возможные электронные системы для лучшего качества работы:
- защита от повторного включения:
-плавный пуск для мягкого старта,
- регулировка оборотов (7 ступеней) для различных видов работ,
- поддержание оборотов помогает работать без потери производительности при любой нагрузке,
- защита от перегрузки предохраняет оператора и изделие - Диаметр основания 225 мм ускоряет обработку больших поверхностей
- Небольшой вес обеспечивает высокую маневренность и меньшую утомляемость в процессе работы
- Система крепления шлифовальной бумаги Velcro для быстрой и простой замены листов
- Встроенная кольцевая подсветка рабочей поверхности позволяет легко оценивать качество обработки в процессе работы
- Съемный сектор кожуха обеспечивает обработку вплотную к стыку поверхностей
- Двухосевая свобода движения головы для точного следования тарелки по поверхности при любых движениях оператора
- Раздвижная задняя рукоятка позволяет настроить инструмент под свой рост и необходимую высоту обработки
- Жесткая щетина кожуха обеспечивает ровное прилегание тарелки и предотвращает выход пыли из-под кожуха
- Адаптеры для подключения к пылесосу в комплекте
- Складная конструкция позволяет компактно хранить и удобно переносить изделие
- Фирменный кейс для хранения с аксессуарами и переноски
Использование
Для сухого шлифования и финишной доводки стеновых и потолочных поверхностей
| Подсветка | есть |
| Габариты, см | 73x30.5x21.5 |
| Масса изделия, кг | 4.6 |
| Масса в упаковке, кг | 9.1 |
| Гарантия | 60 |
| Плавный пуск | есть |
| Поддержание постоянных оборотов под нагрузкой | есть |
| Электронная регулировка оборотов | есть |
| Мощность, Вт | 500 |
| Напряжение, В/Гц | 230 / 50 |
| Длина кабеля, м | 5 |
| Самовсасывание | нет |
| Возможность подключения к пылесосу | есть |
| Диаметр адаптера под пылесос, мм | 36 / 48 48 / 46 |
| Крепление бумаги | Velcro |
| Пылеотвод через основание | есть |
| Кол-во отверстий пылеотвода, шт | 8 |
| Контейнер для пыли | нет |
| Тип упаковки | бокс пластиковый |
| Размер абразивной бумаги (круг), мм | D225 |
| Частота вращения (круг), об/мин | 900-2100 |
| Сменная голова | нет |
| Съемная передняя часть кожуха | есть |
| Складная рукоятка | есть |
Схема сборки и запчасти STEHER d225 мм, 500 Вт, подсветка, бесщеточная шлифовальная машина для стен (жираф), кейс (DWB-500)
| № | Наименование | Артикул | Цена | |
|---|---|---|---|---|
| 3 | Платформа круглая | N000-040-516 | 1 091.4 | |
| 4 | Шайба фетровая | N000-040-459 | - | |
| 5 | Щетка передняя (короткая) нейлон | N000-040-460 | 100 | |
| 6 | Накладка передняя | N000-040-461 | - | |
| 6A | Щеткодержатель | N000-040-462 | - | |
| 6B | Накладка прозрачная | N000-040-463 | - | |
| 6C | Лента подсветки LED | N000-040-515 | 1 232.16 | |
| 7 | Корпус | N000-040-464 | - | |
| 8 | Контроллер | V000-004-637 | 6 375 | |
| 9 | Пластина | N000-040-466 | - | |
| 10 | Крышка платы | N000-040-467 | - | |
| 12 | Пружина | N000-040-468 | - | |
| 13 | Шпиндель | N000-040-469 | 267.24 | |
| 14 | Упор подшипника | N000-040-470 | - | |
| 15 | Подшипник шариковый 6001-2RS (28x12х8) CGXY | N000-028-706 | 219.77 | |
| 17 | Крышка редуктора | N000-040-471 | 255 | |
| 18 | Подшипник шариковый 606-2Z (40х17х12) ZXBRS | U009-606-RS0 | 103.05 | |
| 19 | Вал промежуточный | N000-040-472 | - | |
| 20 | Шестерня | N000-040-473 | 336.6 | |
| 21 | Корпус редуктора | N000-040-474 | 255 | |
| 22 | U009-600-0RS | 330.31 | | |
| 23 | Крышка корпуса двигателя | N000-040-475 | - | |
| 24 | Ротор АД | N000-040-476 | - | |
| 25 | Статор АД | N000-040-477 | 2 172.6 | |
| 26 | Подшипник шариковый 698-2RS (19х8х6) Outdo | N000-009-109 | 184.31 | |
| 27 | Щиток воздушный | N000-040-478 | 122.4 | |
| 28 | Крыльчатка | N000-040-479 | - | |
| 30 | Корпус двигателя | N000-040-480 | 153 | |
| 32 | Щетка (длинная) нейлон | N000-040-481 | 204 | |
| 37 | Шланг | N000-040-482 | 255 | |
| 40 | Шестерня большая | N000-040-483 | 265.2 | |
| 41 | Подшипник шариковый 607 RS (19х7х6) | U009-607-RS0 | 309.15 | |
| 42 | Штифт D5х10 | N000-040-484 | - | |
| 43 | Втулка | N000-040-485 | - | |
| 43A | Кольцо уплотнительное D10хd2.2 | N000-040-486 | - | |
| 44_48 | Корпус в сборе левая и правая часть (EV44.48) | N000-040-487 | 408 | |
| 45 | Пружина кручения | N000-040-488 | 102 | |
| 46A | Шайба D6 | N000-040-489 | - | |
| 47 | Шатун | N000-040-490 | - | |
| 50 | Адаптер 1 | N000-040-491 | 102 | |
| 51 | Кольцо уплотнительное | N000-040-492 | - | |
| 52 | Труба нижняя | N000-040-493 | - | |
| 53_59 | Рукоятка средняя в сборе (левая и правая часть) | N000-040-494 | 591.6 | |
| 54 | Адаптер 2 | N000-040-495 | 102 | |
| 55 | Блок питания | V000-004-633 | 3 213 | |
| 56 | Блок электронный защита по току | V000-004-634 | 1 142.4 | |
| 58 | Шнур сетевой H05VV-F PVC 2х0.75мм2 5м | V000-006-408 | - | |
| 60 | Накладка управления | N000-040-496 | - | |
| 61 | Накладка светодиода | N000-040-497 | - | |
| 62 | Фиксатор воздуховода | N000-040-498 | - | |
| 63 | Труба удлиннительная | N000-040-499 | - | |
| 64_65 | Рукоятка верхняя в сборе (левая и правая часть) | N000-040-500 | - | |
| 68 | Датчик Холла | N000-040-501 | 816 | |
| 69 | Сопротивление | N000-040-502 | 102 | |
| 70 | Фиксатор | N000-040-503 | - | |
| 71 | Элемент пружинный | N000-040-504 | - | |
| 72 | Прокладка редуктора | N000-040-505 | - | |
| 73 | Накладка передняя | N000-040-506 | - | |
| 75 | Крюк | N000-040-507 | - | |
| 77 | Штифт D5х15 | N000-040-508 | - | |
| 78 | Рычаг фиксатора | N000-040-509 | - | |
| 79 | Гайка M5 (автогровер) | UM05-001-001 | 103.05 | |
| 82 | Штифт D5х45 | N000-040-510 | - | |
| 83 | Кольцо уплотнительное D36хd3.1 | N000-040-511 | - | |
| 84 | Муфта соединительная в сборе (EV80.84) | N000-040-512 | 122.4 | |
| 85 | Труба алюминиевая | N000-040-513 | - | |
| 86 | Держатель кабеля | N000-040-514 | 102 | |

