ЗУБР диск 350 мм, 115 мм макс. рез, бензиновый швонарезчик (резчик швов), Профессионал (ЗШБ-350)
Новая линейка строительной техники для профессионалов. Оптимальные технические характеристики позволяют работать еще эффективнее и в любых условиях, а благодаря колесам, облегчающим транспортировку, и эргономичной рукоятке ежедневная работа со швонарезчиком будет простой и удобной. Четырехтактный двигатель ″ЗУБР″ обеспечит беспроблемную эксплуатацию и потребует минимального сервисного обслуживания за весь срок использования.
Преимущества
- Экономичный высокоресурсный 4х тактный двигатель ″Зубр″ с большим межсервисным пробегом
- Оптимальная скорость вращения диска для реза твердых покрытий
- Плавное бесступенчатое изменение глубины реза с указателем позволяет легко настраивать изделие для заданной работы
- Направляющая линии реза указывает будущую линию пропила и способствует точности в работе с таким большим и тяжелым инструментом
- Индустриальные подшипники коленчатого вала и оси режущего диска обеспечивают повышенную надежность самого нагруженного узла
- Дополнительная силовая рама защищает двигатель при транспортировке и погрузке
- Регулятор дросселя всегда под рукой на рукоятке, что облегчает эксплуатацию
- Съемная рукоятка для экономии пространства при транспортировке и хранении
- Система охлаждения места реза с вместительным баком обеспечивает подачу воды к режущему диску и ограничивает пылеобразование в процессе работы
- Защитный кожух приводного ремня позволяет надежно защитить оператора от опасности контакта, а сам ремень - от повреждений камнями
Использование
Для выполнения пропилов в асфальте, бетоне, железобетоне, камне
| Частота вращения шпинделя, об/мин | 3600-3700 |
| Тип двигателя | Бензиновый |
| Габариты, см | 85x50x89 |
| Масса изделия, кг | 70 |
| Масса в упаковке, кг | 88 |
| Гарантия | 60 |
| Регулировка глубины реза | есть |
| Диаметр диска, мм | 350 |
| Тип | Швонарезчик |
| Емкость топливного бака, л | 3.6 |
| Расход топлива, л/ч | 1.7 |
| Диаметр посадочного отверстия, мм | 25.4 |
| Мощность (л.с.) | 6.5 |
| Мощность (Вт) | 4800 |
| Тактность двигателя | 4-х тактный |
| Двигатель | ЗУБР РХ180 |
| Топливо | АИ92 |
| Рама для транспортировки и защиты двигателя | есть |
| Колеса для перемещения | есть |
| Функция орошения | есть |
| Макс. глубина реза, мм | 115 |
| Емкость бака для воды, л | 12 |
| Производительность, м/ч | 60 |
| Объем двигателя, см³ | 196 |
| Тип упаковки | бокс деревянный |
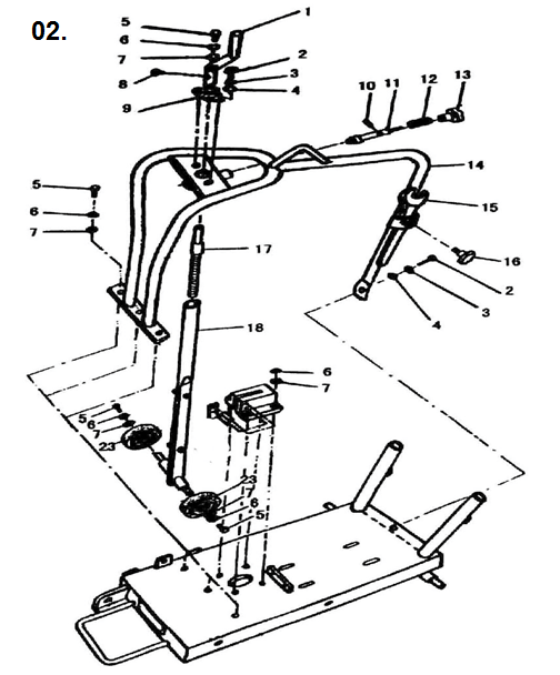
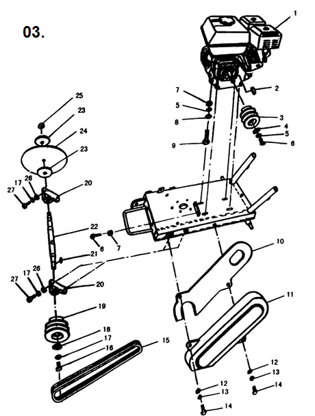
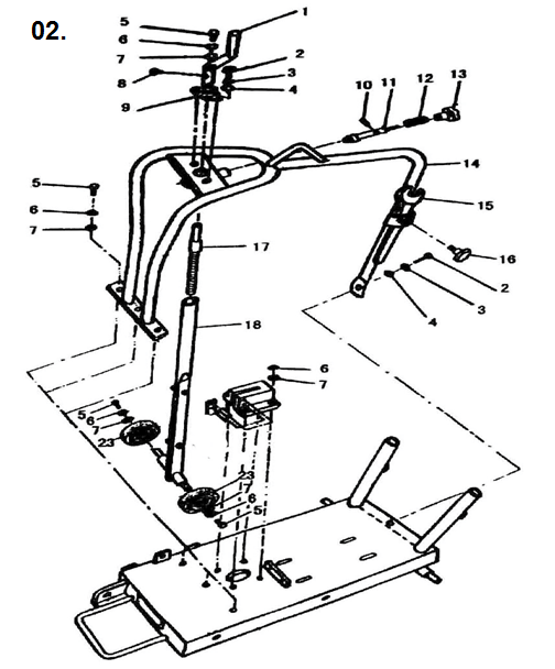
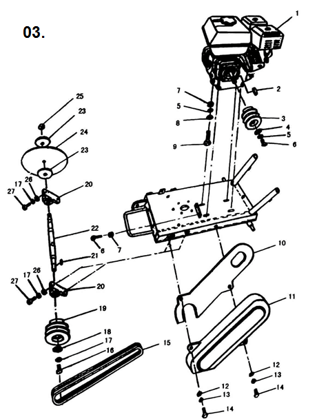
Схема сборки и запчасти ЗУБР диск 350 мм, 115 мм макс. рез, бензиновый швонарезчик (резчик швов), Профессионал (ЗШБ-350)
| № | Наименование | Артикул | Цена | |
|---|---|---|---|---|
| 1.1 | Болт M10x30 | N000-008-933 | - | |
| 1.2 | Шайба D10 | N000-008-934 | - | |
| 1.3 | Шайба D10 | N000-008-935 | - | |
| 1.4 | Гайка M10 | N000-008-936 | - | |
| 1.5 | Крышка бака с водой | N000-008-937 | 748.21 | |
| 1.6 | Бак с водой | N000-008-938 | 6 988.22 | |
| 1.7 | Кран | N000-008-939 | - | |
| 1.8 | Крюк | N000-008-940 | - | |
| 1.9 | Колено | N000-008-941 | - | |
| 1.11 | Защита диска | N000-008-942 | 8 314.42 | |
| 1.12 | Гайка M8 | N000-008-943 | - | |
| 1.13 | Шайба D8 | N000-008-944 | - | |
| 1.14 | Шайба D8 | N000-008-945 | - | |
| 1.15 | Болт M8x25 | N000-008-946 | - | |
| 1.16 | Прокладка резиновая | N000-008-947 | - | |
| 1.17 | Колесо пластиковое D157хd47х37 заднее | N000-008-948 | 1 961.61 | |
| 1.18 | Рукоятка | N000-008-949 | 2 084.91 | |
| 1.19 | Накладка рукоятки | N000-008-950 | - | |
| 1.20 | Маховичок M10 | N000-008-951 | - | |
| 1.21 | Основание в сборе | N000-008-952 | 19 386.29 | |
| 1.22 | Указатель направления | N000-008-953 | 840.68 | |
| 1.23 | Гайка указателя | N000-008-954 | - | |
| 1.24 | Колесо указателя направления | N000-008-955 | 353.09 | |
| 1.25 | Гайка M12 | N000-008-956 | - | |
| 1.28 | Рычаг газа | N000-008-957 | 824.42 | |
| 1.29 | Привод дросселя | N000-008-958 | 412.2 | |
| 2.1 | Ручка | N000-008-959 | 2 084.91 | |
| 2.2 | Болт M10x30 | N000-008-960 | - | |
| 2.3 | Шайба D10 | N000-008-961 | - | |
| 2.4 | Шайба D10 | N000-008-962 | - | |
| 2.5 | Болт M8x25 | N000-008-963 | - | |
| 2.6 | Шайба D8 | N000-008-964 | - | |
| 2.7 | Шайба D8 | N000-008-965 | - | |
| 2.8 | Болт M8x10 | N000-008-966 | - | |
| 2.9 | Подшипник | N000-008-967 | - | |
| 2.10 | Рычаг пружинный 4x16 | N000-008-968 | - | |
| 2.11 | Штифт | N000-008-969 | - | |
| 2.12 | Пружина | N000-008-970 | - | |
| 2.13 | Гайка | N000-008-971 | 386.72 | |
| 2.14 | Крюк для переноски | N000-008-972 | - | |
| 2.15 | Ключ гаечный | N000-008-973 | 193.8 | |
| 2.16 | Маховичок | N000-008-974 | - | |
| 2.17 | Вал | N000-008-975 | 3 001.26 | |
| 2.18 | Втулка вала | N000-008-976 | 2 244.64 | |
| 2.23 | Колесо (переднее) | N000-008-977 | - | |
| 3.1 | Двигатель 6.5 л.с. (Коленвал L58xD19) | N000-008-979 | - | |
| 3.2 | Шплинт | N000-008-980 | - | |
| 3.3 | Шкив ведущий D129х48 | N000-008-981 | 2 954.42 | |
| 3.4 | Шайба | N000-008-982 | - | |
| 3.5 | Шайба | N000-008-983 | - | |
| 3.6 | Болт M8x25 | N000-008-984 | - | |
| 3.7 | Гайка M8 | N000-008-985 | - | |
| 3.8 | Шайба | N000-008-986 | - | |
| 3.9 | Болт M8x40 | N000-008-987 | - | |
| 3.10 | Защита внутренняя | N000-008-988 | 2 084.91 | |
| 3.11 | Защита внешняя | N000-008-989 | 4 850.77 | |
| 3.12 | Шайба D10 | N000-008-990 | - | |
| 3.13 | Шайба D10 | N000-008-991 | - | |
| 3.14 | Болт M10х30 | N000-008-992 | - | |
| 3.15 | Ремень клиновой зубчатый 13x838Li | N000-008-993 | 1 252.02 | |
| 3.16 | Болт M12х25 | N000-008-994 | - | |
| 3.17 | Шайба D12 | N000-008-995 | - | |
| 3.18 | Шайба D12 | N000-008-996 | - | |
| 3.19 | Шкив ведомый D89х50 | N000-008-997 | 3 206.64 | |
| 3.20 | Подшипник диска | N000-008-998 | - | |
| 3.22 | Вал | N000-008-999 | 6 548.96 | |
| 3.23 | Фланец диска | N000-009-000 | 3 379.58 | |
| 3.24 | Диск | N000-009-001 | - | |
| 3.25 | Гайка диска | N000-009-002 | - | |
| 3.26 | Шайба D12 | N000-009-003 | - | |
| 3.27 | Болт M12x45 | N000-009-004 | - | |
| 3.88 | Магнето H=68 h=58 d=28.5 L=170 | N000-017-200-2 | 2 774.28 | |






