ЗУБР 10000ВА, 10 кВт, автоматический стабилизатор напряжения, Профессионал (59380-10)
Стабилизатор напряжения ЗУБР предназначен для точного и быстрого выравнивания сетевого напряжения для защиты бытовой техники и оборудования. Устройство обеспечивает эффективную защиту электроприборов от нестабильного по значению напряжения в сети. Релейный тип стабилизации является одним из наиболее надежных. Светодиодная индикация и цифровой дисплей позволяют контролировать состояние устройства и величину выходного напряжения.
Преимущества
- Широкий диапазон входного напряжения 140-260 В
- Защита от пониженного и повышенного напряжения
- Защита от перегрузки
- Защита от перегрева
- Защита от короткого замыкания
- Фильтрация сетевых помех
- Отсутствует искажение синусоиды
- Индикация величины нагрузки
- Высокая точность стабилизации, 8%
- Высокий кпд, до 97%
- Функция ″Байпасс″
Использование
для поддержания стабильного напряжения питания нагрузок бытового и промышленного назначения 220В, 50Гц при отклонениях сетевого напряжения в широких пределах по значению и длительности. Стабилизаторы напряжения электронного типа применяются для стабилизации напряжения питания и защиты бытовой и промышленной техники, торгового оборудования, аппаратуры связи, а также в системах комплексного питания промышленного оборудования, коттеджей, квартир и офисов. бытовое оборудование (телевизоры, холодильники и т.д.), • системы освещения, • системы кондиционирования и вентиляции воздуха, • насосное оборудование, • блоки управления систем обогрева и водоснабжения, • лабораторные установки, • изделия, содержащие электродвигатель.
| Тип | Напольный |
| Гарантия | 12 месяцев |
| Мощность, кВА | 10 |
| Выходное напряжение, В | 220 |
| Max входное напряжение, В | 260 |
| Min входное напряжение, В | 140 |
| Погрешность, % | 8 |
| Индикация | Цифровая, электронная |
| Кпд, % | 97 |
| Задержка включения | Да |
| Байпас | да |
| Количество фаз, шт | 1 |
| Тип упаковки | коробка картонная |
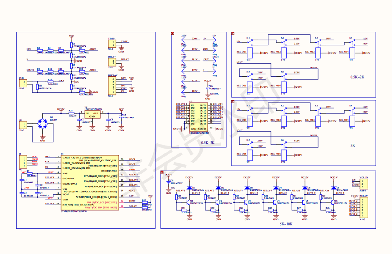
Схема сборки и запчасти ЗУБР 10000ВА, 10 кВт, автоматический стабилизатор напряжения, Профессионал (59380-10)
| № | Наименование | Артикул | Цена | |
|---|---|---|---|---|
| 3 | Выключатель автоматический (V000-003-440) | V000-003-440 | 921.37 | |
| 7 | ЖК-дисплей (N000-032-649) | N000-032-649 | - | |
| 8 | Плата управления (V000-004-469) | V000-004-469 | 1 588.14 | |
| 13 | Трансформатор (V000-007-059) | V000-007-059 | - | |
| 16 | Вентилятор DC 12V (V000-002-375) | V000-002-375 | 750.72 | |
| 18 | Клеммник (V000-006-547) | V000-006-547 | - | |
| 22 | Реле (N000-032-655) | N000-032-655 | 1 539.6 | |

