ЗУБР 5 кВт, электрическая тепловая пушка (ТП-5)
Компактный и легкий обогреватель в круглом корпусе для квартиры, загородного дома, мастерских гаражей и т.д. Большая площадь ТЭНов и эффективный обдув способствуют более быстрому нагреву помещения. Конструктивные меры безопасности (дополнительный защитный кожух, термопредохранитель, заземление корпуса) защищают Вас и изделие при нештатных ситуациях. Сделано в России ЗУБР - тепло и уют Вашего дома
Преимущества
- Небольшие габариты и малый вес,
- Высокоэффективный трубчатый ТЭН из нержавеющей стали исключает сильный нагрев, благодаря чему не перегорает и пожаробезопасен, не выжигает кислород в помещении
- Изогнутая форма нагревательного элемента позволяет заполнить всю площадь корпуса, что увеличивает выход тепла, площадь обдува и ускоряет прогрев помещения
- Цилиндрическая форма корпуса для большей равномерности воздушного потока, благодаря чему повышается эффективность обогрева за счет лучшего обдува ТЭНов
- Термопредохранитель предотвращает повреждение изделия и окружающих предметов при нештатной работе
- Дополнительный защитный кожух в качестве экрана предотвращает повышенный нагрев корпуса
- Мощный двигатель вентилятора способствует увеличению теплоотдачи изделия за счет большого объема прокачиваемого воздуха
- Удобная транспортировочная рукоятка
- В жаркую погоду может служить как вентилятор
Использование
Для генерации горячего воздуха, который может быть использован для обогрева, сушки бытовых и промышленных помещений и т. д.
| Масса изделия, кг | 3.5 |
| Масса в упаковке, кг | 3.8 |
| Гарантия | 60 |
| Тип | электрическая |
| Термопредохранитель | есть |
| Напряжение, В/Гц | 220/50~ |
| Мощность, кВт | 3.2/4,8 |
| Тепловая энергия, кКалл/ч | 3870 |
| Класс защиты | I |
| Мощность вентилятора, Вт | 35 |
| Двойные стенки | есть |
| Тип нагревателя | гладкий ТЭН |
| Макс. ток, А | 21 |
| Увеличение темп-ры за один проход, градус | 70 |
| Клавиша сброса | нет |
| Продувка | нет |
| Габариты изделия (ДхШхВ), см | 34х21х28 |
| Габариты упаковки (ДхШхВ), см | 35х21.5х28.5 |
| Площадь обогрева, до, м² | 50 |
| Воздушный поток, м³/ч | 315 |
| Тип упаковки | коробка картонная |
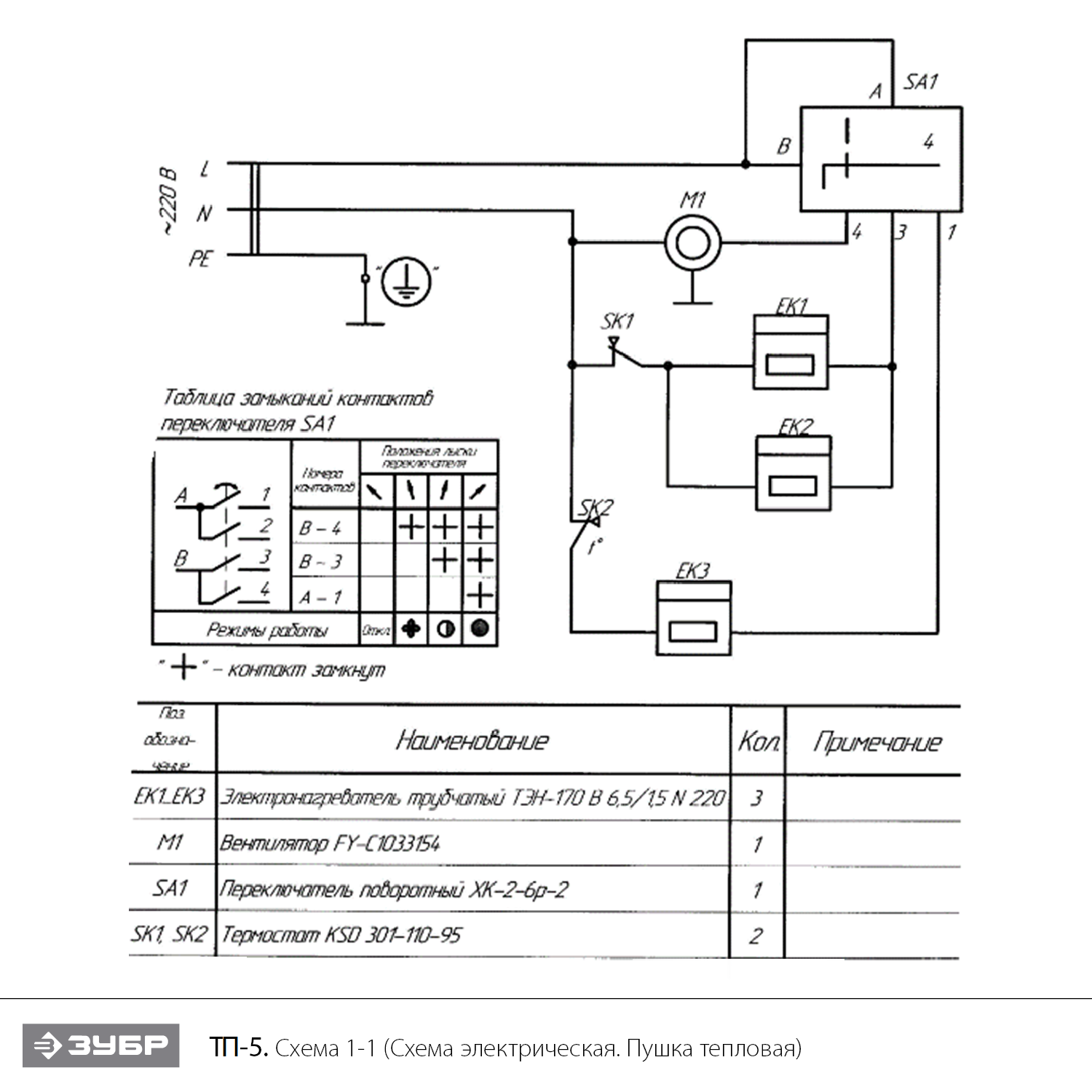
Схема сборки и запчасти ЗУБР 5 кВт, электрическая тепловая пушка (ТП-5)
| № | Наименование | Артикул | Цена | |
|---|---|---|---|---|
| 7 | Двигатель YJF 10-00 40W (V000-001-043) | V000-001-043 | 3 520.41 | |
| 7 | Электродвигатель c крыльчаткой FY-C1033154 220В 38Вт (V000-001-064) | V000-001-064 | 4 410 | |
| 9 | ТЭН FY-EHR-TBR-1500 D6.6 / REF 165х153 220В (V000-004-120) | V000-004-120 | 1 053.66 | |
| 10 | Термостат 110°С KSD301-110-95 нормально замкнутый (V000-006-956) | V000-006-956 | 211.14 | |
| 13 | Переключатель роторный FY-SR-KX-2-6p-2 16А (6 контактов) (V000-003-498) | V000-003-498 | 934 | |
| 15 | Ручка переключателя (N000-029-541) | N000-029-541 | 257.04 | |
| 21 | Гайка-заклепка М4 (N000-029-543) | N000-029-543 | - | |











