ЗУБР 15 кВт, электрическая тепловая пушка, Профессионал (ТП-П15)
Профессиональные электрические тепловые пушки с питанием от трехфазной электрической сети эффективны для быстрого и направленного обогрева складских и производственных помещений, ангаров и мастерских, благодаря большой площади нагревательных элементов и мощным двигателем вентилятора. Надёжная доработанная конструкци,обеспечивают защиту как пользователя, так и тепловой пушки в случае возникновения нештатных ситуаций. Сделано в России
ЗУБР - тепло всегда и везде
Преимущества
- Высокоэффективный трубчатый ТЭН из нержавеющей стали исключает сильный нагрев, благодаря чему не перегорает и пожаробезопасен, не выжигает кислород в помещении,,
- Нагревательный элемент увеличенной толщины способствует эффективномы прогреву и медленному остыванию, благодаря чему возможны паузы в работе нагревателей и экономия электроэнергии
- Круглая форма нагревательного элемента позволяет заполнить всю площадь корпуса, что увеличивает выход тепла, площадь обдува и ускоряет прогрев помещения
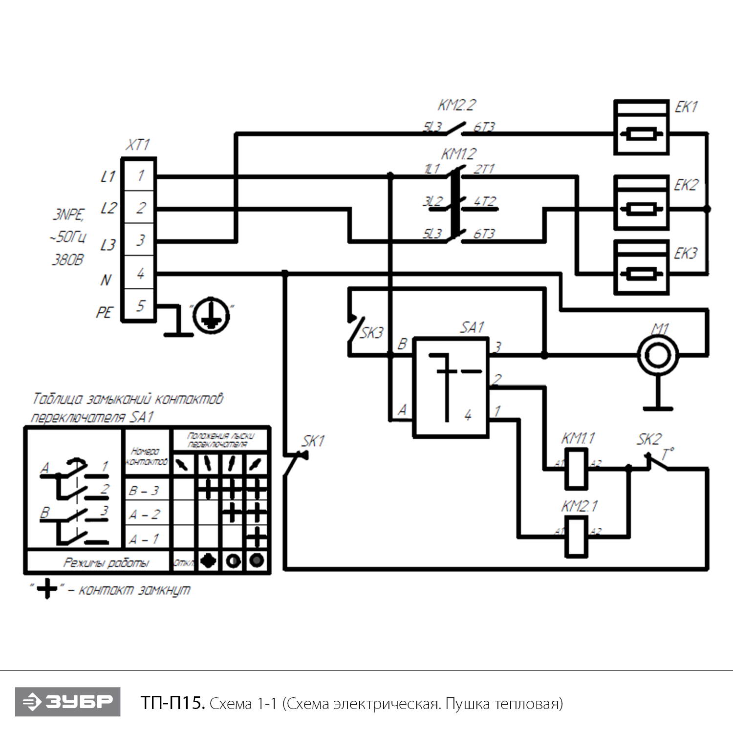
- Плавная регулировка обеспечивает установку комфортной температуры по желанию
- Раздельное включение ТЭНов увеличивает гибкость настройки температуры в помещении
- Капиллярный терморегулятор поддерживает заданную температуру в помещении периодическим выключением/выключением ТЭН, не допуская перегрева изделия и экономя электроэнергию
- Термопредохранитель предотвращает повреждение изделия и окружающих предметов при нештатной работе
- Дополнительный защитный кожух в качестве экрана предотвращает повышенный нагрев корпуса
- Мощный двигатель вентилятора способствует увеличению теплоотдачи изделия за счет большого объема прокачиваемого воздуха
- Режим вентиляции без нагрева
Использование
Для генерации горячего воздуха, который может быть использован для обогрева, сушки промышленных, складских, вспомогательных помещений и т. д.
| Масса изделия, кг | 16 |
| Масса в упаковке, кг | 17 |
| Гарантия | 60 |
| Тип | электрическая |
| Термопредохранитель | есть |
| Напряжение, В/Гц | 380~ /50 |
| Мощность, кВт | 7.5/15 |
| Тепловая энергия, кКалл/ч | 12897 |
| Класс защиты | I |
| Мощность вентилятора, Вт | 120 |
| Двойные стенки | есть |
| Тип нагревателя | гладкий ТЭН |
| Макс. ток, А | 40 |
| Увеличение темп-ры за один проход, градус | 45 |
| Клавиша сброса | да |
| Продувка | нет |
| Габариты изделия (ДхШхВ), см | 47 х 38.5 х 75 |
| Габариты упаковки (ДхШхВ), см | 54.5х45х55 |
| Площадь обогрева, до, м² | 180 |
| Воздушный поток, м³/ч | 1400 |
| Тип упаковки | коробка картонная |









