ЗУБР 550 Вт, 40 кг, электрическая виброплита, Профессионал (ЗВПЭ-5 Г)
Электрическая виброплита ЗУБР проста в использовании и не требует от оператора приобретения специальных навыков для управления. Машина работает от электрической сети напряжением 220 В, поэтому не производит вредных выхлопов.
Преимущества
- Безэмиссионная работа позволяет использовать виброплиту внутри зданий и в зонах с ограничением эмиссии вредных веществ
- Прорезиненные рукоятки обеспечивают комфортную работу с инструментом
- Металлическая рама защищает двигатель от случайных повреждений
- Система защиты оператора от повышенной вибрации
- Оптимальная центробежная сила для утрамбовки грунта и прочих сыпучих и мягких материалов
Использование
Для уплотнения бетонных, асфальтовых, сыпучих материалов, а также для формирования уплотненных поверхностей.
| Реверс | нет |
| Тип двигателя | Электрический |
| Габариты, см | 54x46x42 |
| Масса изделия, кг | 40 |
| Масса в упаковке, кг | 42 |
| Гарантия | 60 |
| Напряжение, В/Гц | 220±10%/50 |
| Длина кабеля, м | 1.2 |
| Центробежная сила, кН | 5 |
| Мощность (Вт) | 550 |
| Глубина уплотнения, мм | 200 |
| Антивибрационная рукоятка | есть |
| Рама для транспортировки и защиты двигателя | есть |
| Колеса для перемещения | нет |
| Функция орошения | нет |
| Габариты плиты, мм | 440х380 |
| Бак для воды | нет |
| Производительность, м²/ч | 450 |
| Тип упаковки | коробка картонная |
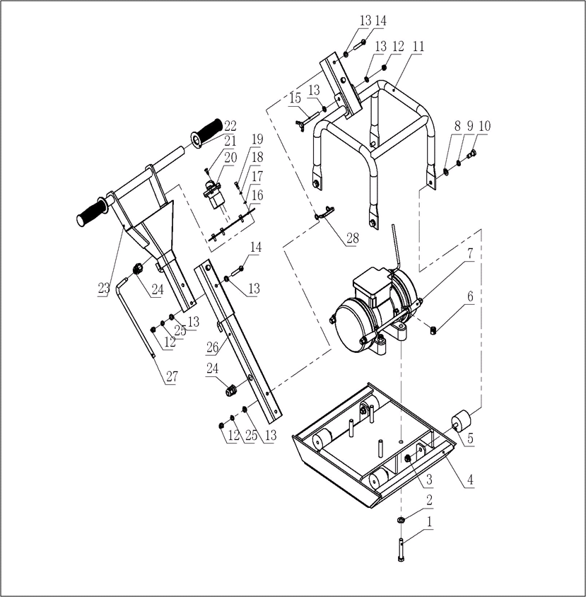
Схема сборки и запчасти ЗУБР 550 Вт, 40 кг, электрическая виброплита, Профессионал (ЗВПЭ-5 Г)
| № | Наименование | Артикул | Цена | |
|---|---|---|---|---|
| 1.01 | Болт M12x65 | N000-008-161 | - | |
| 1.02 | Шайба D12 | N000-022-385 | - | |
| 1.03 | Гайка M10 самоконтрящаяся | N000-028-974 | - | |
| 1.04 | Плита опорная в сборе | N000-028-975 | - | |
| 1.05 | Амортизатор | N000-028-976 | 648.52 | |
| 1.06 | Гайка M12 самоконтрящаяся | N000-028-977 | - | |
| 1.07 | Электродвигатель АД ZWR-55S-550W | V000-001-042 | 30 309.28 | |
| 1.08 | Шайба D10 | N000-022-384 | - | |
| 1.09 | Шайба пружинная D10 | N000-027-604 | - | |
| 1.10 | Болт M10x25 | N000-008-357 | - | |
| 1.11 | Рама | N000-028-979 | - | |
| 1.12 | Гайка (самоконтр.) М8 | N000-019-493 | 102 | |
| 1.13 | Шайба D8 | N000-020-872 | 103.05 | |
| 1.14 | Болт M8х60 | N000-010-327 | - | |
| 1.15 | Болт M8х80 | UM03-000-033 | - | |
| 1.16 | Пластина переключателя | N000-028-982 | - | |
| 1.17 | Шайба D5 | N000-020-867 | 103.05 | |
| 1.18 | Шайба пружинная D5 | N000-026-844 | - | |
| 1.19 | Болт M5х16 | N000-014-058 | - | |
| 1.20 | Выключатель роторный HZ5D-20/4 L03 220В 20А | V000-003-408 | 3 999.28 | |
| 1.22 | Ручка резиновая | N000-028-983 | 396.32 | |
| 1.23 | Ручка | N000-028-985 | - | |
| 1.24 | Воротник шнура | N000-028-984 | - | |
| 1.25 | Шайба пружинная D8mm | N000-025-043 | - | |
| 1.26 | Основание ручки | N000-028-986 | - | |
| 1.27 | Кабель питания H07RN-F 1 метр | V000-006-379 | - | |
| 1.28 | Провод заземления | V000-006-663 | - | |
| 2.01 | Корпус фронтальная часть | N000-029-063 | - | |
| 2.02 | Эксцентрик | N000-029-064 | 630.51 | |
| 2.03 | Кольцо стопорное D22 | N000-029-065 | 102 | |
| 2.04 | Эксцентрик | N000-029-066 | 630.51 | |
| 2.05 | Крышка двигателя | N000-029-067 | - | |
| 2.06 | Подшипник шариковый 6305-2RS (62x25x17) n/n | N000-029-068 | 972.79 | |
| 2.07 | Ротор | N000-029-069 | 3 422.8 | |
| 2.08 | Корпус двигателя | N000-029-070 | - | |
| 2.09 | Колодка клеммная | V000-006-545 | - | |
| 2.10 | Винт M6 | N000-022-361 | - | |
| 2.11 | Крышка клемной коробки | N000-029-071 | - | |
| 2.12 | Ввод кабельный | N000-029-072 | - | |
| 2.13 | Статор | N000-029-073 | - | |
| 2.14 | Гайка M10 | N000-022-371 | 103.05 | |
| 2.15 | Шпилька M10 | N000-029-074 | - | |
| 2.16 | Конденсатор 25мкФ 450В | U001-720-085 | 1 091.87 | |
| 2.17 | Статор в сборе с корпусом | N000-029-075 | 13 366.96 | |
| 2.17.C | Статор в сборе (корпус,кабель,конденсатор,компаунд,крышка) | N000-029-075-C | 12 189.71 | |


