ЗУБР ЗУ-240, 6/12/24 В, 2-12 А, розетка 12 В, интеллектуальное зарядное устройство для аккумуляторов, Профессионал (59305)
Оборудование ЗУБР создано на основе современных материалов и передовых технологий. Высокие стандарты качества и профессиональный подход, обеспечивают надежность и удобство использования изделия на протяжении всего срока службы.
Преимущества
- Заряд 3-х типов аккумуляторов: кислотные WET, GEL, AGM
- Автоматический алгоритм зарядки
- Микропроцессор зарядного устройства оценивает состояние батареи и соответствующим образом устанавливает силу зарядного тока и напряжение.
- Цифровой дисплей
- Защита от короткого замыкания, перегрева, переполюсовки
- Встроенная розетка 12В
Использование
Интеллектуальное зарядное устройство предназначено для зарядки аккумуляторных батарей легковых и грузовых автомобилей, мотоциклов, снегоходов, катеров (лодок), газонокосилок, тракторов, гидроциклов и т.д. Зарядные устройства ЗУБР управляются с помощью микропроцессора. Данные устройства обладают высокой эффективностью и имеют защиту от ошибок, которые может допустить пользователь. Микропроцессор зарядного устройства оценивает состояние батареи и соответствующим образом устанавливает силу зарядного тока и напряжение (в зависимости от типа АКБ и её состояния). Это позволяет наиболее эффективно зарядить аккумулятор и продлить срок его службы.
| Гарантия | При использовании по назначению гарантийный срок эксплуатации 12 месяцев с момента приобретения. |
| Для аккумуляторов, В | 6/12/24 |
| Max ток заряда, А | 12 |
| Программы зарядки, шт | 9 |
| Напряжение питания, В | 220 |
| Тип заряжаемых аккумуляторов | WET/GEL/AGM |
| Защита при неверном подключении | да |
| Защита от короткого замыкания | да |
| Защита от перегрева | да |
| Тип устройства | Зарядное |
| Мак емкость заряжаемой АКБ, А/ч | 240 |
| Встроенная розетка 12В | да |
| Тип упаковки | коробка картонная |
| Режимы зарядки, шт | 9 |
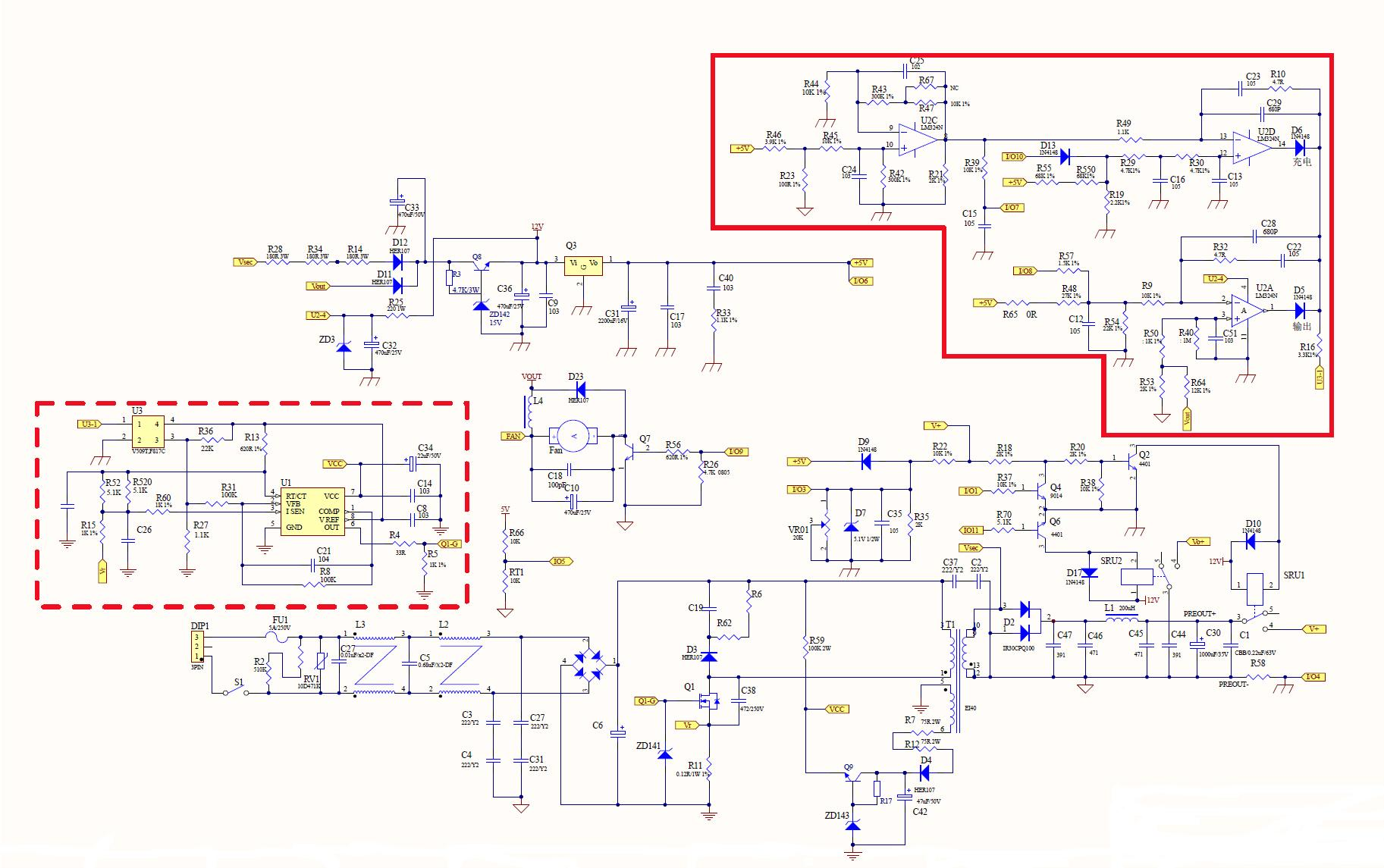
Схема сборки и запчасти ЗУБР ЗУ-240, 6/12/24 В, 2-12 А, розетка 12 В, интеллектуальное зарядное устройство для аккумуляторов, Профессионал (59305)
| № | Наименование | Артикул | Цена | |
|---|---|---|---|---|
| 1 | Блок электронный основной | N000-044-263 | - | |
| 2 | Блок электронный управления и индикации | N000-044-264 | - | |
| 3 | Провода силовые комплект (2 шт) | N000-044-265 | - | |

